GM Service Manual Online
For 1990-2009 cars only
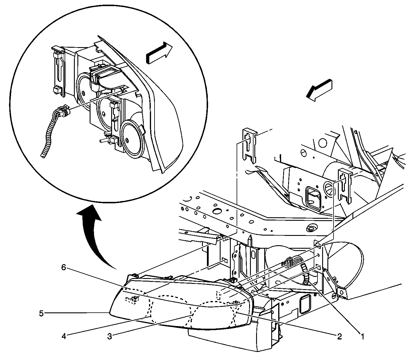
Figure 1:

Left Front of Impala, Right Front Similar


Object Number: 498539  Size: LF
(1)Headlamp Assembly-Left Connector
(2)Park Lamp-LF
(3)Turn Lamp-LF
(4)Headlamp Assembly-Left Low Beam
(5)Headlamp Assembly-Left
(6)Headlamp Assembly-Left High Beam
Figure 2:

Left Front of Monte Carlo, Right Front Similar


Object Number: 498521  Size: LF
(1)Park Lamp-LF
(2)Park/Turn Lamp-LF
(3)Headlamp Assembly-Left Low Beam
(4)Headlamp Assembly-Left High Beam
(5)Headlamp Assembly-Left
(6)Headlamp Assembly-Left Connector
Figure 3:

Lower Left Front of Vehicle, Lower Right Front Similar


Object Number: 498546  Size: LF
(1)Fog Lamp-LF
(2)Fog Lamp-LF Connector
Figure 4:

Driver A-Pillar, Front Passenger A-Pillar Similar ( 7X6/7X7)


Object Number: 592729  Size: LF
(1)Spot Lamp-Left
(2)Spot Lamp-Left Switch
(3)Spot Lamp-Left Connector
Figure 5:

Top of Instrument Panel, Ambient Light Sensor


Object Number: 498567  Size: LF
Figure 6:

Left Front of Instrument Panel


Object Number: 498562  Size: LF
(1)Instrument Panel Wiring Harness
(2)Fog Lamp Switch (T96), or Emergency Vehicle Interior Lamps Switch (9C1/9C3) Connector
(3)Fog Lamp Switch (T96), or Emergency Vehicle Interior Lamps Switch (9C1/9C3)
(4)Headlamp Switch
(5)Headlamp Switch Connector
Figure 7:

Turn Signal/Multifunction Switch (Impala)


Object Number: 626774  Size: LF
(1)Turn Signal/Malfunction Switch
(2)Wiper Switch
(3)Washer Switch
(4)Cruise Control ON/OFF Switch
Figure 8:

Turn Signal/Multifunction Switch (Monte Carlo)


Object Number: 626773  Size: LF
(1)Turn Signal/Malfunction Switch
(2)Wiper Switch
(3)Washer Switch
Figure 9:

Upper Center of Instrument Panel


Object Number: 498564  Size: LF
(1)Turn Signal/Hazard Flasher Module Connector
(2)Turn Signal/Hazard Flasher Module
Figure 10:

Right Front of Instrument Panel


Object Number: 498573  Size: LF
(1)I/P Compartment Lamp Connector
(2)I/P Compartment Door
(3)I/P Compartment Lamp
Figure 11:

Below Left Side of Instrument Panel


Object Number: 498568  Size: LF
(1)I/P Close-out Panel-Left
(2)Footwell Courtesy Lamp-Left Bulb
(3)Footwell Courtesy Lamp-Left Socket
Figure 12:

Lower Center of Instrument Panel (w/o 9C1/9C3)


Object Number: 487935  Size: LF
(1)G203
(2)Inflatable Restraint Steering Wheel Module Coil Connector C1
(3)Data Link Connector (DLC)
(4)C201
(5)Stop Lamp Switch Connectors
(6)Cruise Control Release Switch Connector
(7)Cruise Control Release Switch
(8)G201
Figure 13:

Below Center of Instrument Panel


Object Number: 498572  Size: LF
(1)Ashtray Lamp Housing
(2)Ashtray Lamp Socket
(3)Ashtray Lamp
Figure 14:

Below Right Side of Instrument Panel


Object Number: 498569  Size: LF
(1)Footwell Courtesy Lamp-Right Socket
(2)Footwell Courtesy Lamp-Right Bulb
(3)I/P Close-out Panel-Right
Figure 15:

Top Center of Windshield


Object Number: 498541  Size: LF
(1)Inside Rearview Mirror Connector
Figure 16:

Right Front Inside Roof, Left Front Similar


Object Number: 741705  Size: SH
(1)Vanity Mirror Lamp-Right Connector
(2)Vanity Mirror Lamp-Right
Figure 17:

Inside Roof (9C1/9C3)


Object Number: 592721  Size: LF
(1)Auxiliary Dome Lamp Ground Terminal
(2)Auxiliary Dome Lamp (6C7)
(3)Auxiliary Dome Lamp Connector
Figure 18:

Inside Right Roof Rail, Left Similar


Object Number: 741703  Size: SH
(1)Side Roof Rail
(2)Headliner Panel
(3)Assist Handle/Coat Hook/Reading Lamp Assembly-Right
Figure 19:

Package Shelf (w/ 6J6)


Object Number: 592732  Size: LF
(1)Emergency Vehicle Rear Window Panel Lamp-Right
(2)Emergency Vehicle Rear Window Panel Lamp-Left
(3)C306
Figure 20:

Rear Compartment, Forward of the Lid Opening


Object Number: 488093  Size: LF
(1)Rear Compartment Courtesy Lamp
(2)Rear Compartment Courtesy Lamp Connector
Figure 21:

Right Front of Rear Compartment (w/ T53)


Object Number: 592725  Size: LF
(1)C409
(2)Emergency Vehicle Rear Compartment Lid Lamps Relay
Figure 22:

Under Rear Compartment Lid (T53)


Object Number: 592727  Size: LF
(1)Emergency Vehicle Rear Compartment Lid Lamp-Left
(2)Emergency Vehicle Rear Compartment Lid Lamp-Right
(3)Emergency Vehicle Rear Compartment Lid Lamp-Right Connector
(4)Emergency Vehicle Rear Compartment Lid Lamp-Left Connector
Figure 23:

Right Rear of Vehicle, Left Rear Similar-Impala


Object Number: 498550  Size: LF
(1)Tail Lamp Assembly-Right Connector
(2)Tail Lamp Assembly-Right
(3)Reflector
(4)Stop/Turn Lamp-Right
(5)Park Lamp-RR
Figure 24:

Right Rear of Vehicle, Left Rear Similar-Monte Carlo


Object Number: 498555  Size: LF
(1)Tail Lamp Assembly-Right
(2)Tail Lamp Assembly-Right Connector
(3)Tail Lamp Assembly-Right Connector
(4)Park Lamp-RR
(5)Stop/Park Lamp-Right
(6)Reflector
Figure 25:

Top of Rear Compartment Lid


Object Number: 498559  Size: LF
(1)Center High Mounted Stop Lamp (CHMSL)
(2)Center High Mounted Stop Lamp (CHMSL) Connector
Figure 26:

Rear Compartment Lid (Impala)


Object Number: 498553  Size: LF
(1)P909
(2)C901
(3)Reflex
(4)Reflex
(5)Rear Lamp Applique
(6)Backup Lamp-Left
Figure 27:

Lower Center Rear of Vehicle (Impala)


Object Number: 498543  Size: LF
(1)License Lamp-Left Bulb and Socket
(2)License Lamp-Right Lens
(3)Rear Bumper Fascia
Figure 28:

Lower Center Rear of Vehicle (Monte Carlo)


Object Number: 498545  Size: LF
(1)Rear Bumper Fascia
(2)License Lamp Lens
(3)License Lamp Bulb and Socket
Figure 29:

Lower Right Center Rear of Vehicle (Monte Carlo)


Object Number: 498560  Size: LF
(1)Backup Lamp-Right Lens
(2)Backup Lamp-Right Bulb and Socket