GM Service Manual Online
For 1990-2009 cars only
Makes
🢒
Chevrolet
🢒
2001
🢒
Impala
🢒
Body and Accessories
🢒
Entertainment
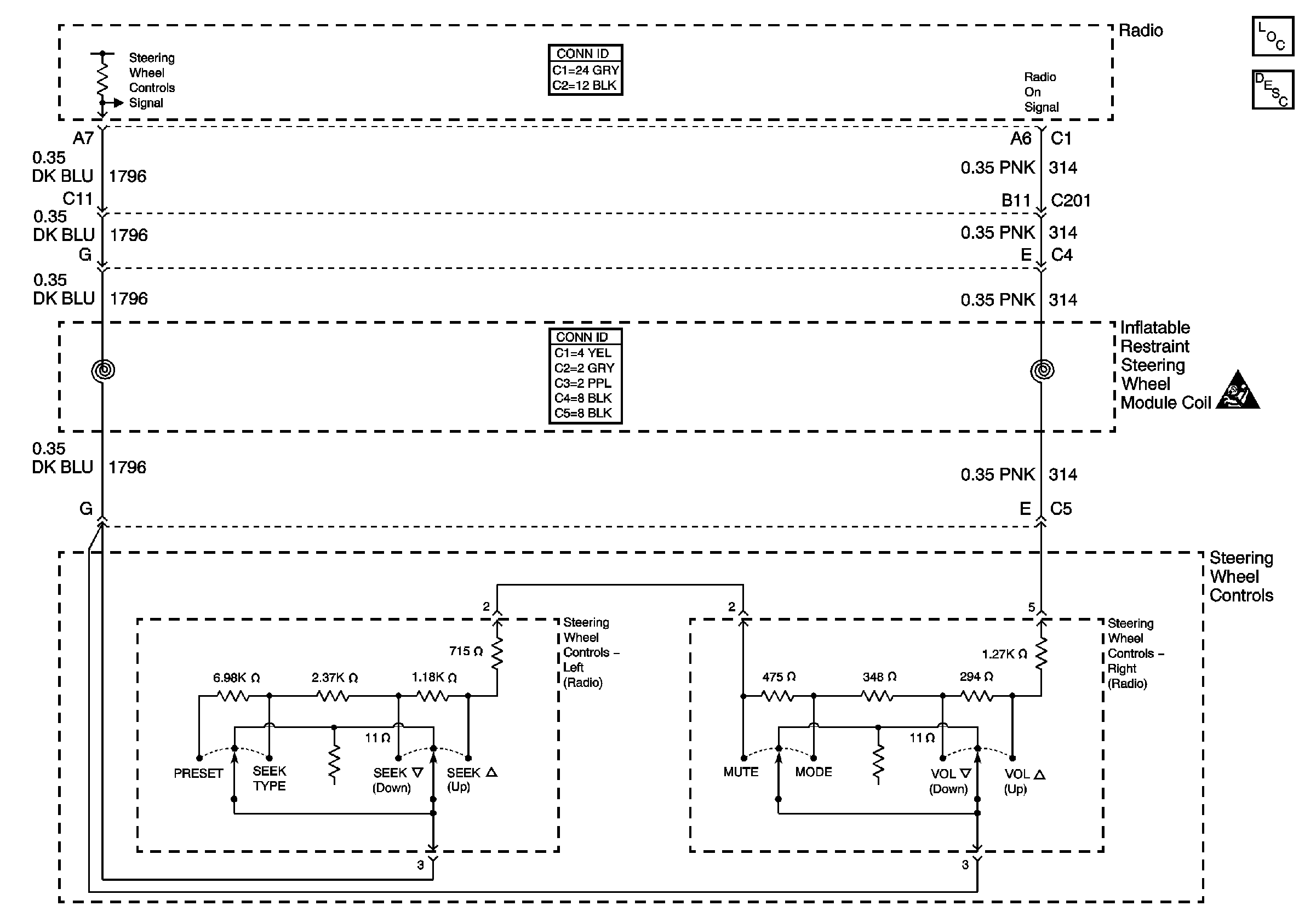
🢒 Steering Wheel Controls Schematics
Master Electrical Component List
Radio/Audio System Description and Operation
Entertainment Schematic Icons