GM Service Manual Online
For 1990-2009 cars only
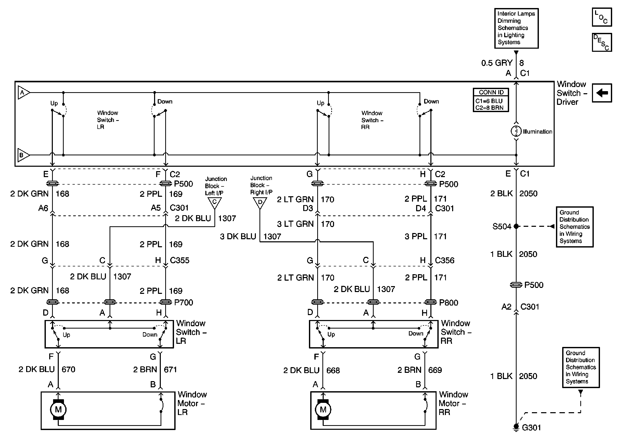
Figure 1:

Monte Carlo


Object Number: 693830  Size: FS
Master Electrical Component List
Power Windows Description and Operation
Impala Front Doors
Console, and Driver Door
CLSTR/BCM, DR LK, LEFT IP, LT HTD ST/BCM, and PWR MIR Fuses, RETAINED ACCSRY PWR Circuit Breaker, HEADLAMP, and RETAINED ACCSRY PWR Relays
G301 (2 of 2)
G301 (1 of 2)
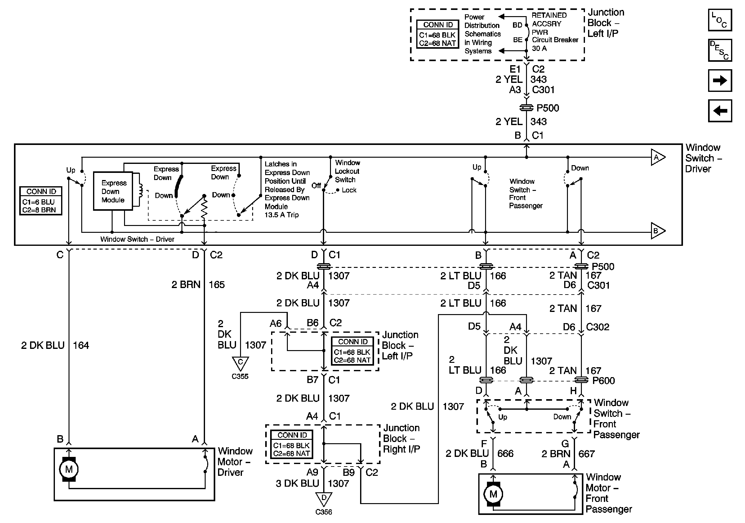
Figure 2:

Impala Front Doors


Object Number: 693831  Size: FS
Master Electrical Component List
Power Windows Description and Operation
Impala Rear Doors
Monte Carlo
CLSTR/BCM, DR LK, LEFT IP, LT HTD ST/BCM, and PWR MIR Fuses, RETAINED ACCSRY PWR Circuit Breaker, HEADLAMP, and RETAINED ACCSRY PWR Relays
Impala Rear Doors
Impala Rear Doors
Impala Rear Doors
Impala Rear Doors
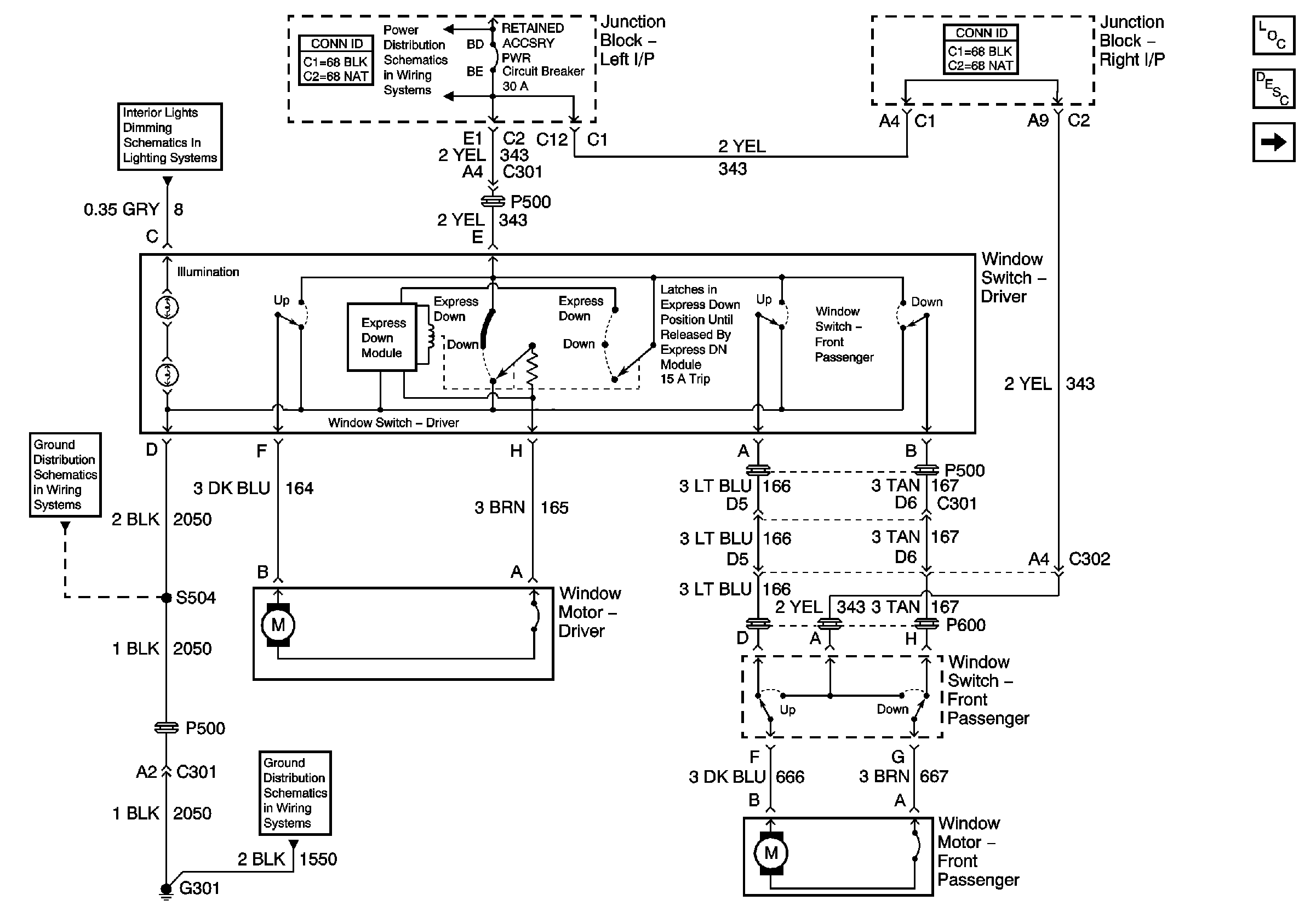
Figure 3:

Impala Rear Doors


Object Number: 693832  Size: FS
Master Electrical Component List
Power Windows Description and Operation
Impala Front Doors
Impala Front Doors
Impala Front Doors
Impala Front Doors
Impala Front Doors
Console, and Driver Door
G301 (2 of 2)
G301 (1 of 2)