GM Service Manual Online
For 1990-2009 cars only
Makes
🢒
Chevrolet
🢒
2001
🢒
Impala
🢒
Body and Accessories
🢒
Doors
🢒 Outside Rearview Mirror Schematics
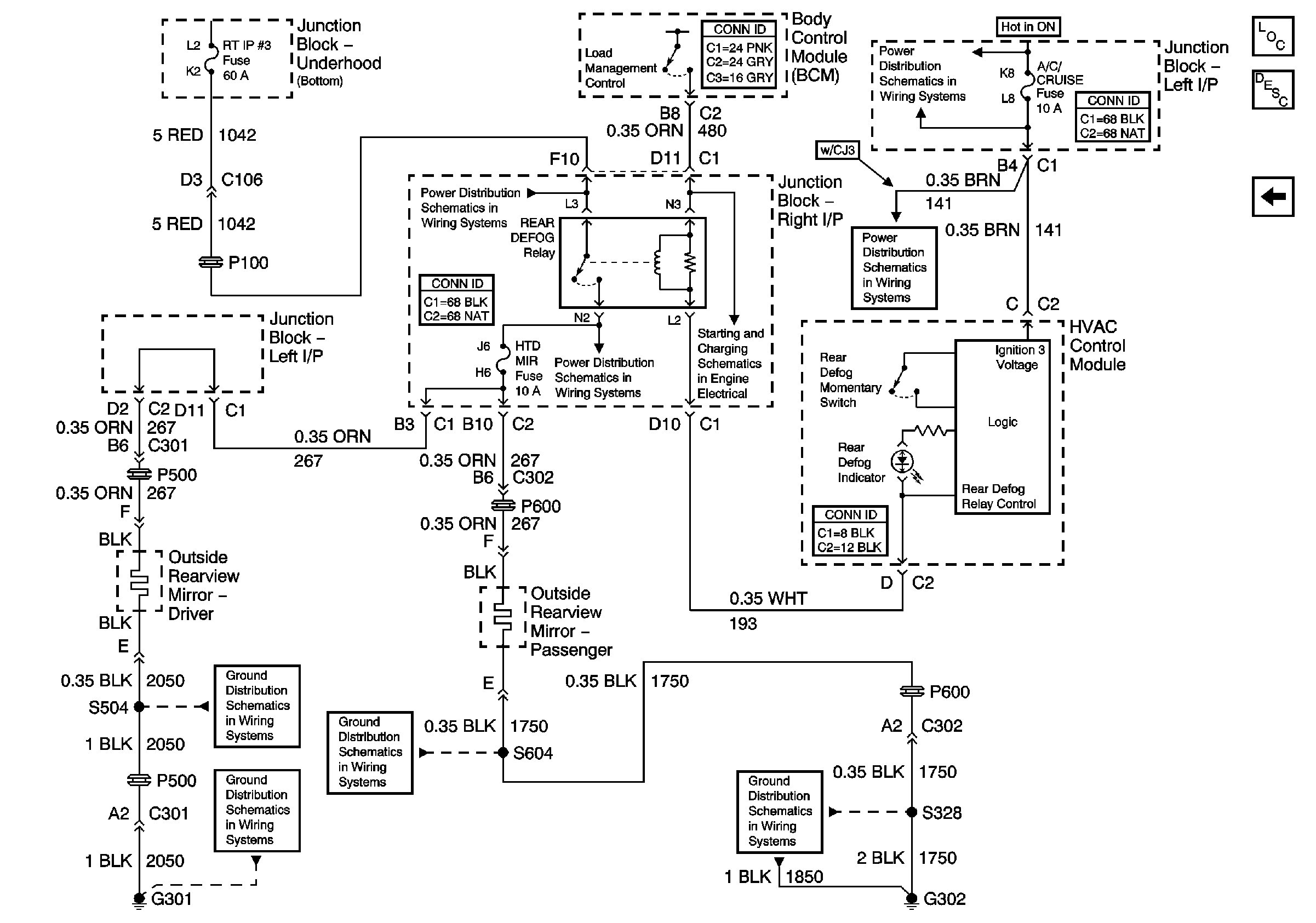
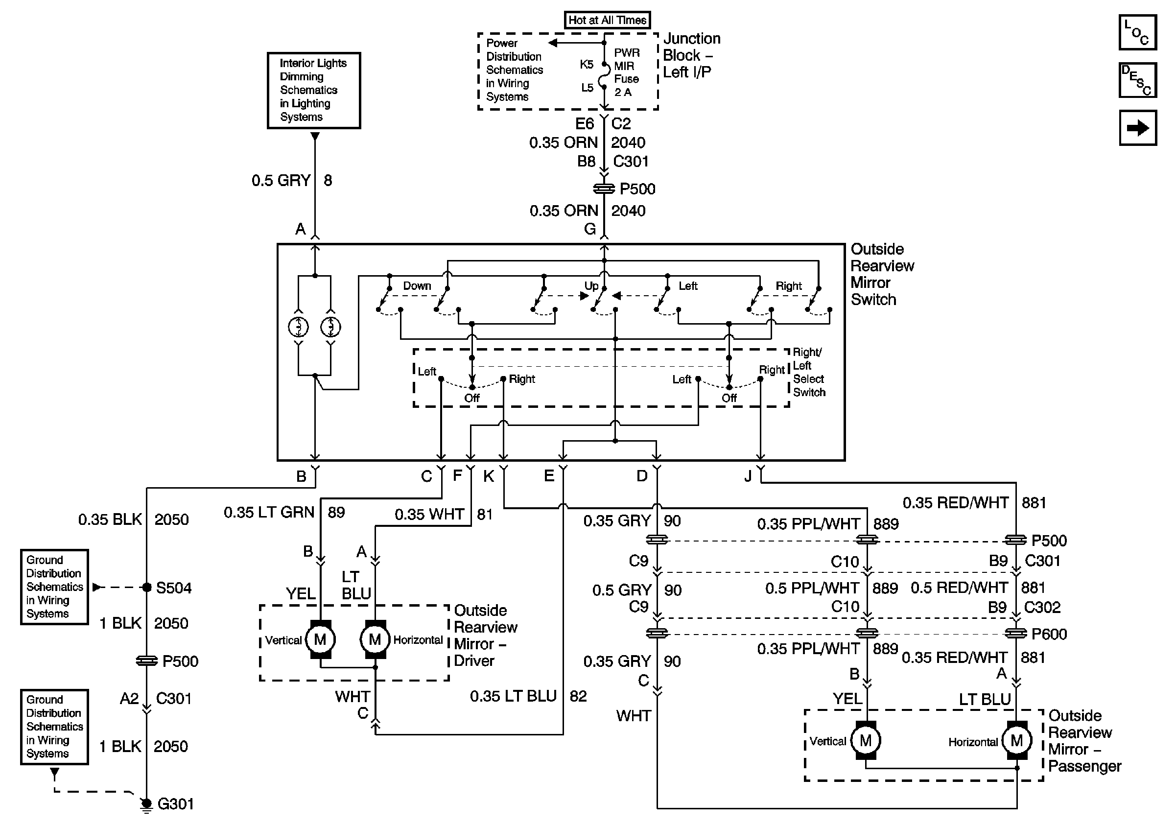
Figure
1:
Power Mirrors
Master Electrical Component List
Outside Mirror Description and Operation
Heated Mirrors
Console, and Driver Door
CLSTR/BCM, DR LK, LEFT IP, LT HTD ST/BCM, and PWR MIR Fuses, RETAINED ACCSRY PWR Circuit Breaker, HEADLAMP, and RETAINED ACCSRY PWR Relays
G301 (2 of 2)
G301 (1 of 2)
Figure
2:
Heated Mirrors
Master Electrical Component List
Outside Mirror Description and Operation
Power Mirrors
A/C/CRUISE, A/C FAN, CRUISE, PCM/BCM/CLSTR, and PCM (CRANK) Fuses
A/C/CRUISE, A/C FAN, CRUISE, PCM/BCM/CLSTR, and PCM (CRANK) Fuses
HTD MIR, RADIO, and RT IP#3 Fuses, REAR DEFOG Circuit Breaker, and REAR DEFOG Relay
HTD MIR, RADIO, and RT IP#3 Fuses, REAR DEFOG Circuit Breaker, and REAR DEFOG Relay
Battery Rundown Protection and Load Management
G301 (2 of 2)
G301 (1 of 2)
G302 (1 of 2)
G302 (1 of 2)