GM Service Manual Online
For 1990-2009 cars only

Rear Side Door Window Regulator Replacement Impala

Removal Procedure

  1. Position the front door window with a 6.3 mm (1/4 in) space at the top.
  2. Tape the window to the window frame.
  3. Remove the rear door trim panel. Refer to Rear Side Door Trim Panel Replacement .
  4. Remove the rear door water deflector. Refer to Rear Side Door Water Deflector Replacement .
  5. Disconnect the rear window from the rear window regulator carrier plate. Refer to Rear Side Door Window Replacement .

  6. Object Number: 459305  Size: SH
  7. Disconnect the electrical connector from the rear window regulator motor.

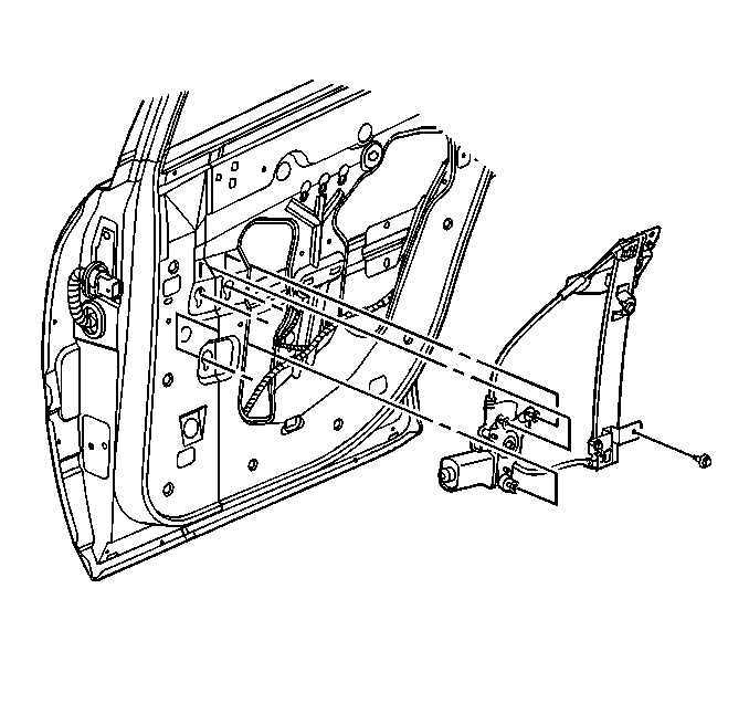
  8. Object Number: 459302  Size: SH
  9. Loosen the bolts on the rear window regulator motor.
  10. Loosen the bolts on the rear window regulator rail.
  11. Remove the rear window regulator, lifting up and out from the key slots on the rear door inner panel and through the rear access hole.

Installation Procedure


    Object Number: 459302  Size: SH
  1. Install the rear window regulator bolts half way into the rear window regulator motor and the rail.
  2. Position the rear window regulator rail through the rear access hole first.
  3. Position the rear window regulator motor through the rear access hole.
  4. Notice: Use the correct fastener in the correct location. Replacement fasteners must be the correct part number for that application. Fasteners requiring replacement or fasteners requiring the use of thread locking compound or sealant are identified in the service procedure. Do not use paints, lubricants, or corrosion inhibitors on fasteners or fastener joint surfaces unless specified. These coatings affect fastener torque and joint clamping force and may damage the fastener. Use the correct tightening sequence and specifications when installing fasteners in order to avoid damage to parts and systems.

  5. Install the rear window regulator into the key slots.
  6. Tighten
    Tighten the rear window regulator motor and the rail bolts to 10 N·m (89 lb in).

  7. Remove the tape from the rear window and position the rear window to the rear window regulator carrier plate.
  8. Connect the rear window to the rear window regulator carrier plate. Refer to Rear Side Door Window Replacement .

  9. Object Number: 459305  Size: SH
  10. Connect the electrical connector to the rear window regulator motor.
  11. Install the rear door water deflector. Refer to Rear Side Door Water Deflector Replacement .
  12. Install the rear door trim panel. Refer to Rear Side Door Trim Panel Replacement .