GM Service Manual Online
For 1990-2009 cars only
Makes
🢒
Chevrolet
🢒
2001
🢒
Impala
🢒
Body and Accessories
🢒
Wiring Systems
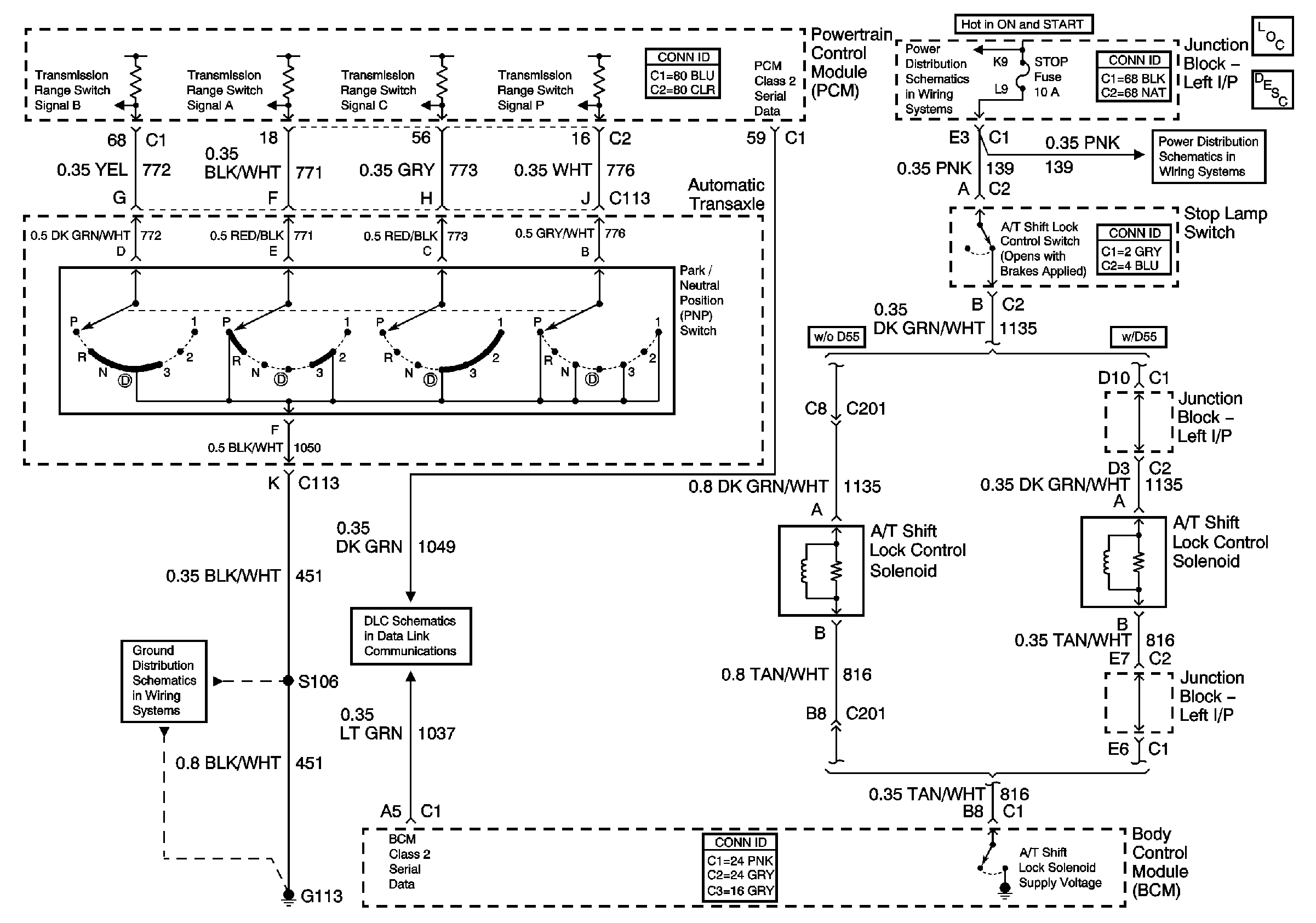
🢒 Shift Lock Control Schematics
Master Electrical Component List
Automatic Transmission Shift Lock Control Description and Operation
ABS/PCM, SRS, STOP, and TURN SIGNAL Fuses
ABS/PCM, SRS, STOP, and TURN SIGNAL Fuses
G113 (2 of 2)
DLC Schematics