GM Service Manual Online
For 1990-2009 cars only
Makes
🢒
Chevrolet
🢒
2001
🢒
Impala
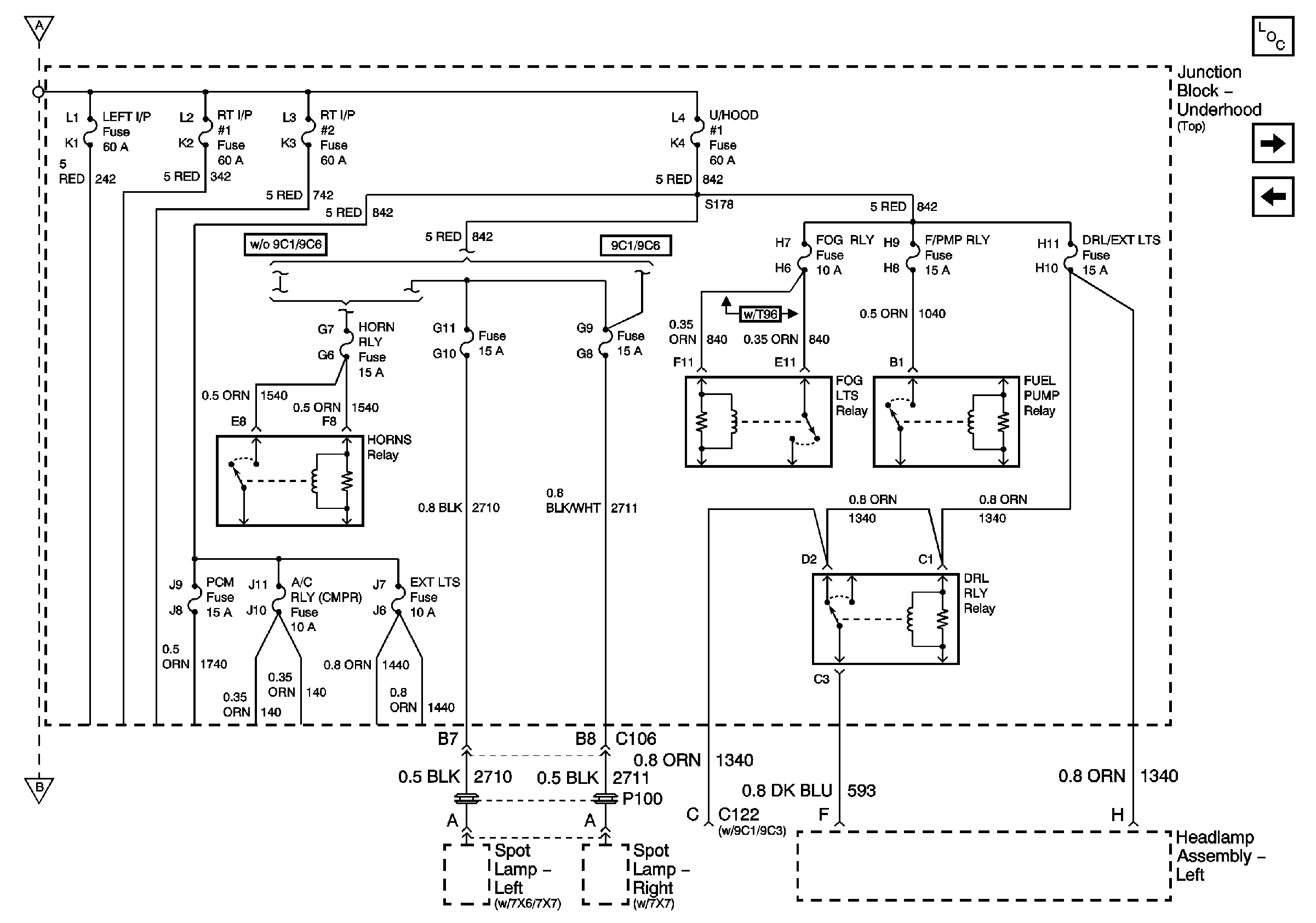
🢒 A/C RLY (CMPR), DRL/EXT LTS, EXT LTS, FOG RLY, F/PMP RLY, HORN RLY, LEFT I/P, PCM, RT IP#1, RT IP#2, Spot Lamp, and U/HOOD#1 Fuses
A/C RLY (CMPR), DRL/EXT LTS, EXT LTS, FOG RLY, F/PMP RLY, HORN RLY, LEFT I/P, PCM, RT IP#1, RT IP#2, Spot Lamp, and U/HOOD#1 Fuses
A/C RLY (CMPR), DRL/EXT LTS, EXT LTS, FOG RLY, F/PMP RLY, HORN RLY, LEFT I/P, PCM, RT IP#1, RT IP#2, Spot Lamp, and U/HOOD#1 Fuses
Master Electrical Component List
A/C RLY (COIL), AIR PMP RLY, COOLING FANS, DFI MDL, ENG DEVISES, FANCONT#1, FAN CONT#2&3, FUEL INJ, IGN SW, OXY SEN, RT IP#3, TRANS SOL, AND U/HOOD#2 Fuses
Fuse Block-SEO and Fusible Links
Fuse Block-SEO and Fusible Links
A/C RLY (COIL), AIR PMP RLY, COOLING FANS, DFI MDL, ENG DEVISES, FANCONT#1, FAN CONT#2&3, FUEL INJ, IGN SW, OXY SEN, RT IP#3, TRANS SOL, AND U/HOOD#2 Fuses