GM Service Manual Online
For 1990-2009 cars only
Makes
🢒
Chevrolet
🢒
2001
🢒
Impala
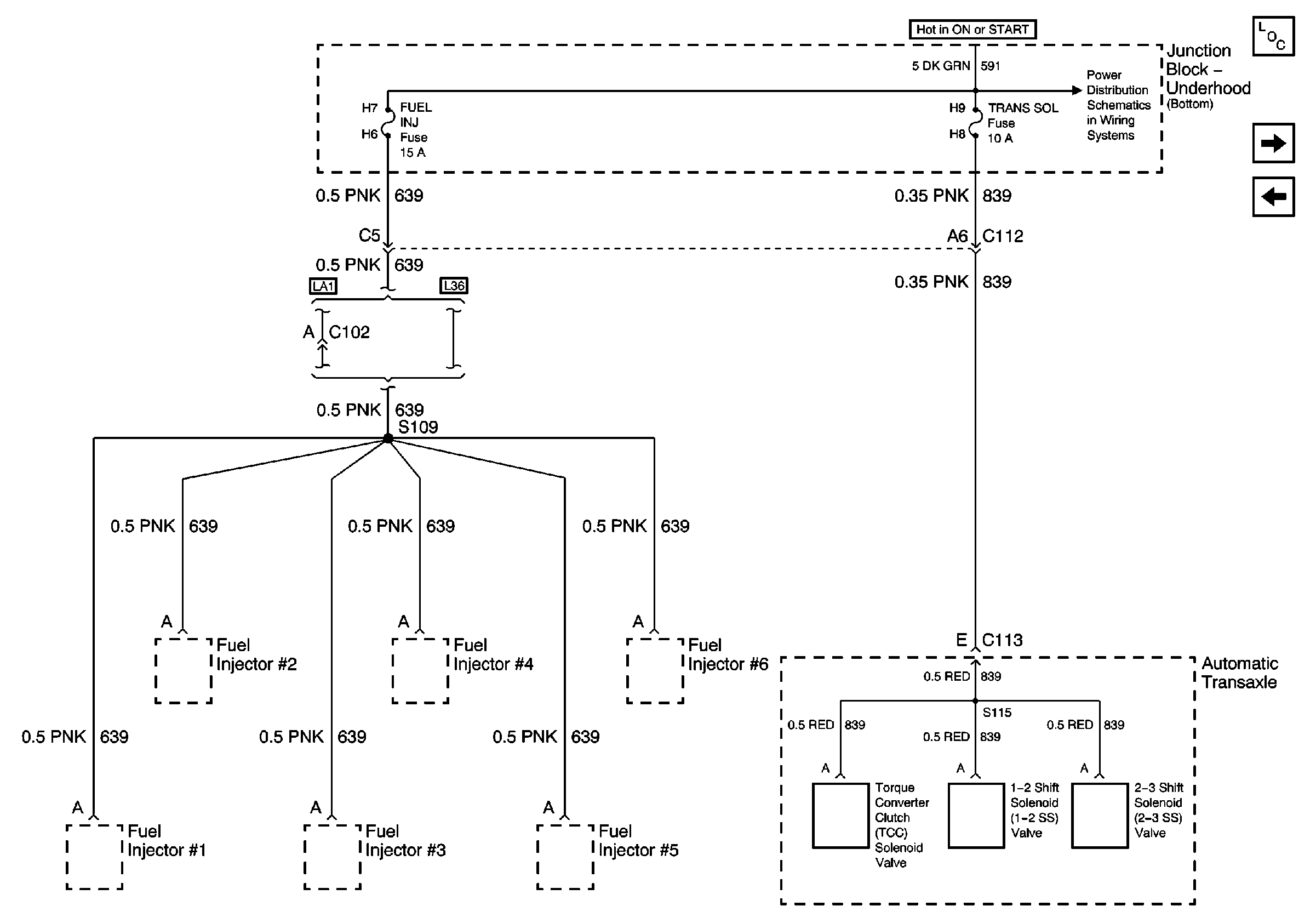
🢒 FUEL INJ, and TRANS SOL Fuses
FUEL INJ, and TRANS SOL Fuses
FUEL INJ, and TRANS SOL Fuses
Master Electrical Component List
DFI MDL, ENG DEVICES, and OXY SEN Fuses
HTD MIR, RADIO, and RT IP#3 Fuses, REAR DEFOG Circuit Breaker, and REAR DEFOG Relay
A/C RLY (COIL), AIR PMP RLY, COOLING FANS, DFI MDL, ENG DEVISES, FANCONT#1, FAN CONT#2&3, FUEL INJ, IGN SW, OXY SEN, RT IP#3, TRANS SOL, AND U/HOOD#2 Fuses