GM Service Manual Online
For 1990-2009 cars only
Makes
🢒
Chevrolet
🢒
2001
🢒
Impala
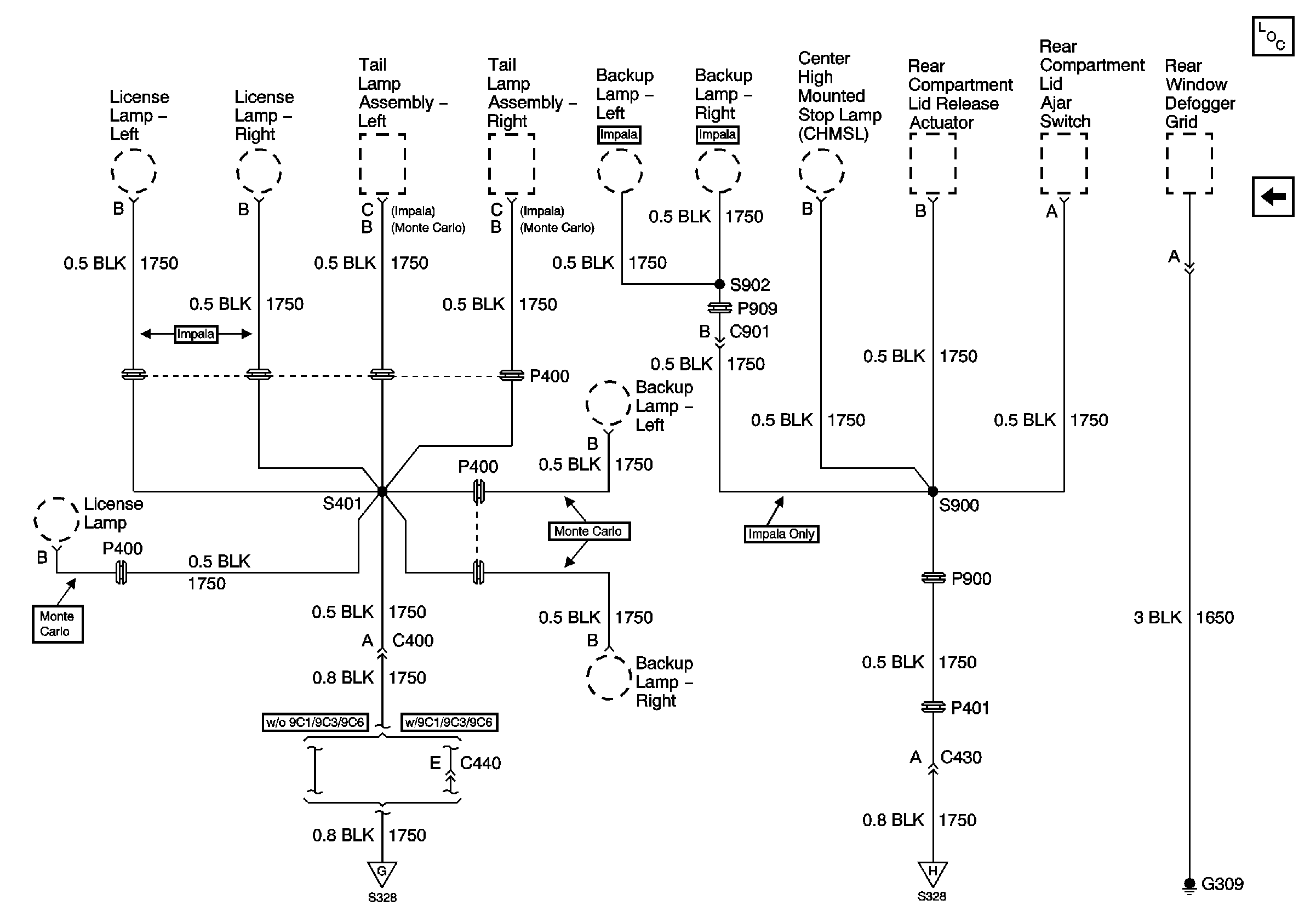
🢒 G302 (2 of 2) and G309
G302 (2 of 2) and G309
G302 (2 of 2) and G309
Master Electrical Component List
G302 (1 of 2)
G302 (1 of 2)
G302 (1 of 2)