GM Service Manual Online
For 1990-2009 cars only
Makes
🢒
Chevrolet
🢒
2001
🢒
Impala
🢒 Temperature Control
Temperature Control
Temperature Control
Master Electrical Component List
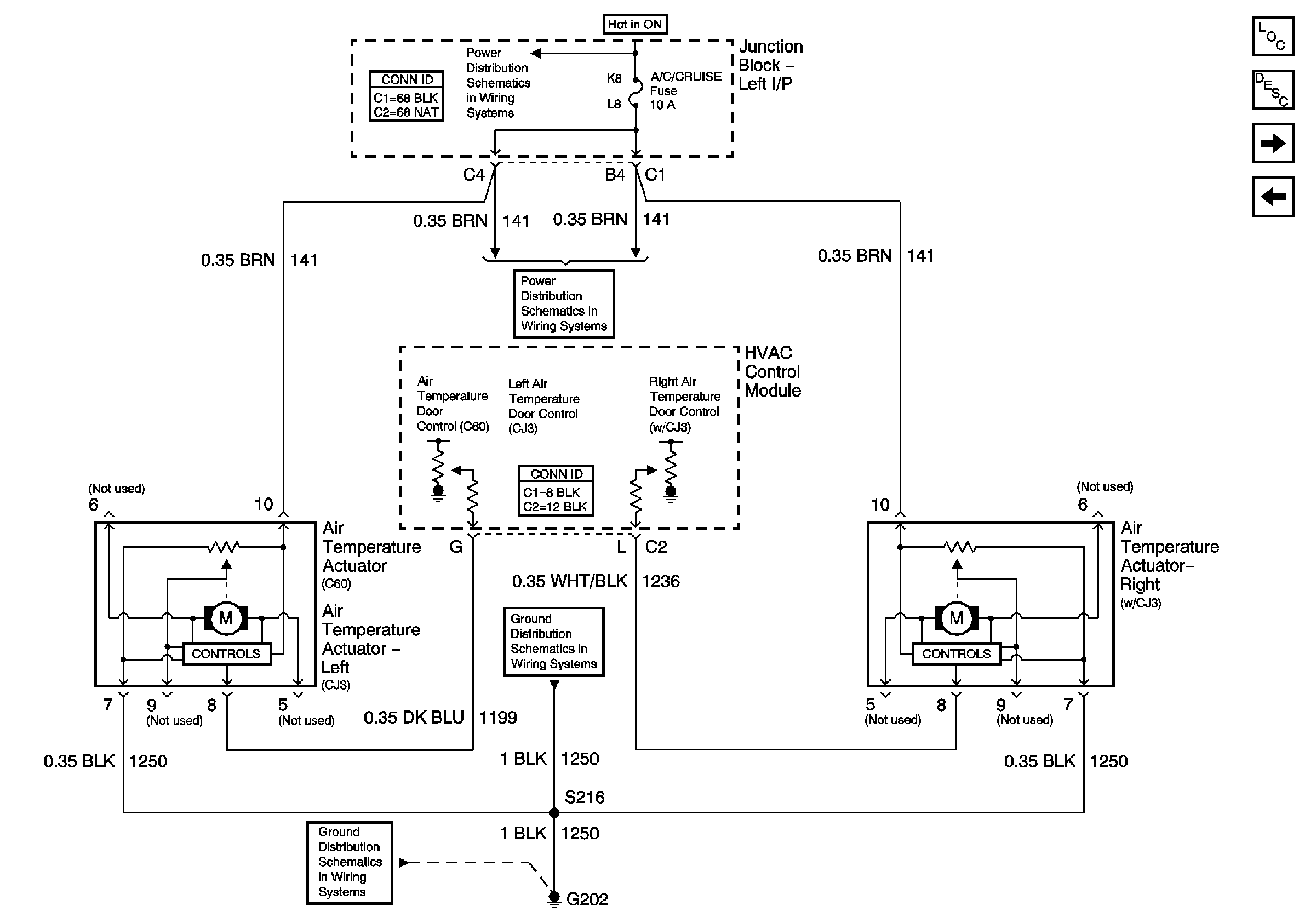
Air Temperature Description and Operation
Air Delivery (C60)
Blower Control
A/C/CRUISE, A/C FAN, CRUISE, PCM/BCM/CLSTR, and PCM (CRANK) Fuses
A/C/CRUISE, A/C FAN, CRUISE, PCM/BCM/CLSTR, and PCM (CRANK) Fuses
G202
G202