GM Service Manual Online
For 1990-2009 cars only
Makes
🢒
Chevrolet
🢒
2002
🢒
Impala
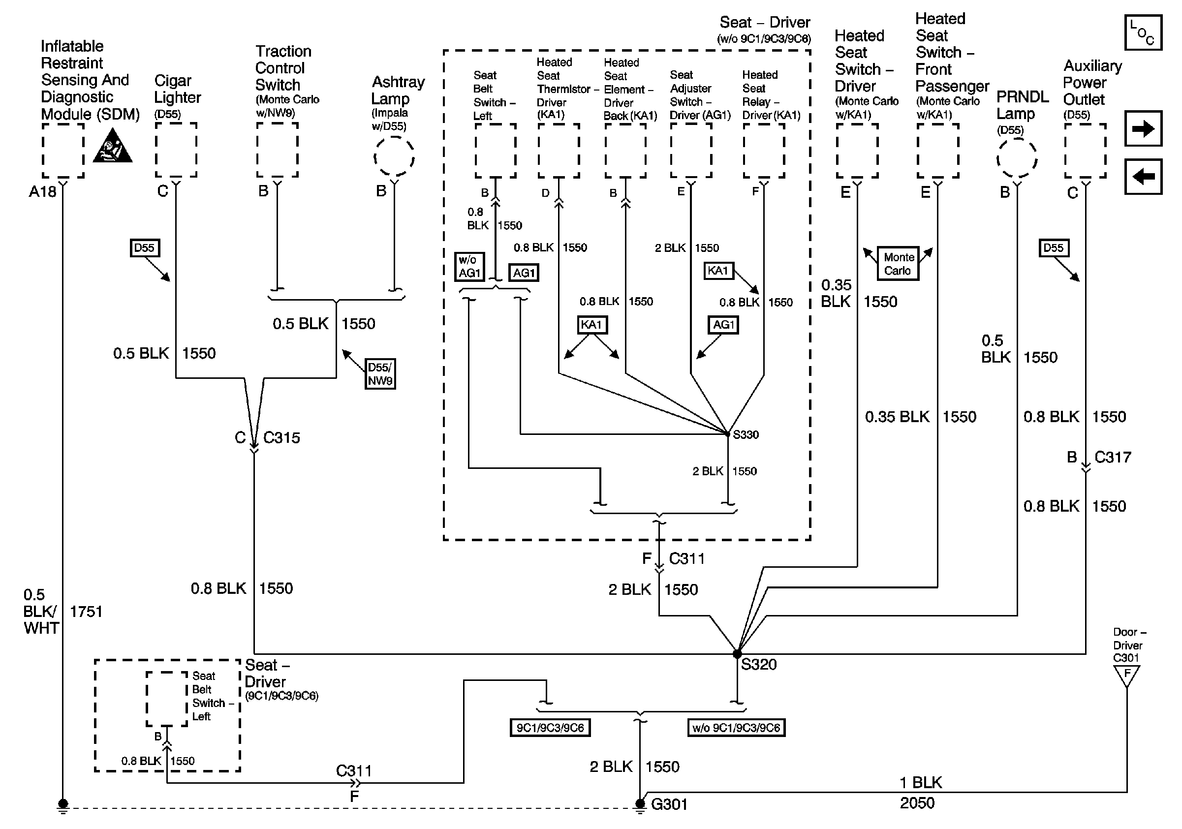
🢒 G301 (1 of 2)
G301 (1 of 2)
G301 (1 of 2)
Master Electrical Component List
G301 (2 of 2)
G203 (3 of 3)
Power and Grounding Schematic Icons
G301 (2 of 2)