GM Service Manual Online
For 1990-2009 cars only
Makes
🢒
Chevrolet
🢒
2002
🢒
Impala
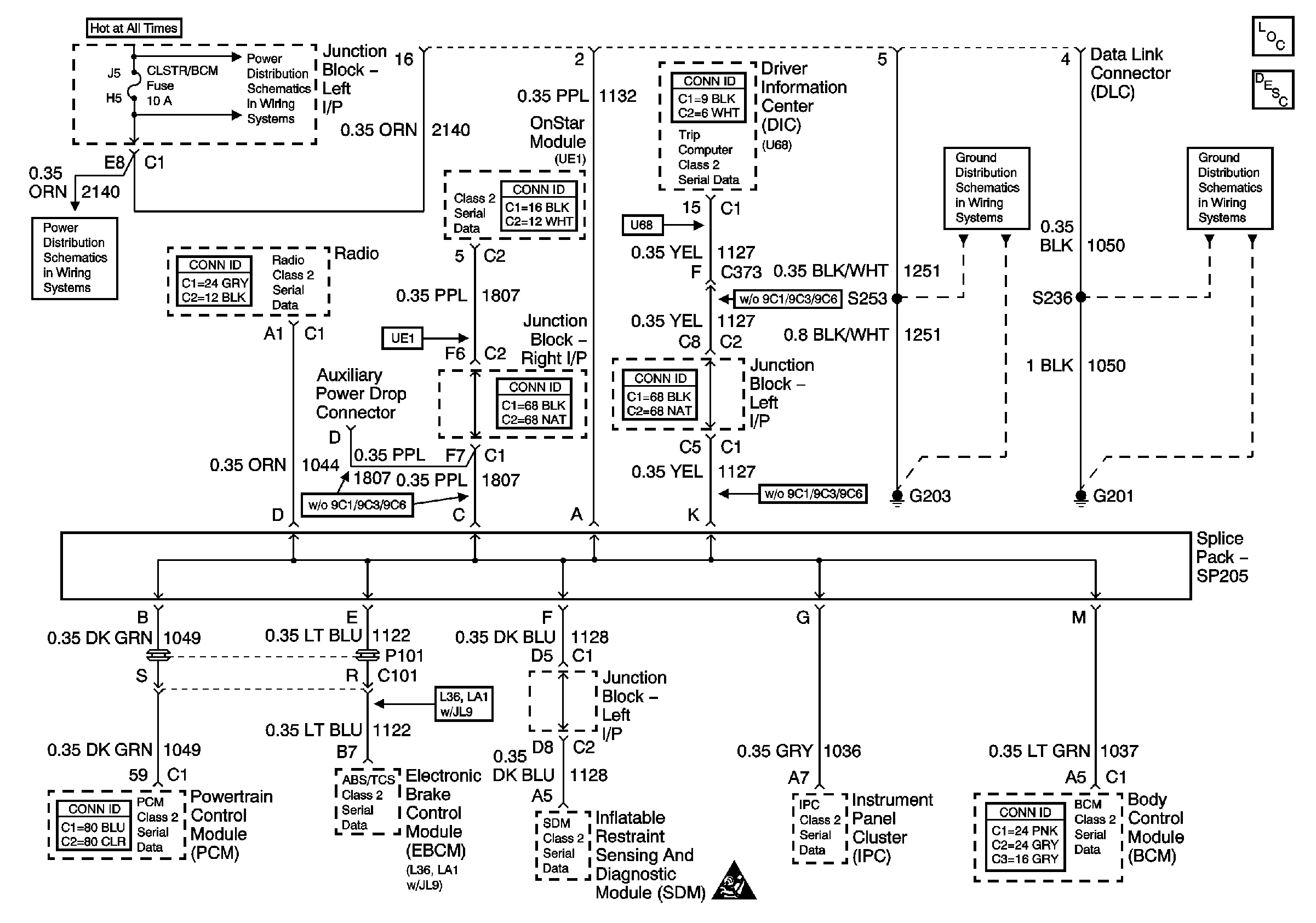
🢒 DLC Schematics
DLC Schematics
Master Electrical Component List
Data Link Communications Description and Operation
CLSTR/BCM, DR LK, LEFT IP, LT HTD ST/BCM, and PWR MIR Fuses, RETAINED ACCSRY PWR BRKR Circuit Breaker, HEADLAMP, and RETAINED ACCSRY PWR Relays
CLSTR/BCM, DR LK, LEFT IP, LT HTD ST/BCM, and PWR MIR Fuses, RETAINED ACCSRY PWR BRKR Circuit Breaker, HEADLAMP, and RETAINED ACCSRY PWR Relays
Data Link Communications Schematic Icons
G203 (1 of 3)
G201 (1 of 2)