GM Service Manual Online
For 1990-2009 cars only
Makes
🢒
Chevrolet
🢒
2002
🢒
Impala
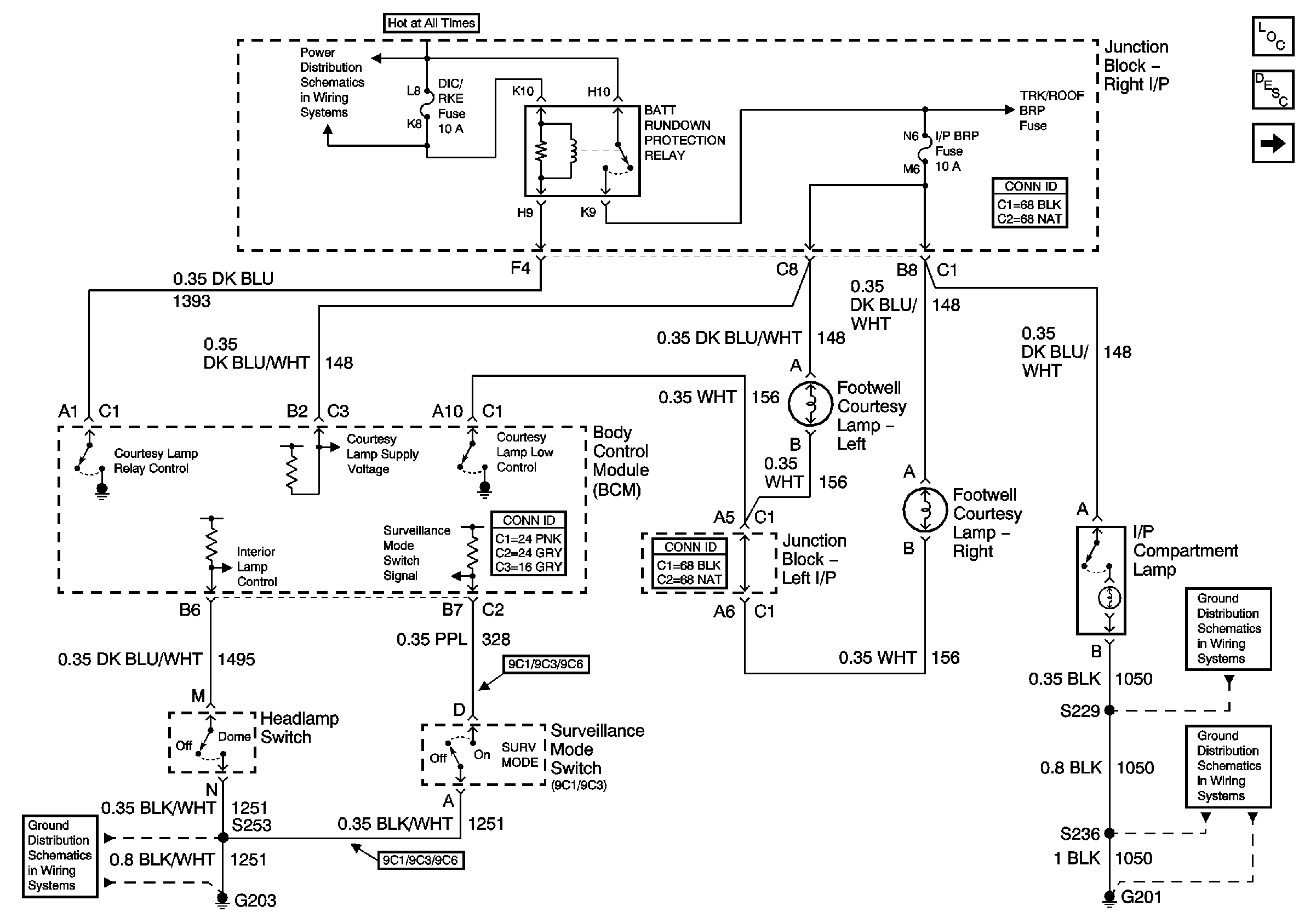
🢒 Courtesy Lamps Control, and I/P
Courtesy Lamps Control, and I/P
Courtesy Lamps Control, and I/P
Master Electrical Component List
Data Link Communications Description and Operation
Rear Compartment
B/U LP, DIC/RKE, PWR DROP, and RH HTD ST Fuses, PWR SEATS Circuit Breaker
Rear Compartment
G201 (2 of 2)
G201 (1 of 2)
G203 (1 of 3)