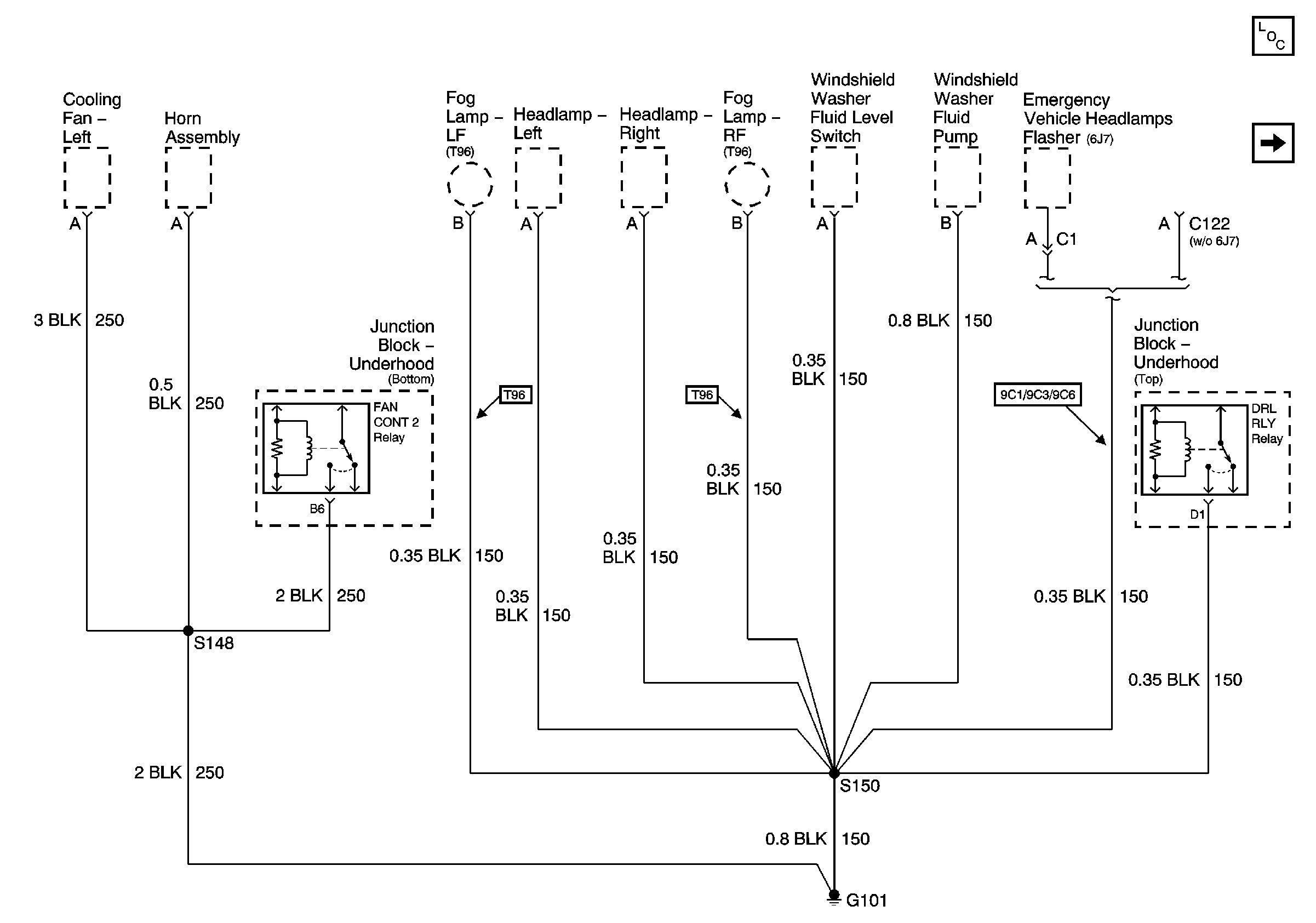
| Figure 1: |
G101
|
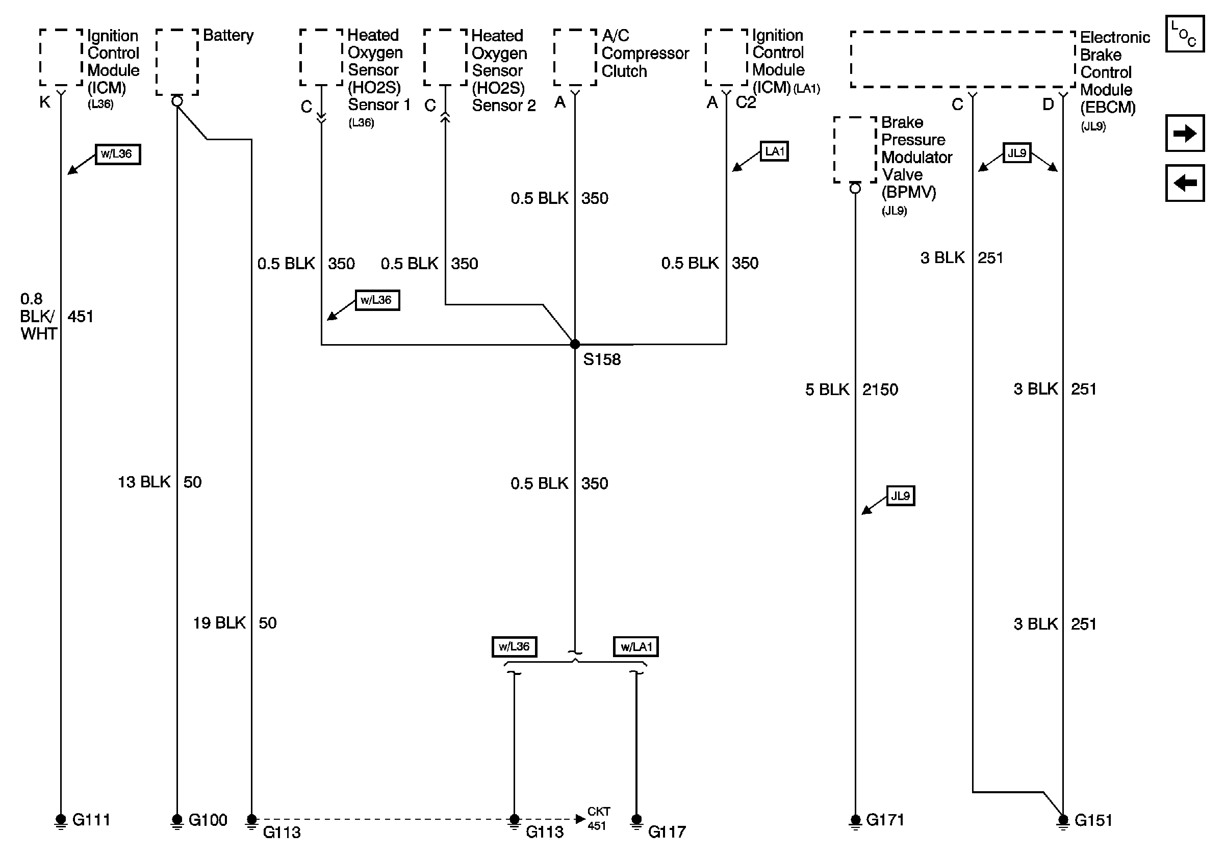
| Figure 2: |
G100, G111, G113 (1 of 2), G117,G151, and G171
|
| Figure 3: |
G113 (2 of 2)
|
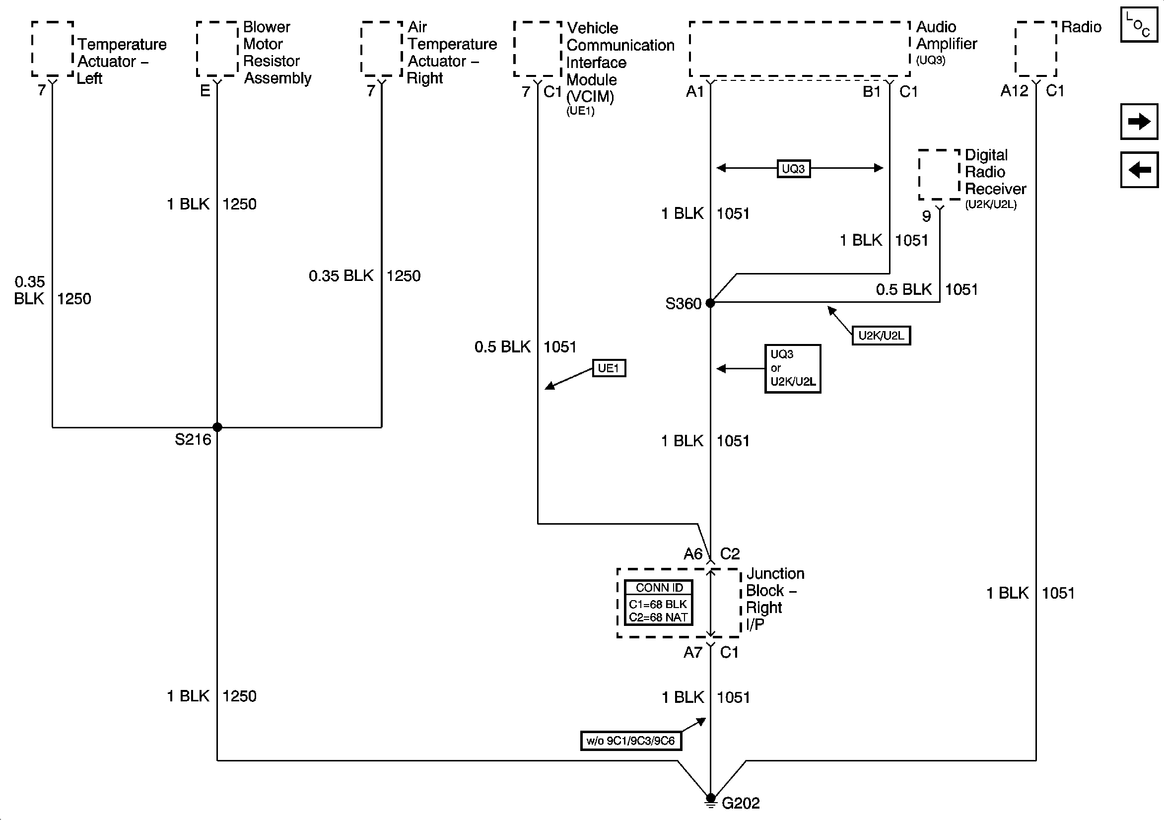
| Figure 4: |
G201 (1 of 2)
|
| Figure 5: |
G201 (2 of 2) (Early Production)
|
| Figure 6: |
G201 (2 of 2) (Late Production)
|
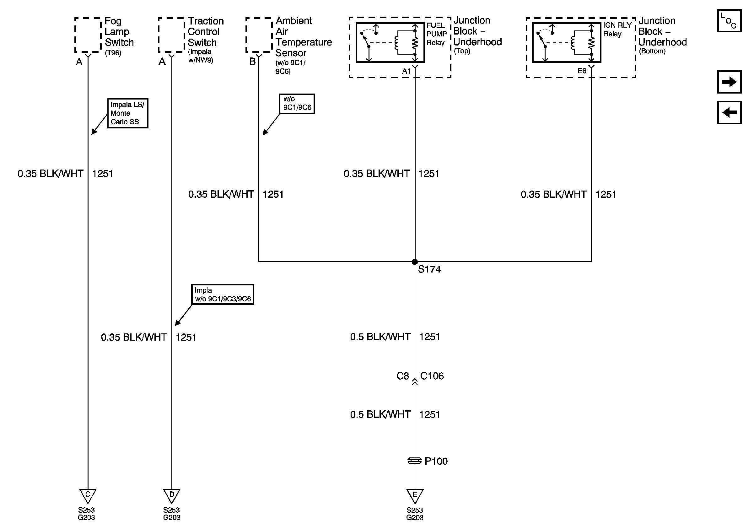
| Figure 7: |
G202
|
| Figure 8: |
G203 (1 of 3)
|
| Figure 9: |
G203 (2 of 3)
|
| Figure 10: |
G203 (3 of 3)
|
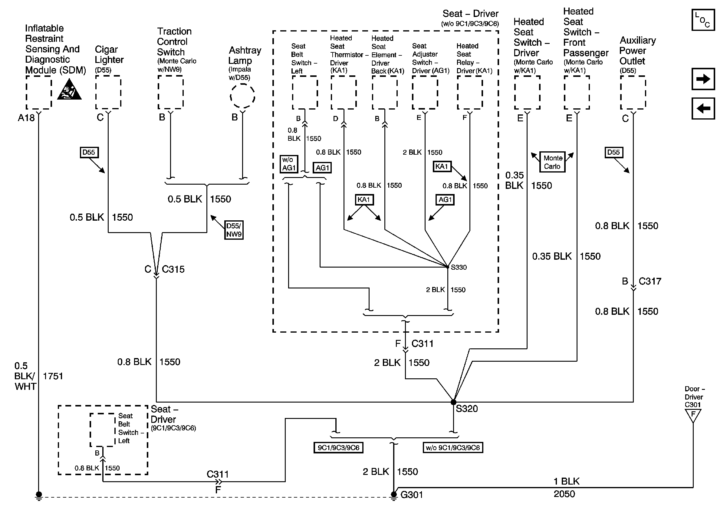
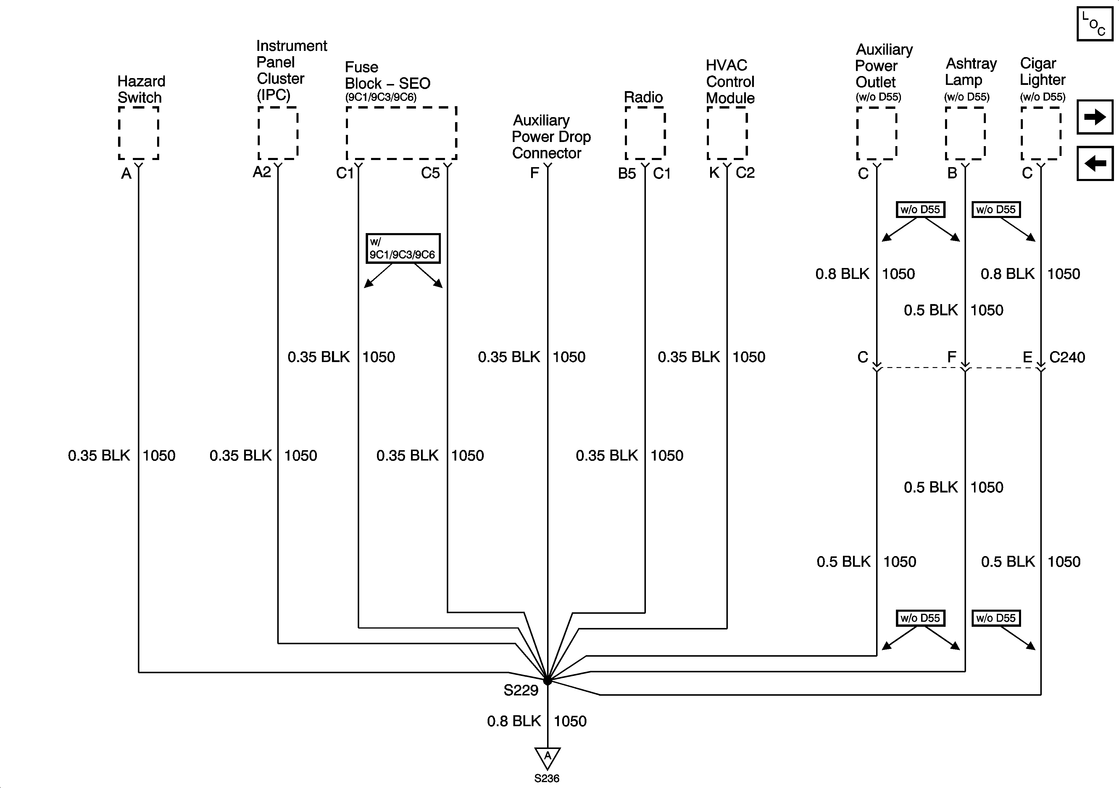
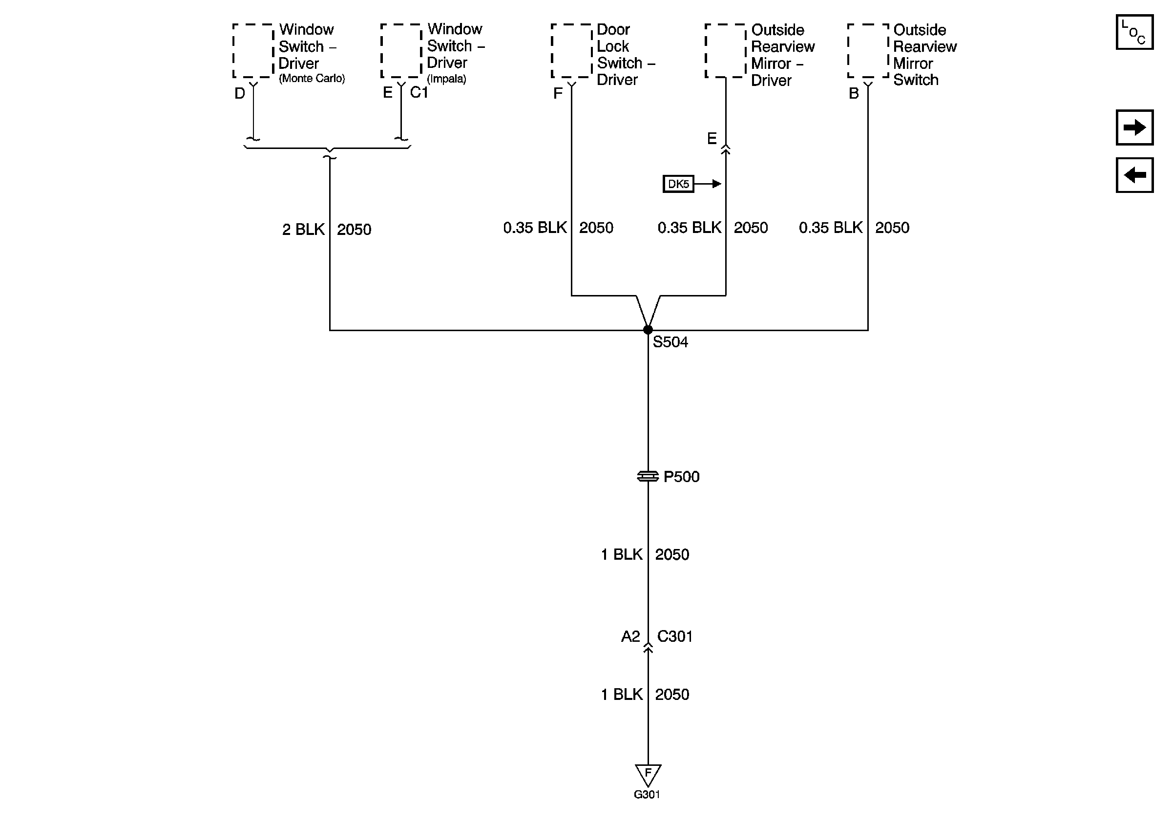
| Figure 11: |
G301 (1 of 2)
|
| Figure 12: |
G301 (2 of 2)
|
| Figure 13: |
G302 (1 of 2)
|
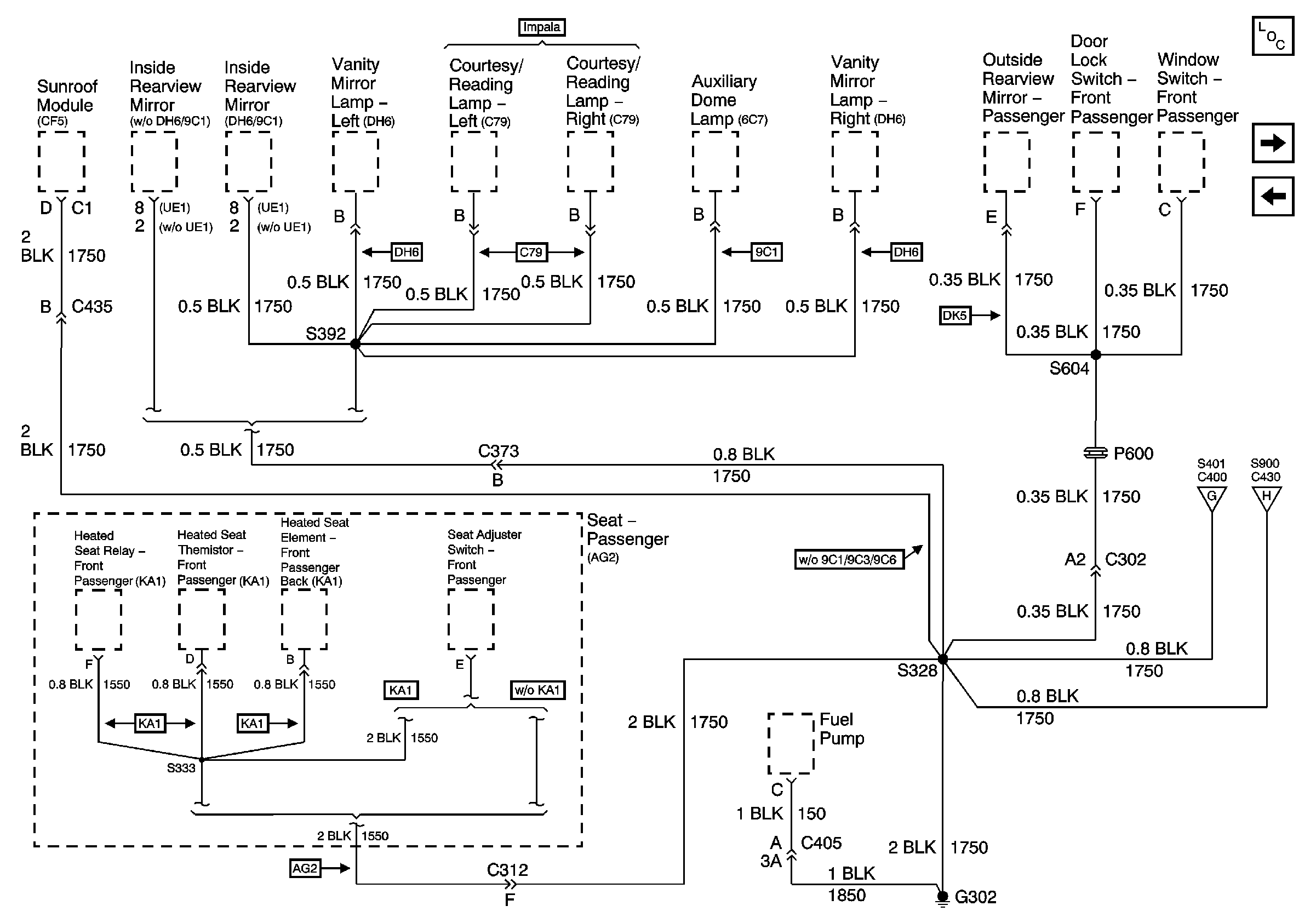
| Figure 14: |
G302 (2 of 2) and G309
|