GM Service Manual Online
For 1990-2009 cars only

Removal Procedure

    Caution: Refer to Battery Disconnect Caution in the Preface section.

  1. Disconnect the battery negative cable. Refer to Battery Negative Cable Disconnection and Connection in Engine Electrical.
  2. Remove the IP lower trim panel. Refer to Instrument Panel Lower Trim Panel Replacement in Instrument Panel, Gages, and Console.

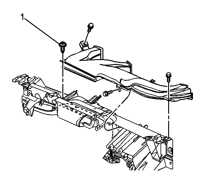
  3. Object Number: 812951  Size: SH
  4. Remove the retaining screw (1) from the panel air duct.
  5. Remove the retaining bolts from the panel air duct.
  6. Remove the panel air duct from the cross vehicle beam.
  7. Remove the steering column. Refer to Steering Column Replacement in Steering Wheel and Column.
  8. Disconnect the left side fuse block from the cross vehicle beam.
  9. Remove the passenger knee bolster bracket. Refer to Passenger Knee Bolster Bracket Replacement in Instrument Panel, Gages, and Console.
  10. Position the body control module away from the cross vehicle beam.
  11. Remove the brake pedal. Refer to Brake Pedal Assembly Replacement in Hydraulic Brakes.
  12. Remove the three brake pedal brace bolts from the cross vehicle beam.
  13. Disconnect any ground wires, as necessary.
  14. Release the wiring harness retaining clips from the cross vehicle beam and position the wiring harness aside.

  15. Object Number: 558111  Size: SH
  16. Remove the bolts from the HVAC module center support.
  17. Remove the bracket from the HVAC module center support.
  18. Reposition the vacuum harness.

  19. Object Number: 558113  Size: SH
  20. Remove the bracket bolts from the HVAC module upper support.

  21. Object Number: 812572  Size: SH
  22. Remove the bolts from the right and left side of the cross vehicle beam.

  23. Object Number: 558194  Size: SH
  24. Remove the cross vehicle beam.

  25. Object Number: 507705  Size: SH
  26. Remove the defroster air duct retaining bolts.
  27. Remove the defroster air duct from the cross vehicle beam.

Installation Procedure


    Object Number: 507705  Size: SH
  1. Install the defroster air duct to the cross vehicle beam.
  2. Notice: Use the correct fastener in the correct location. Replacement fasteners must be the correct part number for that application. Fasteners requiring replacement or fasteners requiring the use of thread locking compound or sealant are identified in the service procedure. Do not use paints, lubricants, or corrosion inhibitors on fasteners or fastener joint surfaces unless specified. These coatings affect fastener torque and joint clamping force and may damage the fastener. Use the correct tightening sequence and specifications when installing fasteners in order to avoid damage to parts and systems.

  3. Install the defroster air duct bolts.
  4. Tighten
    Tighten the bolts to 10 N·m (89 lb in).


    Object Number: 558194  Size: SH
  5. Install the cross vehicle beam to the vehicle.

  6. Object Number: 812572  Size: SH
  7. Install the bolts to the right and left side of the cross vehicle beam.
  8. Tighten the bolts to the right and left side of the cross vehicle beam in sequence.
  9. Tighten
    Tighten the bolts to 25 N·m (18 lb ft).


    Object Number: 558113  Size: SH
  10. Install the bracket bolts to the HVAC module upper support.
  11. Tighten
    Tighten the bolts to 10 N·m (89 lb in).

  12. Install the passenger knee bolster bracket. Refer to Passenger Knee Bolster Bracket Replacement in Instrument Panel, Gages, and Console.

  13. Object Number: 558111  Size: SH
  14. Install the bracket to the HVAC module center support.
  15. Reposition the vacuum harness to the original position.
  16. Install the bracket bolts to the HVAC module center support.
  17. Tighten
    Tighten the bracket bolts in sequence to 10 N·m (89 lb in).

  18. Reposition the IP wiring harness on to the cross vehicle beam and secure the retaining clips.
  19. Connect all disconnected ground wires.
  20. Install the three brake pedal brace bolts.
  21. Tighten
    Tighten the bolts to 50 N·m (37 lb ft).

  22. Install the brake pedal. Refer to Brake Pedal Assembly Replacement in Hydraulic Brakes.
  23. Reposition the body control module in place.
  24. Install the left fuse block to the cross vehicle beam.
  25. Install the steering column. Refer to Steering Column Replacement in Steering Wheel and Column.

  26. Object Number: 812951  Size: SH
  27. Install the panel air duct to the cross vehicle beam.
  28. Install the panel air duct screw (1).
  29. Tighten
    Tighten the screw to 1.8 N·m (16 lb in).

  30. Instal the panel air duct bolts.
  31. Tighten
    Tighten the bolts to 10 N·m (89 lb in).

  32. Install the lower trim panel. Refer to Instrument Panel Lower Trim Panel Replacement in Instrument Panel, Gages, and Console.
  33. Connect the battery negative cable. Refer to Battery Negative Cable Disconnection and Connection in Engine Electrical.