GM Service Manual Online
For 1990-2009 cars only
Makes
🢒
Chevrolet
🢒
2003
🢒
Impala
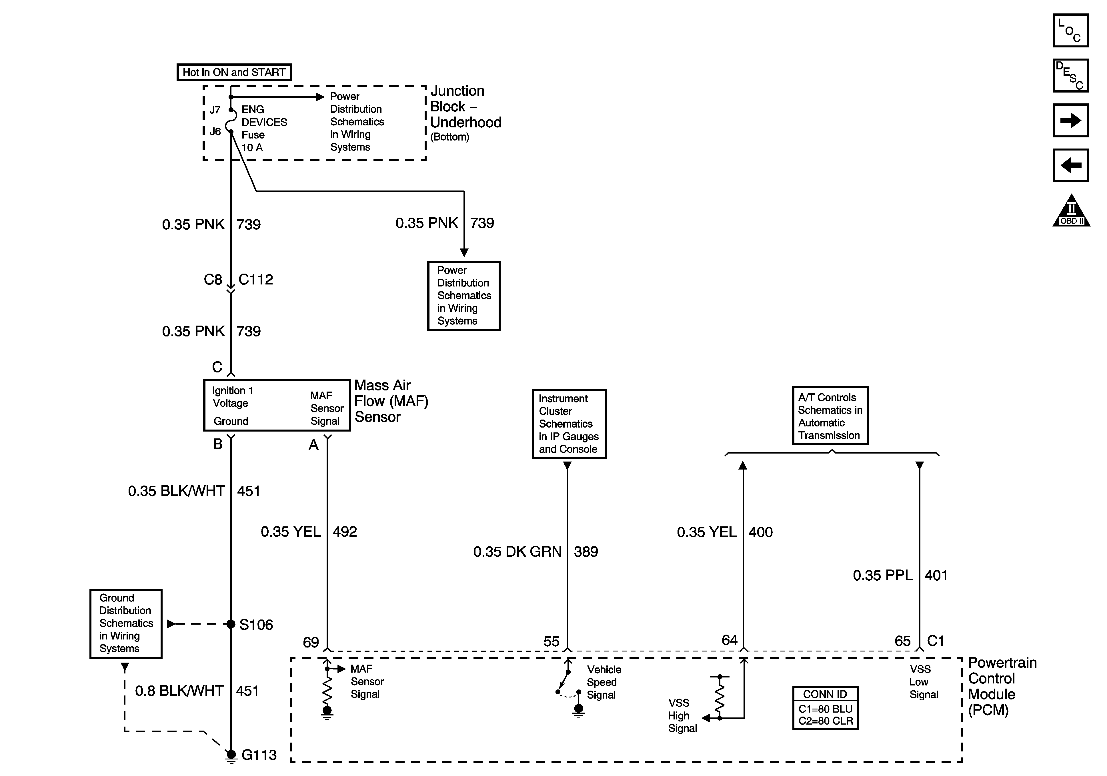
🢒 MAF, and VSS
MAF, and VSS
MAF and VSS
Master Electrical Component List
Air Intake System Description
HO2S
ECT, IAT, MAP, and TP Sensors
Engine Controls Schematic Icons
Junction Block-Underhood [Bottom View]
Junction Block-Underhood [Bottom View]
Ground, Odometer/PRNDL, Power, and VSS
ISS, Pressure Control, Switches, and VSS
G113 [2 of 2]