GM Service Manual Online
For 1990-2009 cars only
Makes
🢒
Chevrolet
🢒
2003
🢒
Impala
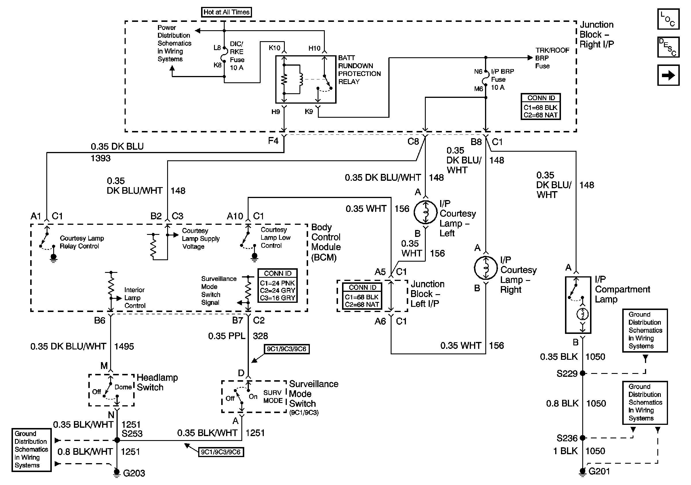
🢒 Courtesy Lamps Control, and I/P
Courtesy Lamps Control, and I/P
Courtesy Lamps Control, and I/P (Early Production)
Master Electrical Component List
Interior Lighting Systems Description and Operation
Rear Compartment
B/U LP, DIL/RKE, PWR DROP, and RT HTD ST Fuses
G201 [2 of 2]
G201 [1 of 2]
Rear Compartment
G203 [1 of 3]