GM Service Manual Online
For 1990-2009 cars only
Figure 1:

G101


Object Number: 1314775  Size: FS
Master Electrical Component List
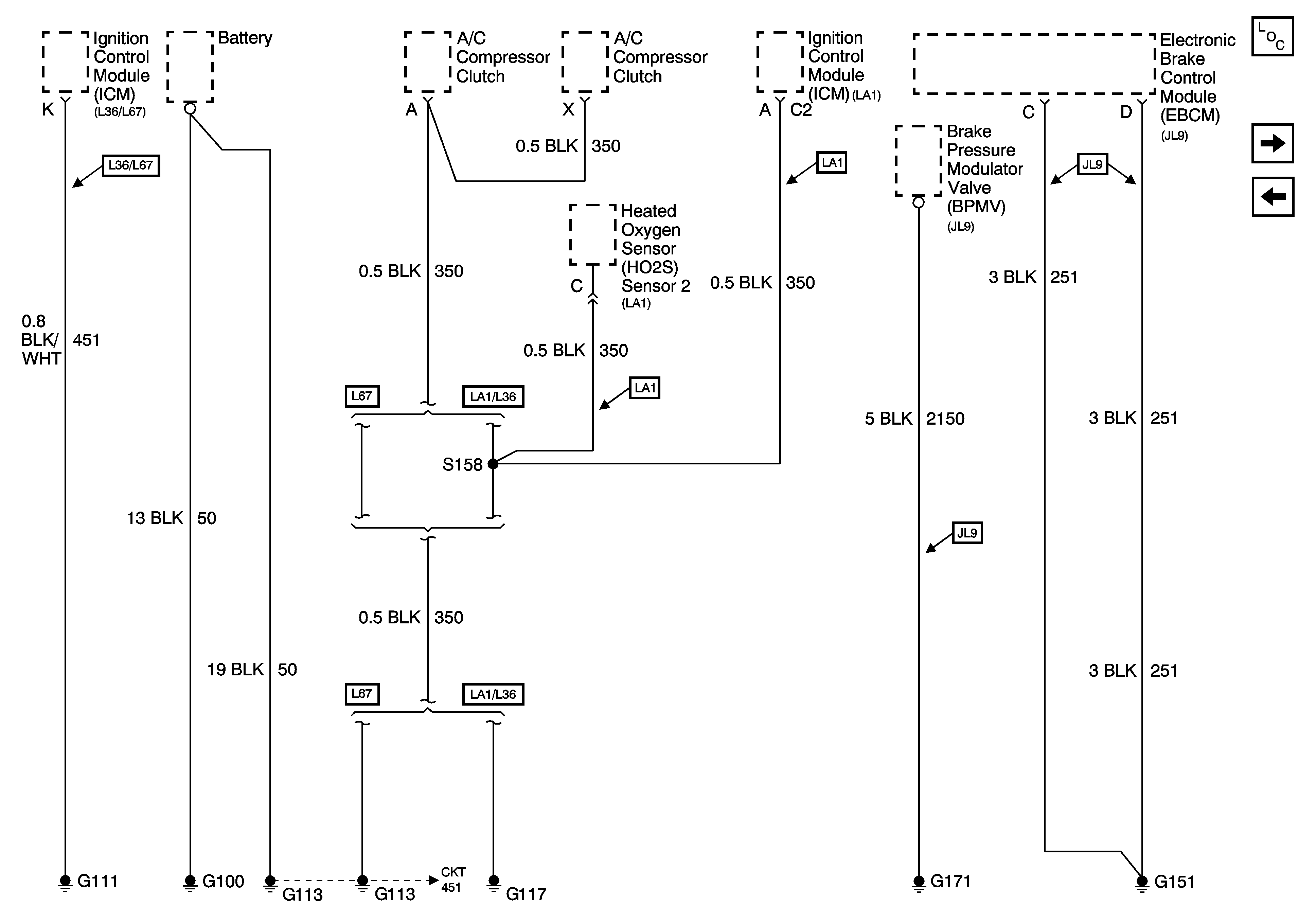
G100, G111, G113 [1 of 2], G117, G151, and G171
Figure 2:

G100, G111, G113 (1 of 2), G117,G151, and G171


Object Number: 1313724  Size: FS
Master Electrical Component List
G113 [2 of 2]
G101
Figure 3:

G113 - 2 of 2


Object Number: 1314779  Size: FS
Master Electrical Component List
G201 [1 of 2]
G100, G111, G113 [1 of 2], G117, G151, and G171
Figure 4:

G201 - 1 of 2


Object Number: 1314780  Size: FS
Master Electrical Component List
G201 [2 of 2]
G113 [2 of 2]
G201 [2 of 2]
SIR Caution for Zoning
Figure 5:

G201 - 2 of 2


Object Number: 1314782  Size: FS
Master Electrical Component List
G202
G201 [1 of 2]
G201 [1 of 2]
Figure 6:

G202


Object Number: 1314785  Size: FS
Master Electrical Component List
G203 [1 of 3]
G201 [2 of 2]
Figure 7:

G203 - 1 of 3


Object Number: 1314787  Size: FS
Master Electrical Component List
G203 [2 of 3]
G202
G203 [2 of 3]
G203 [3 of 3]
G203 [3 of 3]
G203 [3 of 3]
Figure 8:

G203 - 2 of 3


Object Number: 1314788  Size: FS
Master Electrical Component List
G203 [3 of 3]
G203 [1 of 3]
G203 [1 of 3]
Figure 9:

G203 - 3 of 3


Object Number: 1314789  Size: FS
Master Electrical Component List
G301 [1 of 2]
G203 [2 of 3]
G203 [1 of 3]
G203 [1 of 3]
G203 [1 of 3]
Figure 10:

G301 - 1 of 2


Object Number: 1314790  Size: FS
Master Electrical Component List
G301 [2 of 2]
G203 [3 of 3]
SIR Caution for Zoning
G301 [2 of 2]
Figure 11:

G301 - 2 of 2


Object Number: 885128  Size: FS
Master Electrical Component List
G203 [1 of 2]
G301 [1 of 2]
G301 [1 of 2]
Figure 12:

G302 - 1 of 2


Object Number: 1314791  Size: FS
Master Electrical Component List
G302 [2 of 2], and G 309
G301 [2 of 2]
G302 [2 of 2], and G 309
G302 [2 of 2], and G 309
Figure 13:

G302 (2 of 2) and G309


Object Number: 1314792  Size: FS
Master Electrical Component List
G203 [1 of 2]
G203 [1 of 2]
G203 [1 of 2]