GM Service Manual Online
For 1990-2009 cars only

Removal Procedure

    Caution: Refer to Battery Disconnect Caution in the Preface section.

  1. Disconnect the battery negative cable. Refer to Battery Negative Cable Disconnection and Connection in Engine Electrical.
  2. Remove the I/P lower trim panel. Refer to Instrument Panel Lower Trim Panel Replacement in Instrument Panel, Gages, and Console.

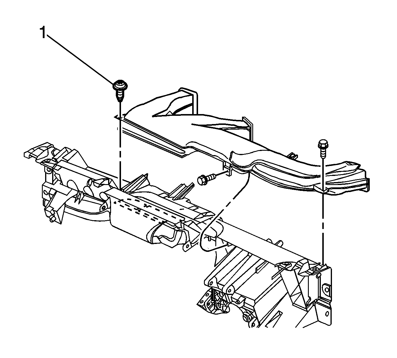
  3. Object Number: 1346230  Size: SH
  4. Remove the retaining screw (1) from the panel air duct.
  5. Remove the retaining bolts from the panel air duct.
  6. Remove the panel air duct from the cross vehicle beam.
  7. Remove the bolts from the left side fuse block to cross vehicle beam.
  8. Disconnect the left side fuse block wire harness from the cross vehicle beam.
  9. Position the left side fuse block aside.
  10. Disconnect the wire harness connectors from the body control module.
  11. Disconnect the body control module from the cross vehicle beam.
  12. Remove the body control module from the vehicle.
  13. Remove the bolts from the right side fuse block to cross vehicle beam.
  14. Disconnect the right side fuse block wire harness from the cross vehicle beam.
  15. Position the right side fuse block aside.
  16. Remove the brake pedal. Refer to Brake Pedal Assembly Replacement in Hydraulic Brakes.
  17. Remove the 3 brake pedal brace bolts from the cross vehicle beam.
  18. Disconnect any ground wires, as necessary.
  19. Disconnnect the electrical connector from the HVAC module assembly to main wire harness connector.
  20. Release the wiring harness retaining clips from the cross vehicle beam and position the wiring harness aside.

  21. Object Number: 1197447  Size: SH
  22. Remove the bolts from the HVAC module upper support.

  23. Object Number: 1098873  Size: SH
  24. Remove the bolt (1) from the left side of the HVAC module assembly lower support.
  25. Remove the bolt (2) from the right side of the HVAC module assembly lower support.

  26. Object Number: 812572  Size: SH
  27. Remove the bolts from the right and left side of the cross vehicle beam.

  28. Object Number: 558194  Size: SH
  29. Remove the cross vehicle beam.

  30. Object Number: 507705  Size: SH
  31. Remove the defroster air duct retaining bolts.
  32. Remove the defroster air duct from the cross vehicle beam.

Installation Procedure


    Object Number: 507705  Size: SH
  1. Install the defroster air duct to the cross vehicle beam.
  2. Notice: Use the correct fastener in the correct location. Replacement fasteners must be the correct part number for that application. Fasteners requiring replacement or fasteners requiring the use of thread locking compound or sealant are identified in the service procedure. Do not use paints, lubricants, or corrosion inhibitors on fasteners or fastener joint surfaces unless specified. These coatings affect fastener torque and joint clamping force and may damage the fastener. Use the correct tightening sequence and specifications when installing fasteners in order to avoid damage to parts and systems.

  3. Install the defroster air duct bolts.
  4. Tighten
    Tighten the bolts to 10 N·m (89 lb in).


    Object Number: 558194  Size: SH
  5. Install the cross vehicle beam to the vehicle.

  6. Object Number: 812572  Size: SH
  7. Install the bolts to the right and left side of the cross vehicle beam.
  8. Tighten the bolts to the right and left side of the cross vehicle beam in sequence.
  9. Tighten
    Tighten the bolts to 25 N·m (18 lb ft).


    Object Number: 1197447  Size: SH
  10. Install the bolts to the HVAC module upper support.
  11. Tighten
    Tighten the bolts to 4 N·m (35 lb in).


    Object Number: 1098873  Size: SH
  12. Install the bolt (1) to the left side of the HVAC module assembly lower support.
  13. Tighten
    Tighten the bolt to 4 N·m (35 lb in).

  14. Install the bolt (2) to the right side of the HVAC module assembly lower support.
  15. Tighten
    Tighten the bolt to 4 N·m (35 lb in).

  16. Reposition the I/P wiring harness on to the cross vehicle beam and secure the retaining clips.
  17. Connect all disconnected ground wires.
  18. Connnect the electrical connector from the HVAC module assembly to main harness connector.
  19. Install the three brake pedal brace bolts.
  20. Tighten
    Tighten the bolts to 50 N·m (37 lb ft).

  21. Install the brake pedal. Refer to Brake Pedal Assembly Replacement in Hydraulic Brakes.
  22. Install the body control module to the cross vehicle beam.
  23. Connect the wire harness connectors to the body control module.
  24. Install the left side fuse block to the cross vehicle beam.
  25. Install the bolts to the left side fuse block.
  26. Tighten
    Tighten the bolts to 10 N·m (89 in lb).

  27. Install the right side fuse block to the cross vehicle beam.
  28. Install the bolt to the right side fuse block.
  29. Tighten
    Tighten the bolt to 10 N·m (89 in lb).


    Object Number: 1346230  Size: SH
  30. Install the panel air duct to the cross vehicle beam.
  31. Install the panel air duct screw (1).
  32. Tighten
    Tighten the screw to 1.8 N·m (16 lb in).

  33. Instal the panel air duct bolts.
  34. Tighten
    Tighten the bolts to 10 N·m (89 lb in).

  35. Install the I/P lower trim panel. Refer to Instrument Panel Lower Trim Panel Replacement in Instrument Panel, Gages, and Console.
  36. Connect the battery negative cable. Refer to Battery Negative Cable Disconnection and Connection in Engine Electrical.