GM Service Manual Online
For 1990-2009 cars only

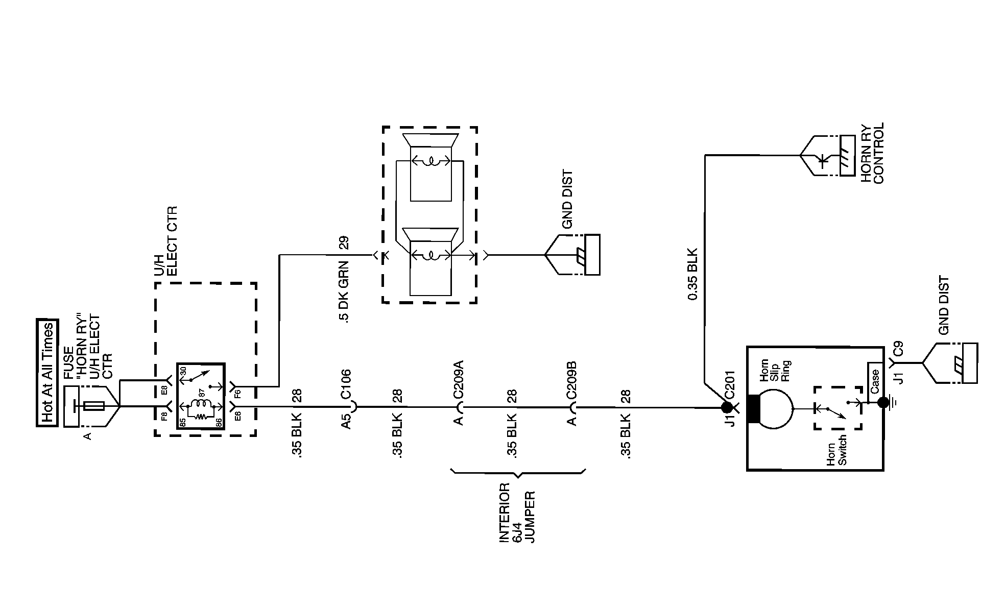
Object Number: 1258683  Size: B4

This provision permits customer connection of a switch to select either horn or siren operation when the horn pad is pressed.

Two 22 gauge (0.35 mm²) wires are connected to an in-line connector in the horn circuit of the instrument panel harness under the instrument panel. The end of this harness extension is in a 5 foot (1.5 m) loop of wire coiled under the instrument panel.

Wiring Diagram for SEO 6J4


Object Number: 845312  Size: C1