GM Service Manual Online
For 1990-2009 cars only
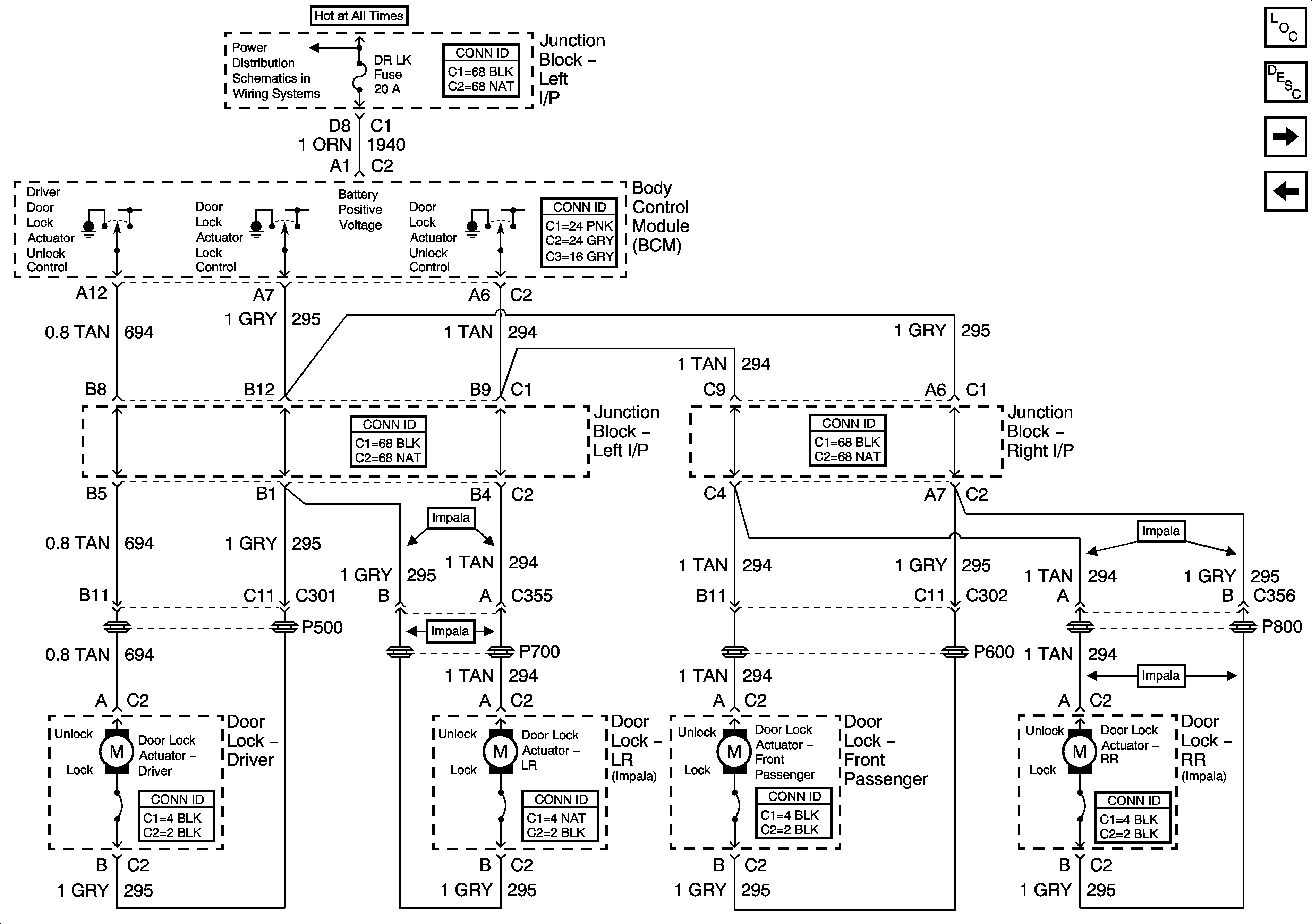
Figure 1:

Lock Switches


Object Number: 1326405  Size: FS
Master Electrical Component List
Power Door Locks Description and Operation
Door Lock Actuators
G203 - 2 of 3
G203 - 1 of 3
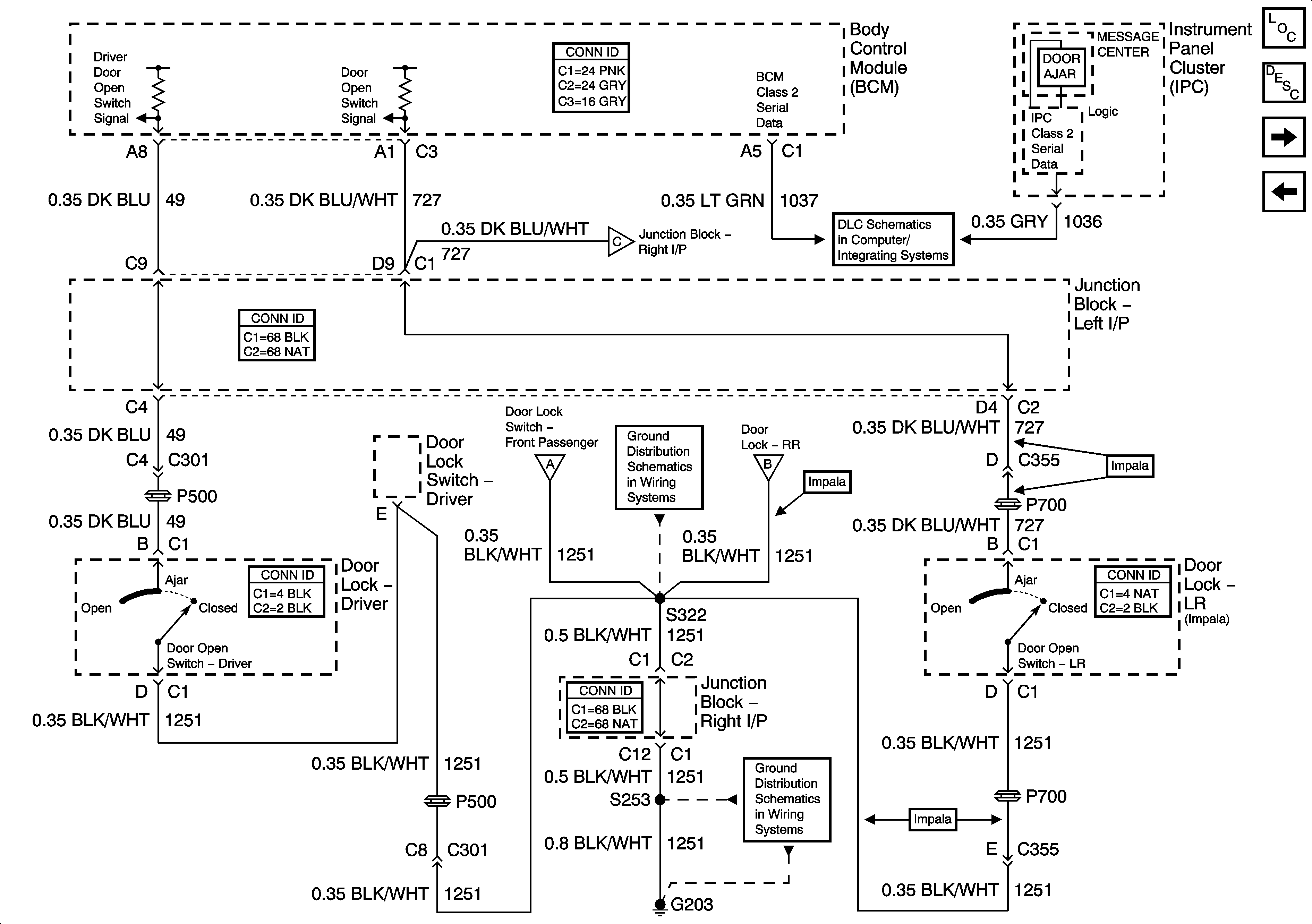
Figure 2:

Door Lock Actuators


Object Number: 789087  Size: FS
Master Electrical Component List
Door Ajar Indicator Description and Operation
Door Open Switches - Left
Lock Switches
CLSTR/BCM, DR LK, LEFT IP, LH HTD ST/BCM and PWR MIR Fuses, RETAINED ACCSRY PWR BRKR Circuit Breaker, and RETAINED ACCSRY PWR Relay
Figure 3:

Door Open Switches - Left


Object Number: 1551497  Size: FS
Master Electrical Component List
Door Ajar Indicator Description and Operation
Door Open Switches - Right
Door Lock Actuators
Door Open Switches - Right
DLC
Door Open Switches - Right
G203 - 2 of 3
Door Open Switches - Right
G203 - 1 of 3
Figure 4:

Door Open Switches - Right


Object Number: 814398  Size: FS
Master Electrical Component List
Door Ajar Indicator Description and Operation
Door Open Switches - Left
Door Open Switches - Left
Door Open Switches - Left
Door Open Switches - Left