GM Service Manual Online
For 1990-2009 cars only
Makes
🢒
Chevrolet
🢒
2005
🢒
Impala
🢒
Body
🢒
Wiring Systems
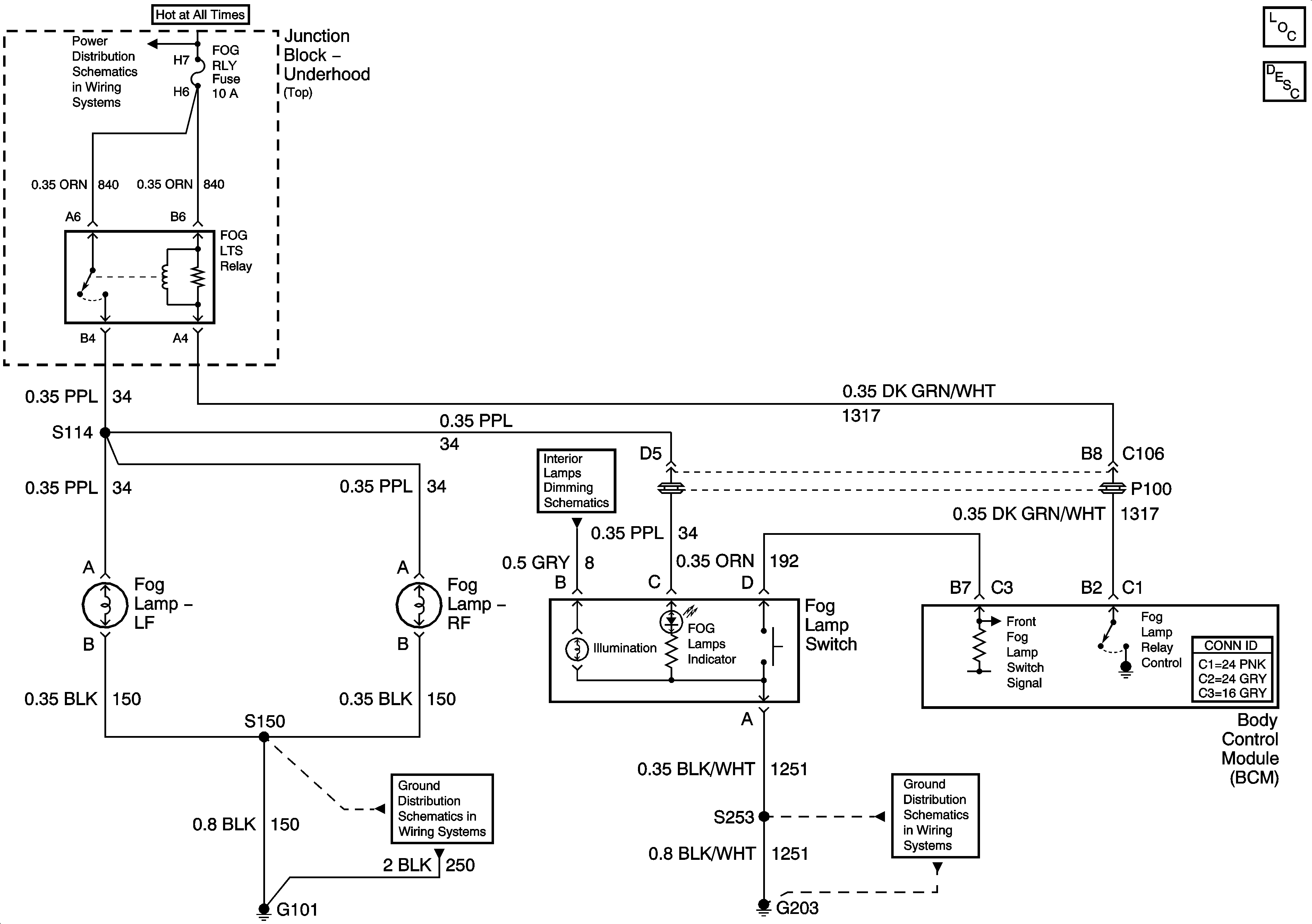
🢒 Fog Lights Schematics
Master Electrical Component List
Exterior Lighting Systems Description and Operation
Junction Block - Underhood (Top) Bussing
G101
Fog Lamp Switch and Front Passenger Door
G203 - 1 of 3