GM Service Manual Online
For 1990-2009 cars only
Makes
🢒
Chevrolet
🢒
2005
🢒
Impala
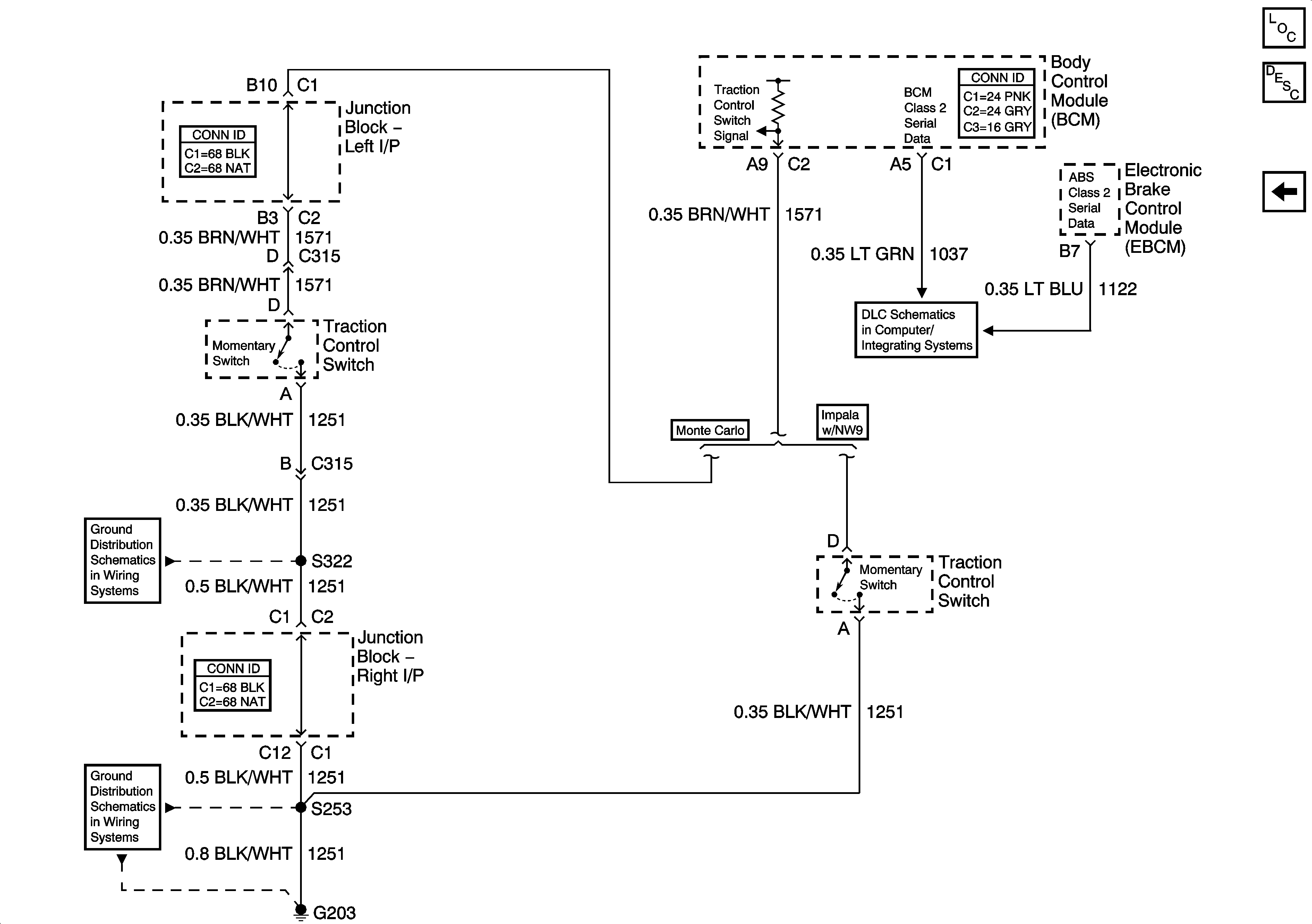
🢒 Traction Control Switch
Traction Control Switch
Traction Control Switch
Master Electrical Component List
ABS Description and Operation
Stop Lamps and Torque Signals
G203 - 2 of 3
G203 - 1 of 3
DLC