GM Service Manual Online
For 1990-2009 cars only
Makes
🢒
Chevrolet
🢒
2005
🢒
Impala
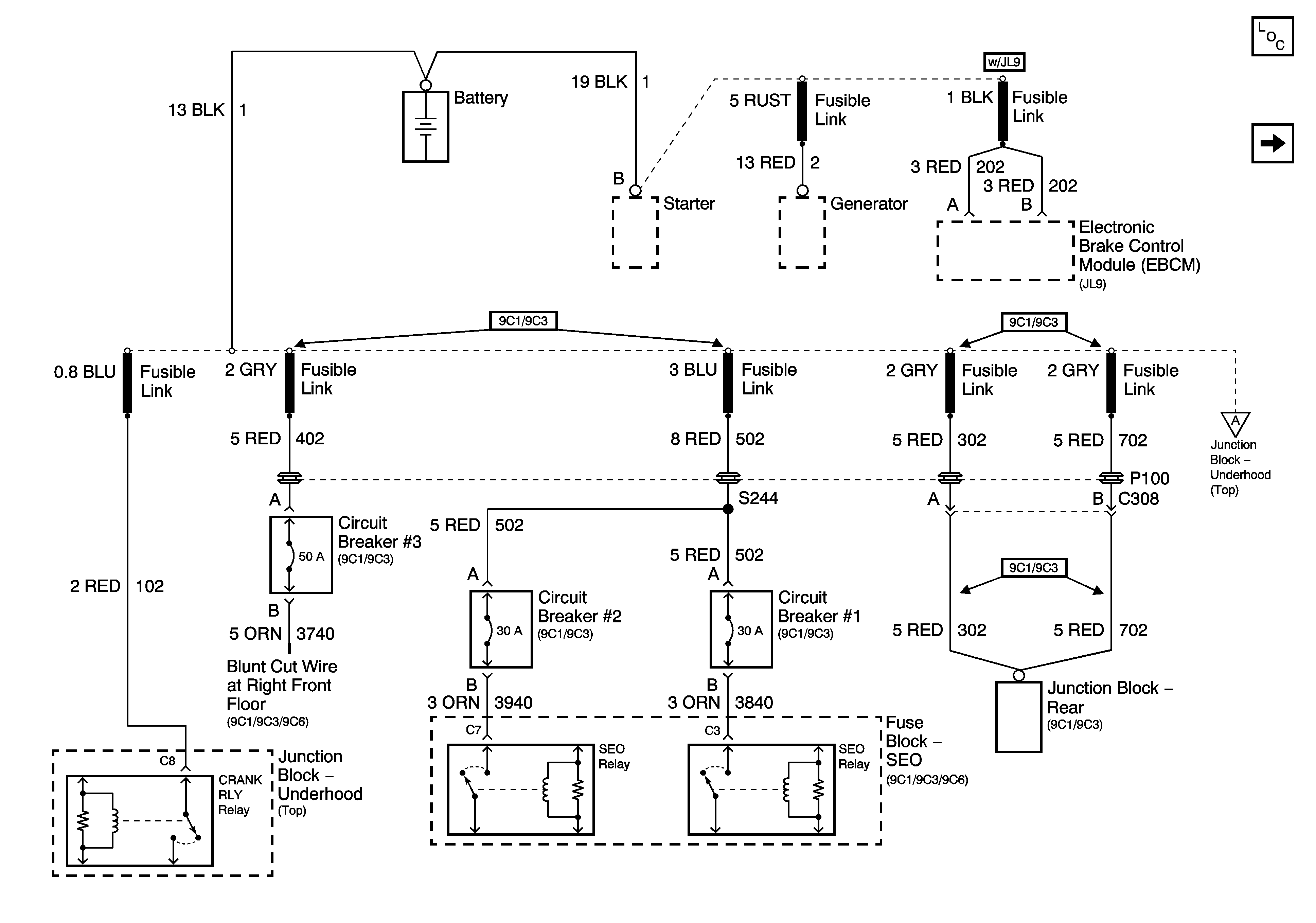
🢒 Fuse Block - SEO and Fusible Links
Fuse Block - SEO and Fusible Links
Fuse Block - SEO and Fusible Links
Master Electrical Component List
Junction Block - Underhood (Top) Bussing
Junction Block - Underhood (Top) Bussing