GM Service Manual Online
For 1990-2009 cars only
Makes
🢒
Chevrolet
🢒
2005
🢒
Impala
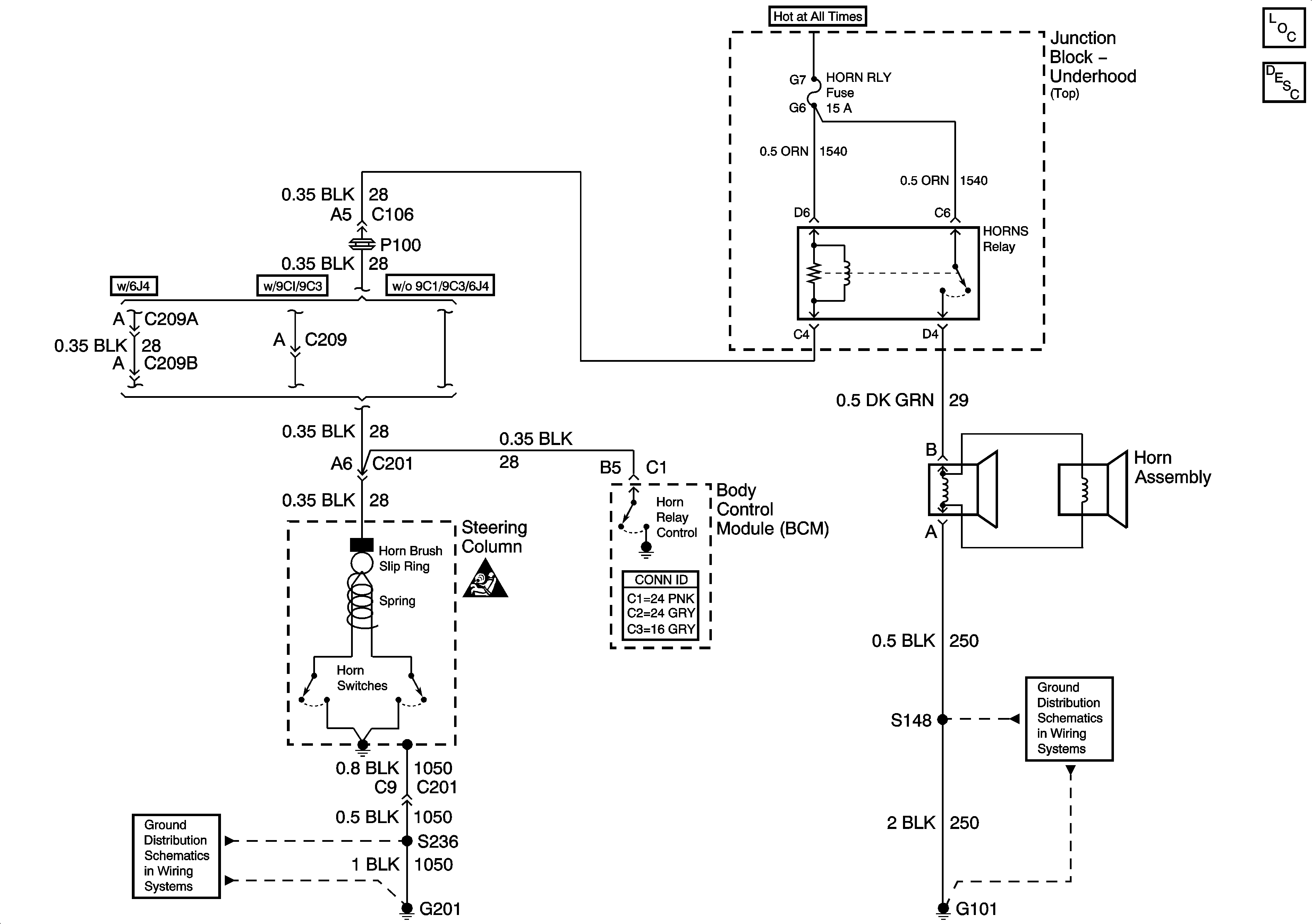
🢒 Horns
Horns
Master Electrical Component List
Horns System Description and Operation
G201 - 1 of 2
SIR Caution for Zoning
G101