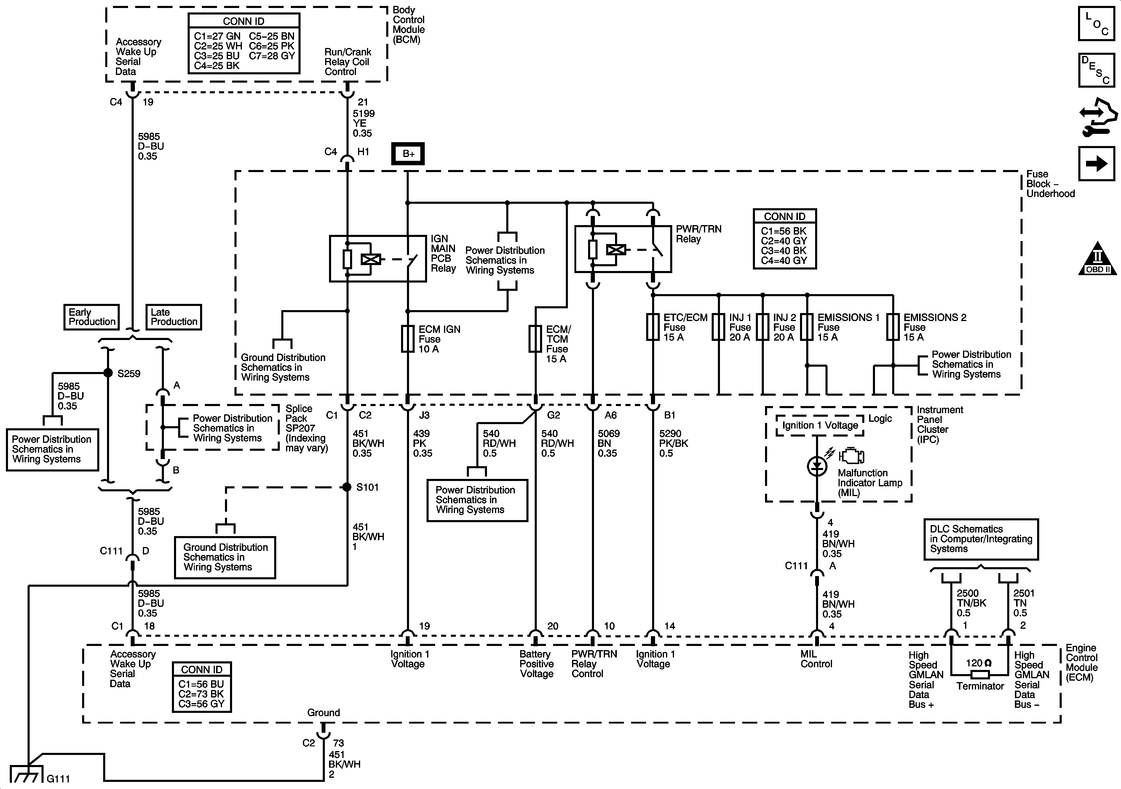
| Figure 1: |
ECM Power, Ground, MIL, and Serial Data
|
| Figure 2: |
5-Volt, and Low Reference Bussing
|
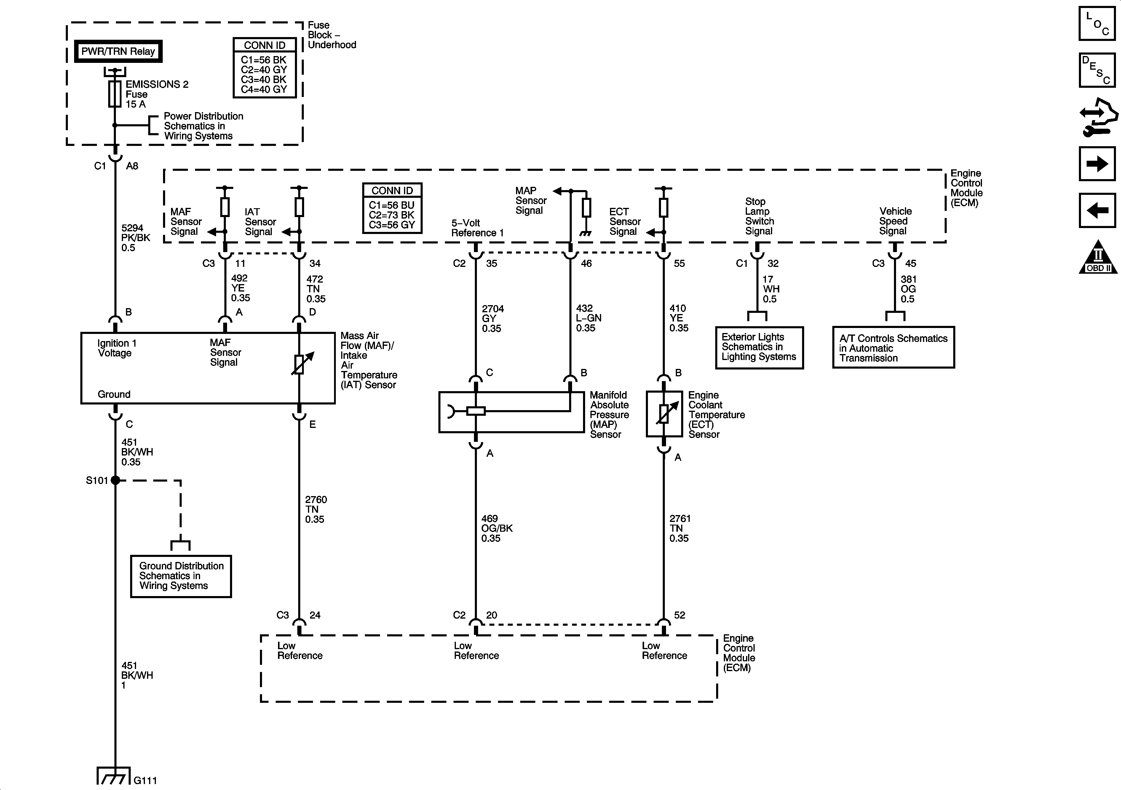
| Figure 3: |
MAP, ECT, and MAF/IAT Sensors
|
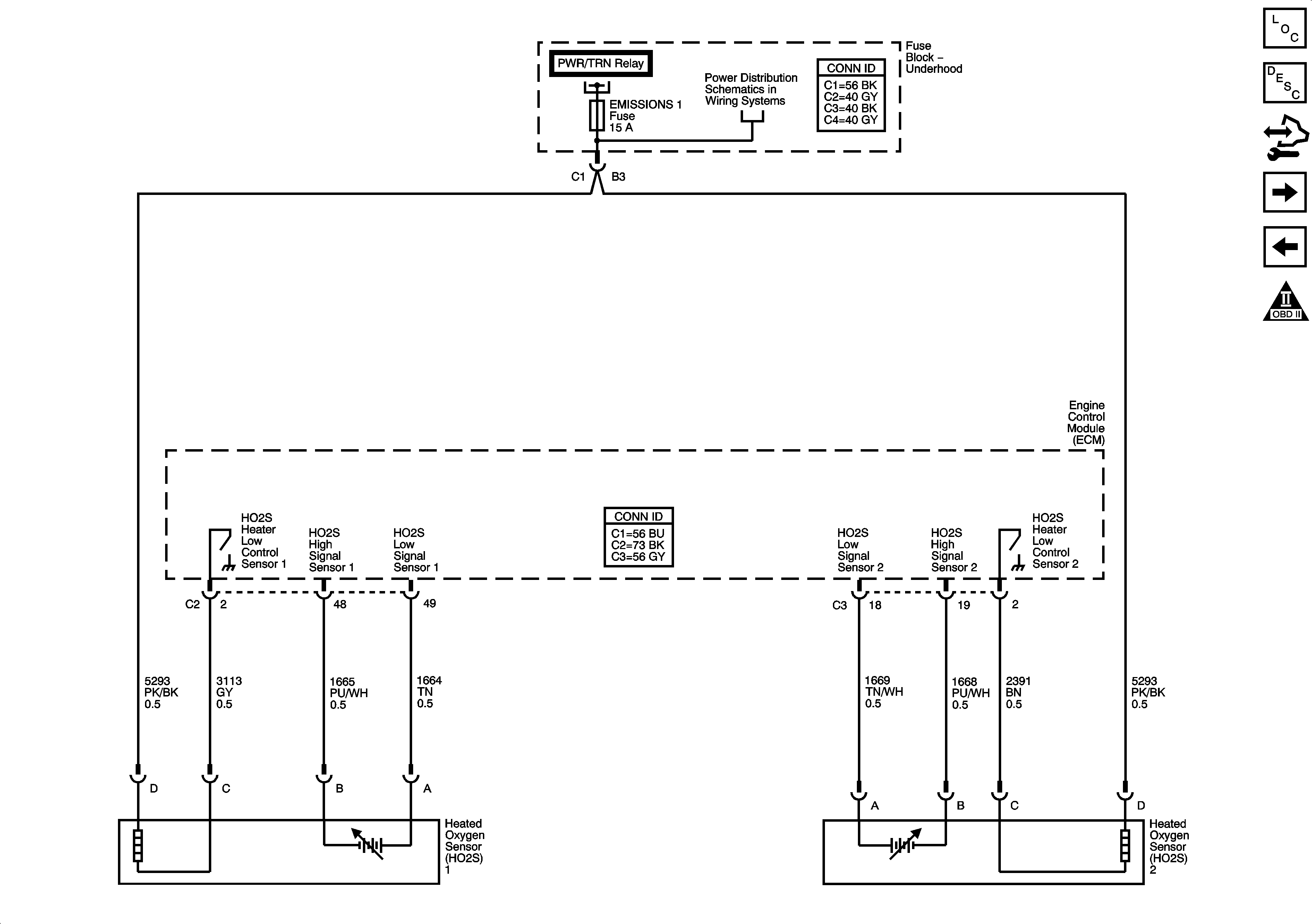
| Figure 4: |
Heated Oxygen Sensors
|
| Figure 5: |
Electronic Throttle Controls
|
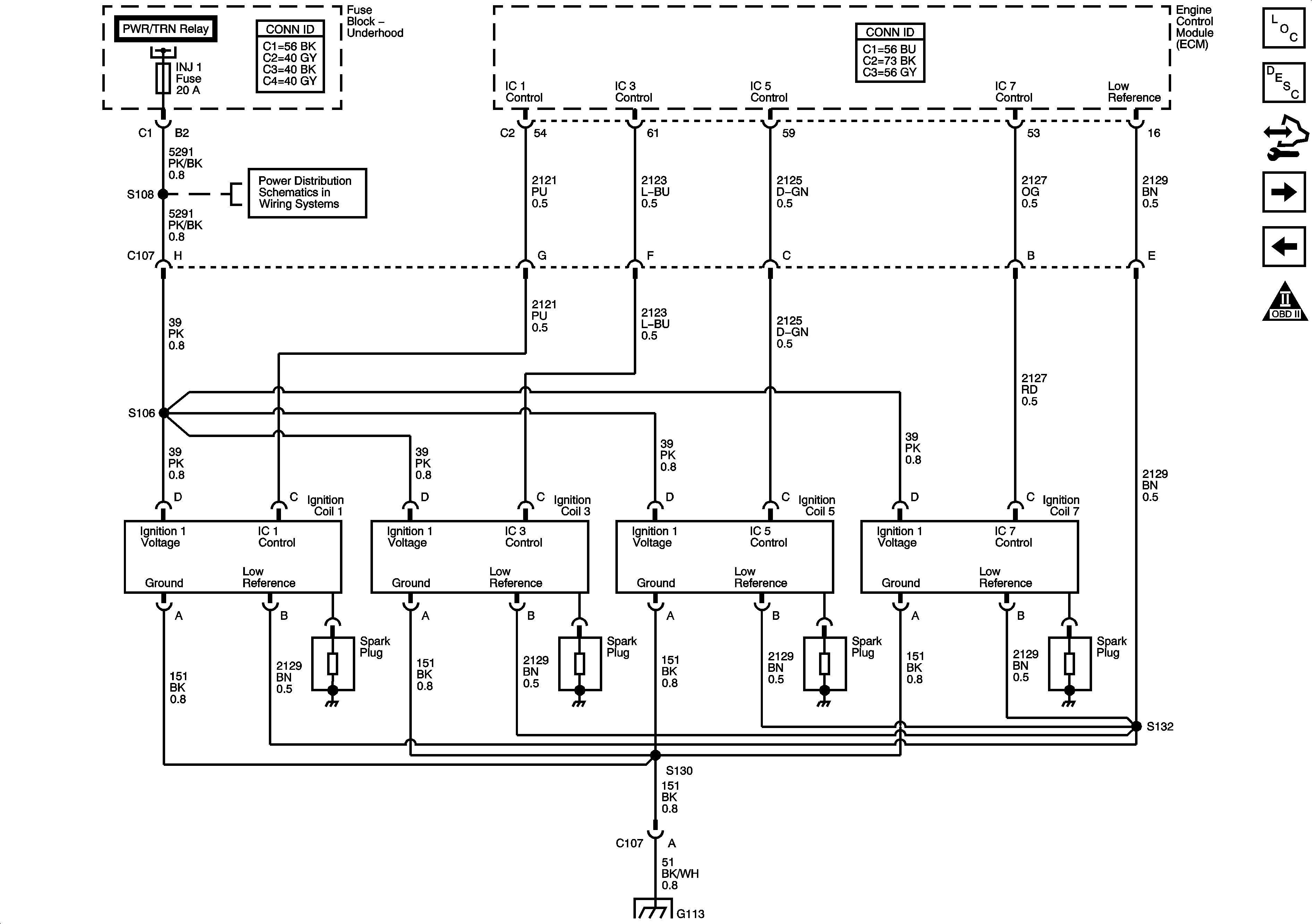
| Figure 6: |
Ignition Controls Bank 1 (Odd) Ignition Coils
|
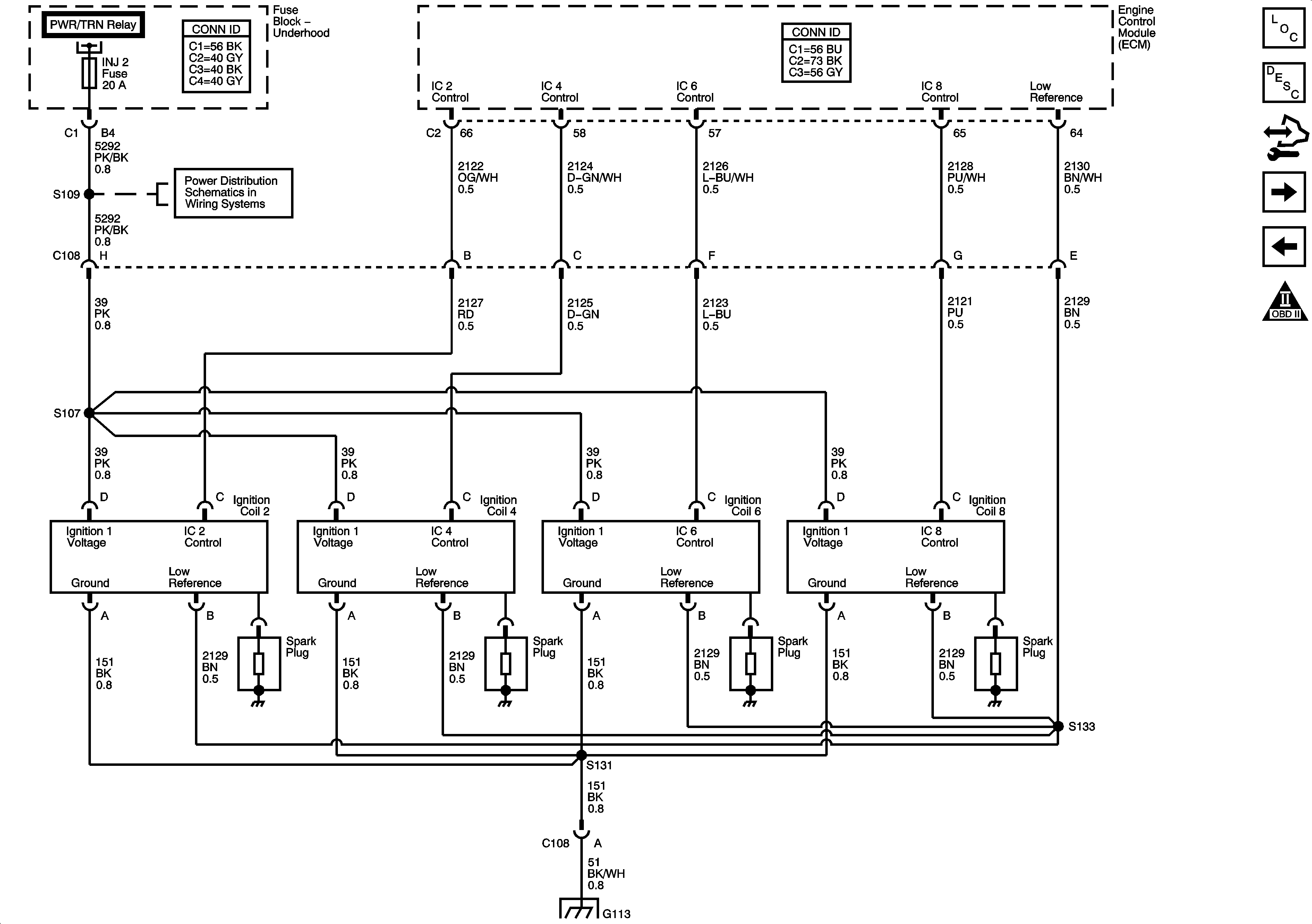
| Figure 7: |
Ignition Controls Bank 2 (Even) Ignition Coils
|
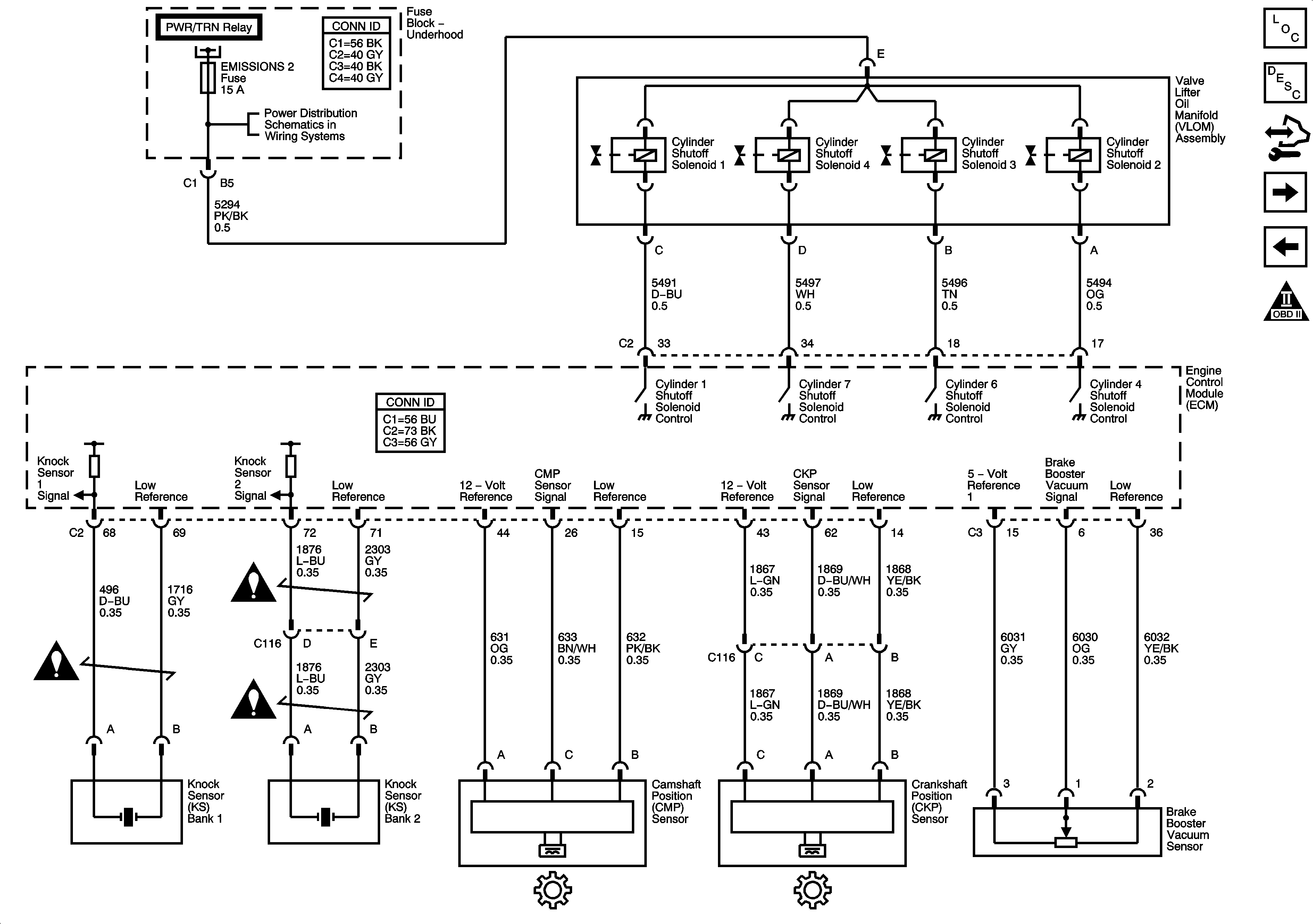
| Figure 8: |
Ignition Controls Knock, CMP, CKP, Brake Booster Vacuum Sensors, and Valve Lifter Oil Manifold Assembly
|
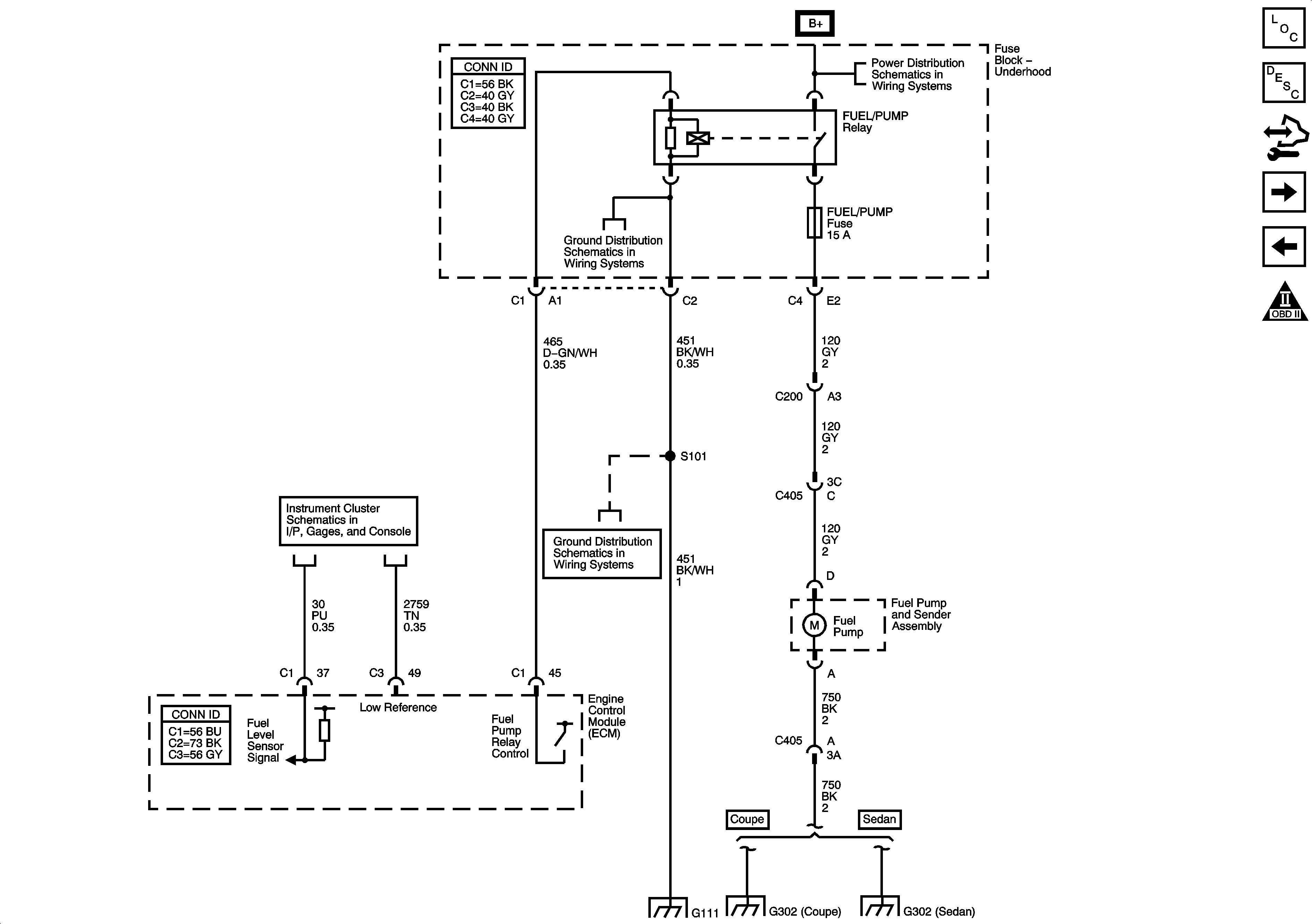
| Figure 9: |
Fuel Pump Controls
|
| Figure 10: |
Fuel Injectors
|
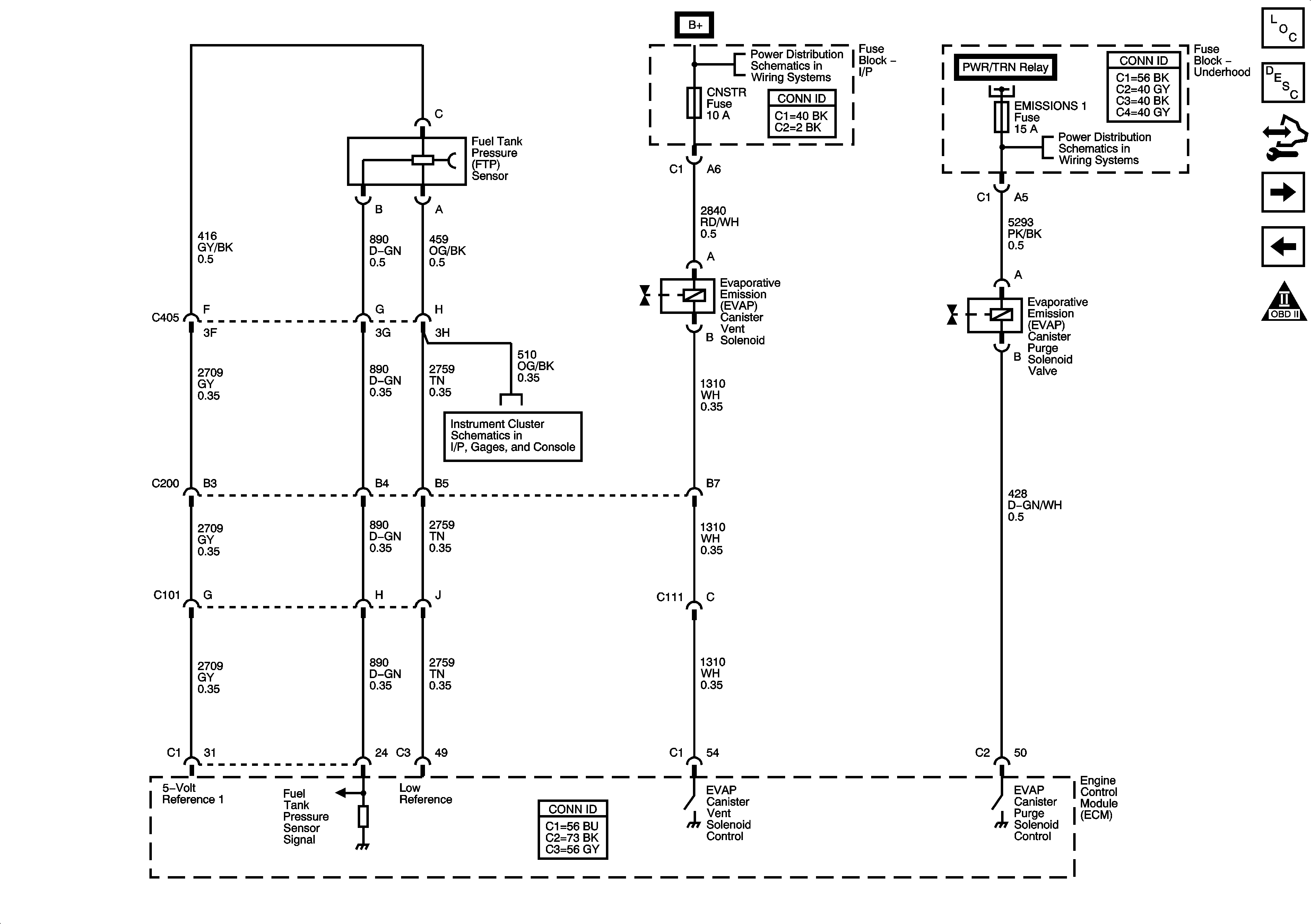
| Figure 11: |
EVAP Solenoids, and FTP Sensor
|
| Figure 12: |
Controlled/Monitored Subsystem References
|