GM Service Manual Online
For 1990-2009 cars only
Makes
🢒
Chevrolet
🢒
2006
🢒
Impala
🢒
Vehicle Control Systems
🢒
Computer/Integrating Systems
🢒 Data Link Connector Schematics
Figure
1:
Power, Ground, and Low Speed GMLAN Serial Data
Master Electrical Component List
Data Link Communications Description and Operation
Control Module References
High Speed GMLAN Serial Data
Fuse Block - Underhood Bussing
Fuse Block - Underhood Bussing
HDLP MDL, DISPLAY, LT SPOT, and RT SPOT Fuses
HDLP MDL, DISPLAY, LT SPOT, and RT SPOT Fuses
Computer/Integrating Systems Schematic Icons
Computer/Integrating Systems Schematic Icons
G201
G202, and G204
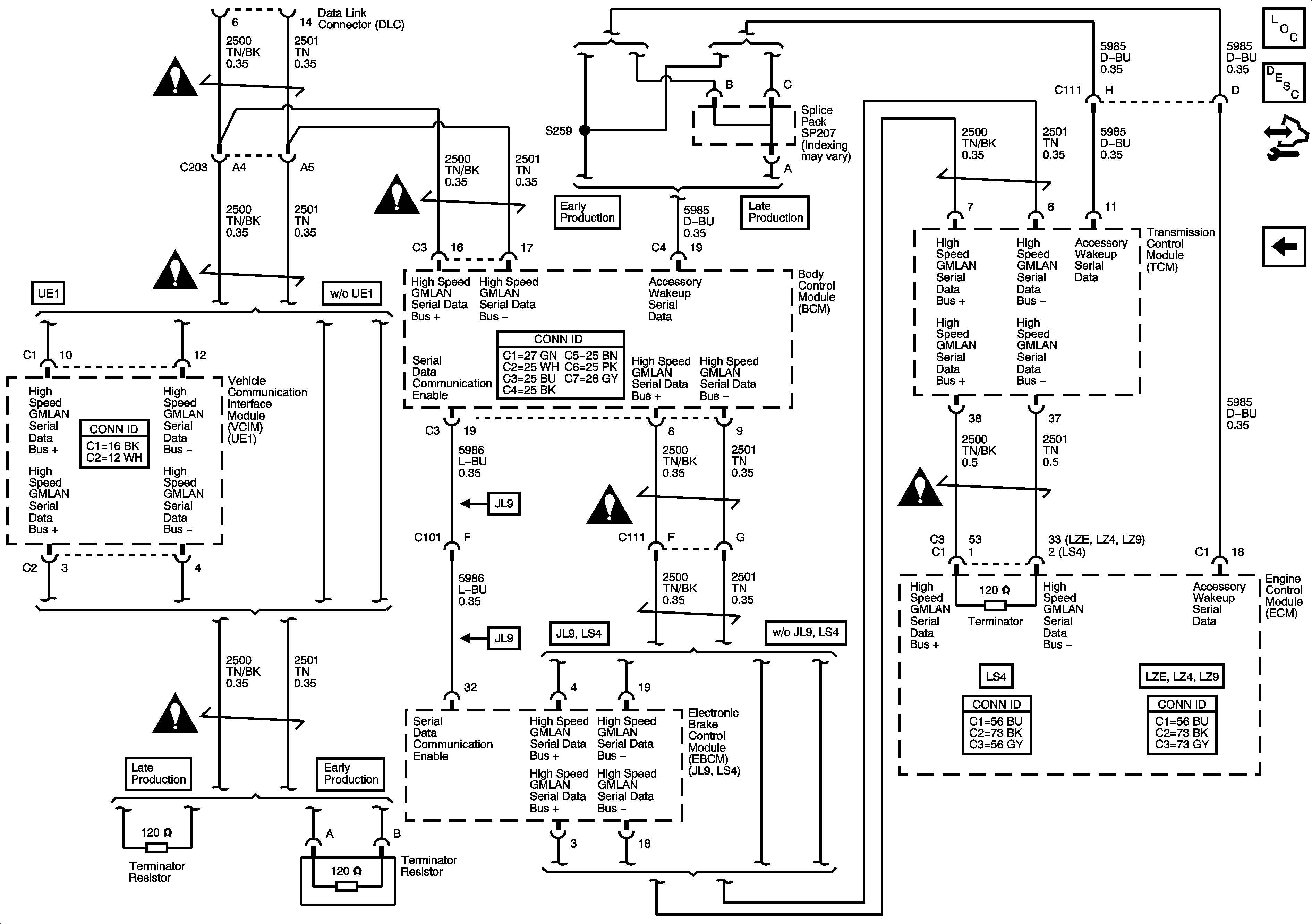
Figure
2:
High Speed GMLAN Serial Data
Master Electrical Component List
Data Link Communications Description and Operation
Control Module References
Power, Ground, and Low Speed GMLAN Serial Data
Computer/Integrating Systems Schematic Icons
Computer/Integrating Systems Schematic Icons
Computer/Integrating Systems Schematic Icons
Computer/Integrating Systems Schematic Icons
Computer/Integrating Systems Schematic Icons
Computer/Integrating Systems Schematic Icons