GM Service Manual Online
For 1990-2009 cars only
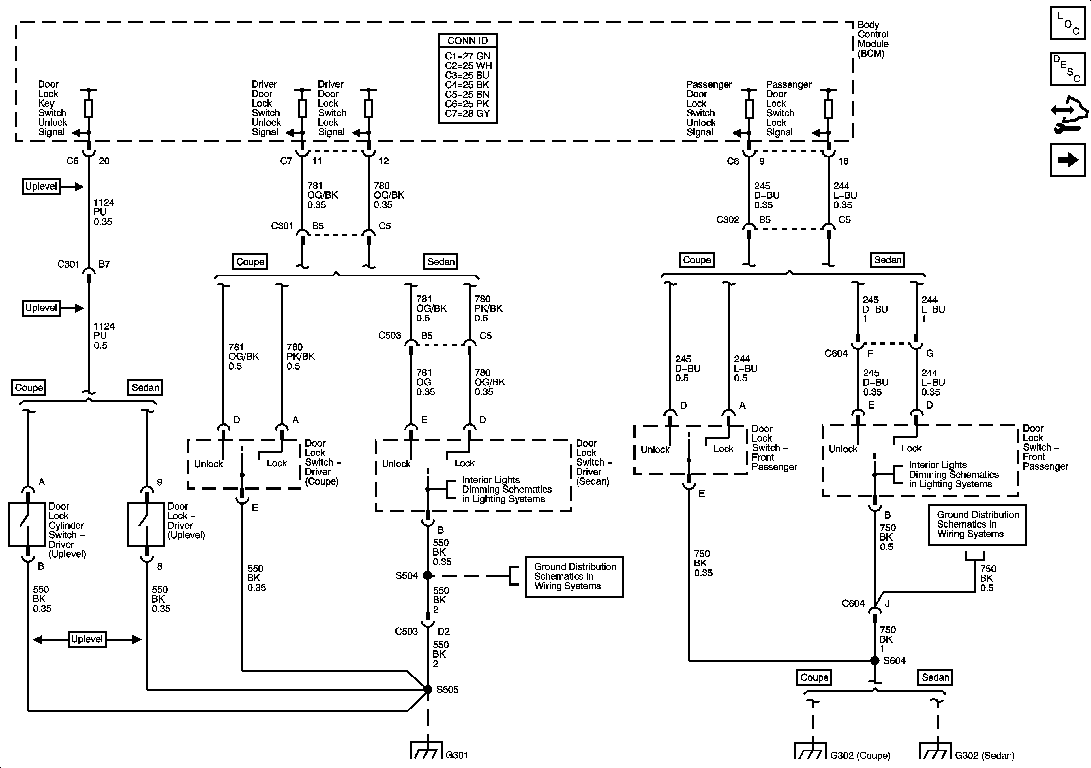
Figure 1:

Door Lock Switches


Object Number: 1648944  Size: FS
Master Electrical Component List
Power Door Locks Description and Operation
Control Module References
Door Lock Actuators
Sedan
Sedan
G301
G302 (Sedan)
G301
G302
G302 (Sedan)
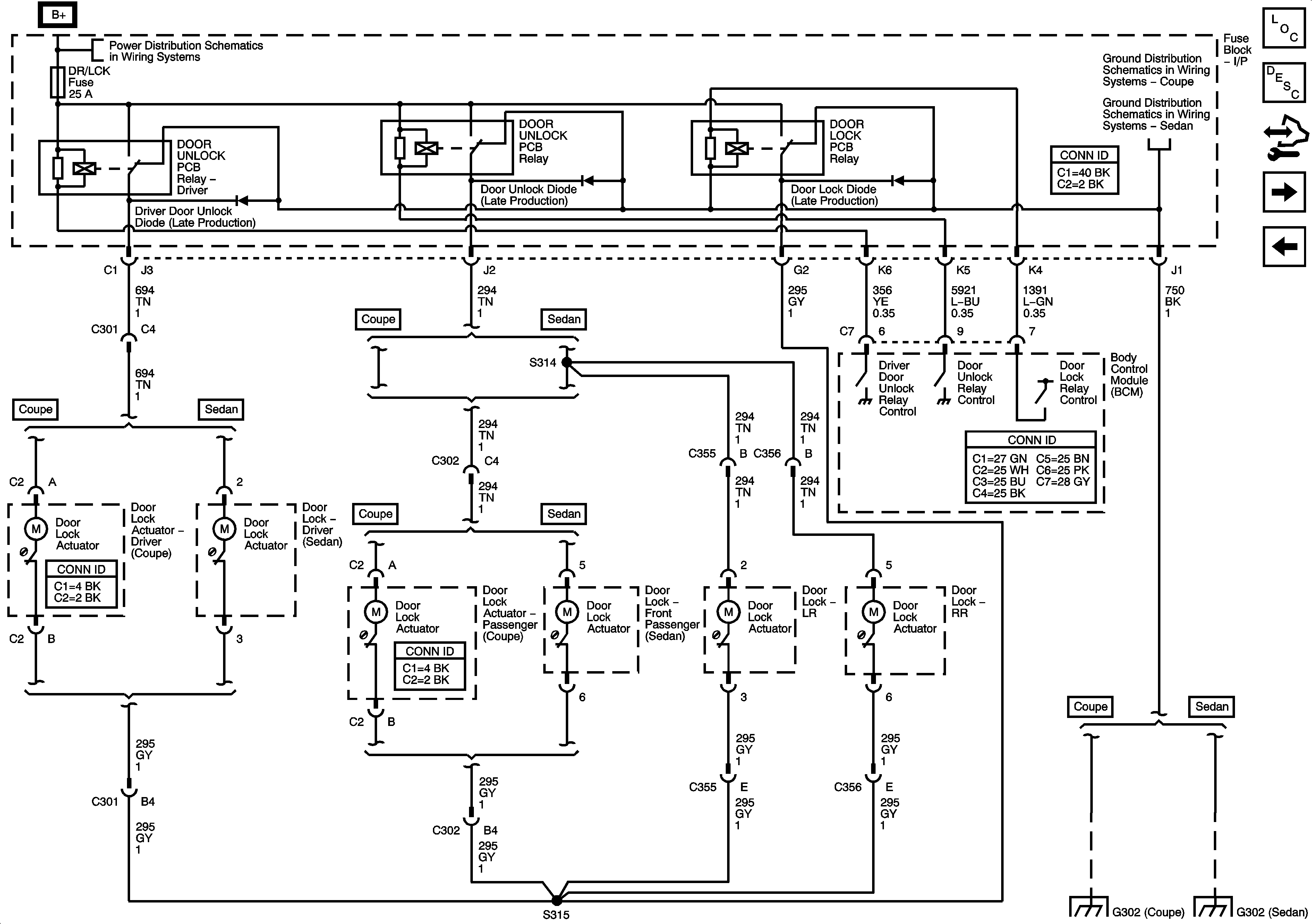
Figure 2:

Door Lock Actuators


Object Number: 1648951  Size: FS
Master Electrical Component List
Power Door Locks Description and Operation
Control Module References
Door Ajar Indicators
Door Lock Switches
S/ROOF, DR/LCK, RAP MISC Fuses, RAP Relay, DOOR UNLOCK PCB Relay - Driver, DOOR UNLOCK PCB Relay, and DOOR LOCK PCB Relay
S/ROOF, DR/LCK, RAP MISC Fuses, RAP Relay, DOOR UNLOCK PCB Relay - Driver, DOOR UNLOCK PCB Relay, and DOOR LOCK PCB Relay
G302
G302 (Sedan)
G302
G302 (Sedan)
Figure 3:

Door Ajar Indicators


Object Number: 1648956  Size: FS
Master Electrical Component List
Door Ajar Indicator Description and Operation
Control Module References
Door Lock Actuators
Power, Ground, and Low Speed GMLAN Serial Data
Switches (Coupe)
Switches (Sedan)
Switches (Sedan)
Switches (Coupe)
Switches (Sedan)
Switches (Sedan)
G301
G301
G302
G302 (Sedan)
G302
G302 (Sedan)