GM Service Manual Online
For 1990-2009 cars only

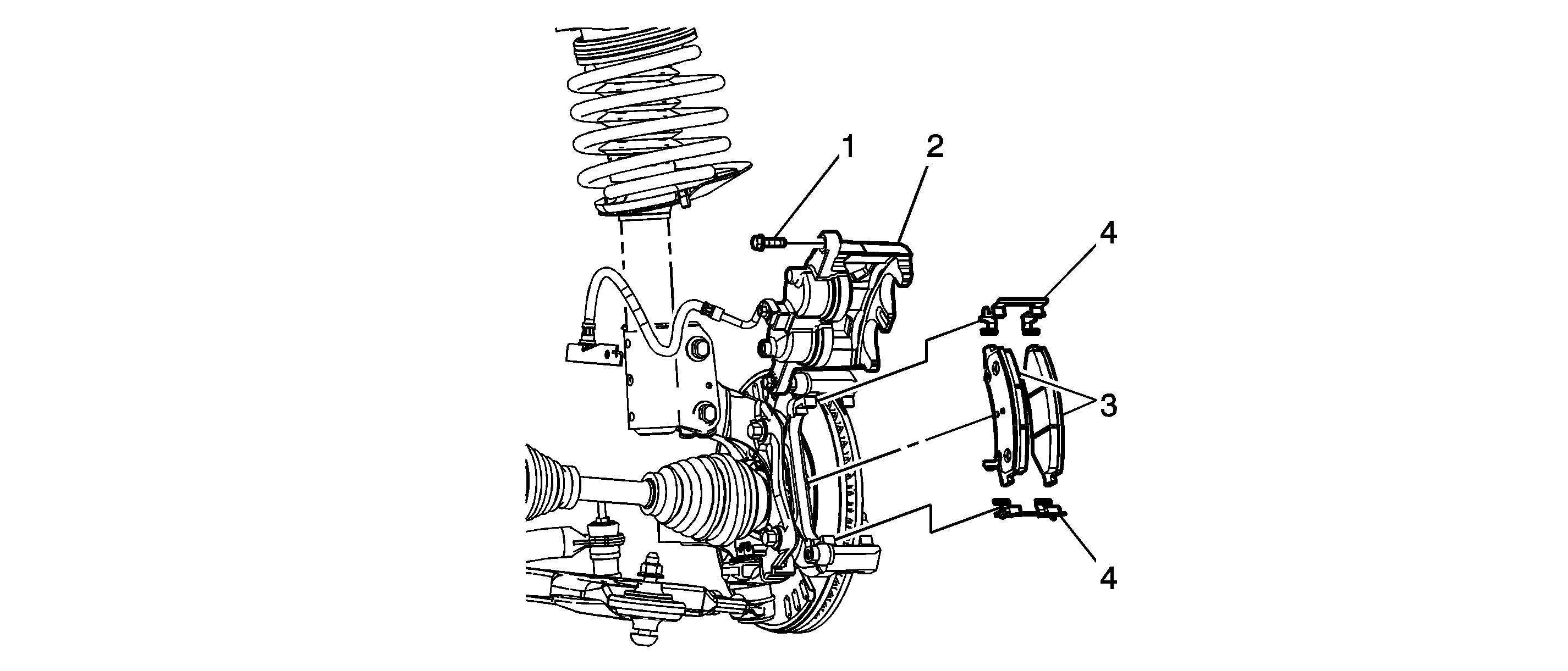
Object Number: 1657705  Size: SF

Callout

Component Name

Caution: Refer to Brake Dust Caution in the Preface section.

Notice: Support the brake caliper with heavy mechanic wire, or equivalent, whenever it is separated from its mount and the hydraulic flexible brake hose is still connected. Failure to support the caliper in this manner will cause the flexible brake hose to bear the weight of the caliper, which may cause damage to the brake hose and in turn may cause a brake fluid leak.

Preliminary Procedures

  1. Inspect the fluid level in the brake master cylinder reservoir.
  2. If the brake fluid level is midway between the maximum-full point and the minimum allowable level, no brake fluid needs to be removed before proceeding.
  3. If the brake fluid level is higher than midway between the maximum-full point and the minimum allowable level, remove brake fluid to the midway point before proceeding.
  4. Raise the vehicle. Refer to Lifting and Jacking the Vehicle .
  5. Remove the tire and wheel. Refer to Tire and Wheel Removal and Installation .

1

Bolt, Brake Caliper Guide Pin

Notice: Refer to Fastener Notice in the Preface section.

Tightening Specification
36 N·m (26 lb ft)

2

Brake Caliper

Tip

  1. Rotate the brake caliper up and to the rear until it rests on the mounting bracket and support with heavy mechanics wire or equivalent.
  2. Place a block of wood or an old disc brake pad against the brake caliper pistons.
  3. Using a brake pad spreader or equivalent tool, slowly compress the brake caliper pistons squarely into the caliper bores.

3

Brake Pads

Tip

    • If installing the original brake pads, note the brake pad location for proper installation.
    • When replacing the brake pads, ensure the brake pad with the wear indicator is positioned inboard of the brake rotor and the wear indicator is pointing down.
    • Clean the friction surfaces of the brake rotor with denatured alcohol.

4

Brake Pad Springs (Qty: 2)

Tip

  1. If replacing the brake pads, DO NOT reuse the spring retainers. Install NEW spring retainers.
  2. With the engine OFF, gradually apply the brake pedal to approximately 2/3 of its travel distance.
  3. Slowly release the brake pedal.
  4. Wait 15 seconds, then repeat steps 2-3 until a firm brake pedal is obtained. This will properly seat the brake caliper pistons and the brake pads.
  5. Fill the master cylinder reservoir to the proper level. Refer to Master Cylinder Reservoir Filling .
  6. Burnish the pads and rotors. Refer to Brake Pad and Rotor Burnishing .