GM Service Manual Online
For 1990-2009 cars only
Figure 1:

Power, Ground, and Brake Pressure Modulator Valves


Object Number: 1648834  Size: FS
Master Electrical Component List
ABS Description and Operation
Control Module References
Indicators, ABS, and Traction Control
Fuse Block - Underhood Bussing
Fuse Block - Underhood Bussing
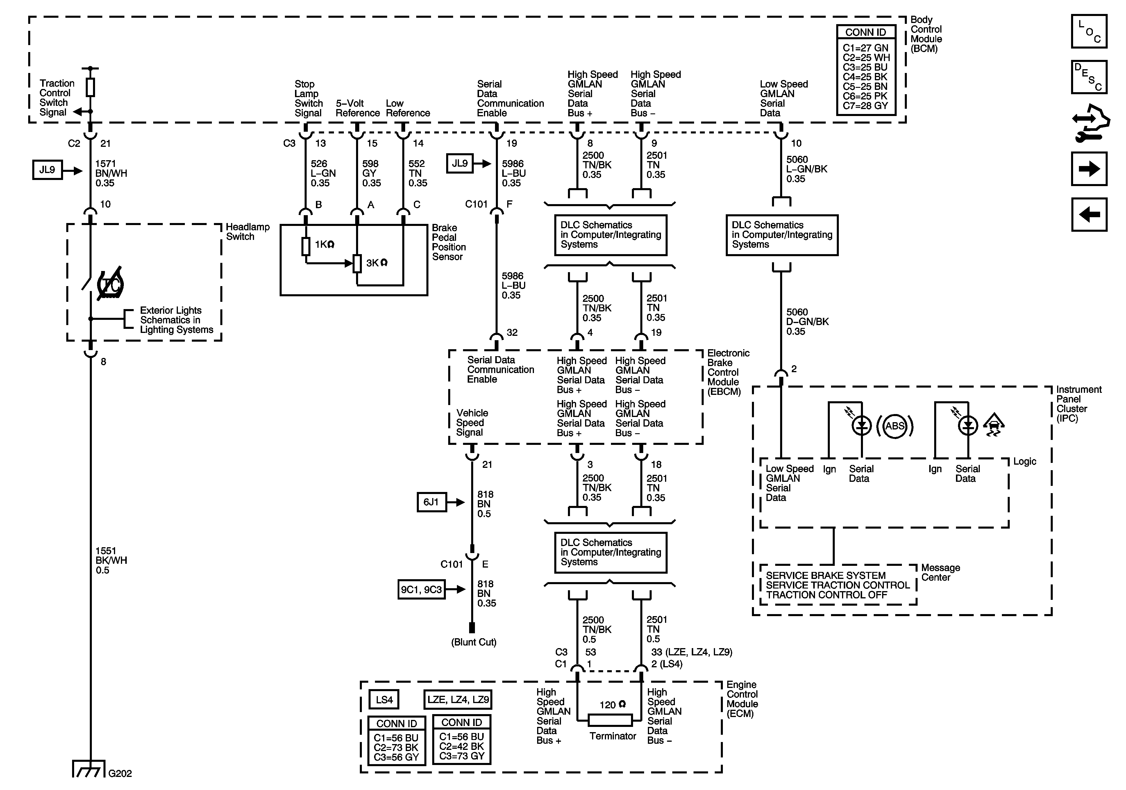
Figure 2:

Indicators, ABS, and Traction Control


Object Number: 1648841  Size: FS
Master Electrical Component List
ABS Description and Operation
Control Module References
Wheel Speed Sensors
Power, Ground, and Brake Pressure Modulater Valves
Park Lamps 1 of 2
High Speed GMLAN Serial Data
Power, Ground, and Low Speed GMLAN Serial Data
High Speed GMLAN Serial Data
G202, and G204
Figure 3:

Wheel Speed Sensors


Object Number: 1648856  Size: FS
Master Electrical Component List
ABS Description and Operation
Control Module References
Indicators, ABS, and Traction Control
Antilock Brake System Schematic Icons