GM Service Manual Online
For 1990-2009 cars only
Figure 1:

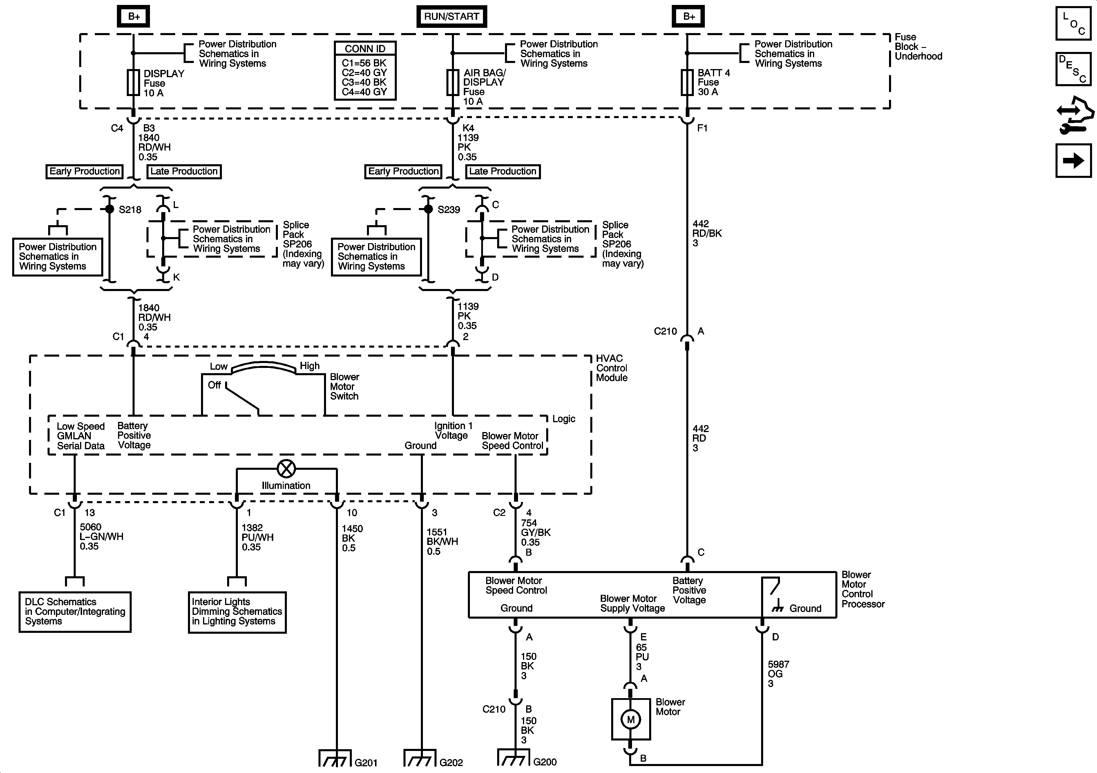
Power, Ground, and Blower Motor Control


Object Number: 1648765  Size: FS
Master Electrical Component List
Air Delivery Description and Operation
Control Module References
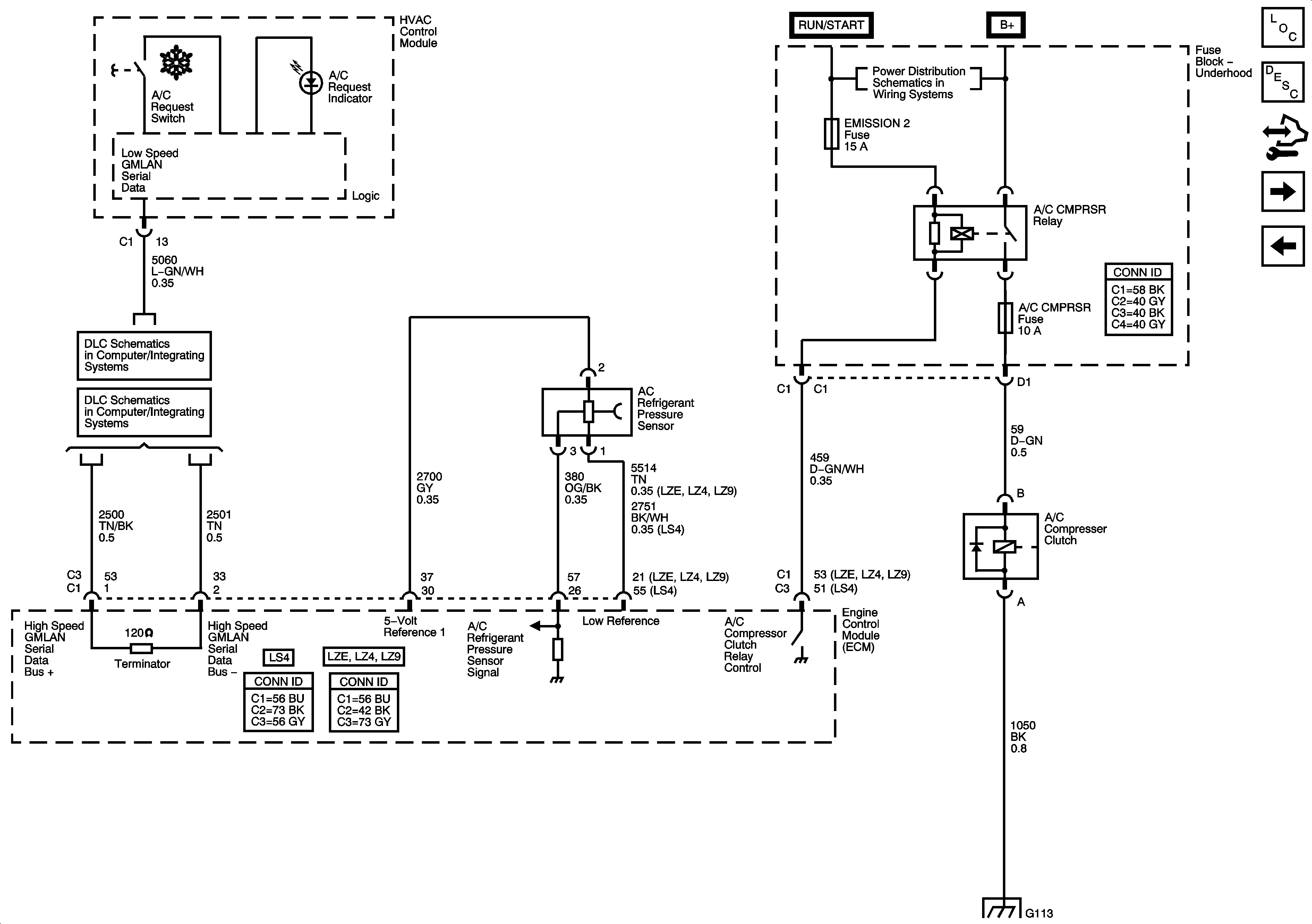
A/C Compressor Controls
Fuse Block - Underhood Bussing
Fuse Block - Underhood Bussing
Fuse Block - Underhood Bussing
Fuse Block - Underhood Bussing
Fuse Block - Underhood Bussing
Fuse Block - Underhood Bussing
HDLP MDL, DISPLAY, LT SPOT, and RT SPOT Fuses
HDLP MDL, DISPLAY, LT SPOT, and RT SPOT Fuses
ECM IGN, TRANS, PWR DROP/CRANK, AIRBAG/DISPLAY, STRTR, FUEL/PUMP, and HORN Fuses
ECM IGN, TRANS, PWR DROP/CRANK, AIRBAG/DISPLAY, STRTR, FUEL/PUMP, and HORN Fuses
Power, Ground, and Low Speed GMLAN Serial Data
Radio, HVAC Control Module, Driver Information Center (DIC) Switch, and Steering Wheel Controls
G201
G202, and G204
G200
Figure 2:

A/C Compressor Controls


Object Number: 1648781  Size: FS
Master Electrical Component List
Air Temperature Description and Operation
Control Module References
Mode and Air Temperature Controls
Power, Ground, and Blower Motor Control
Fuse Block - Underhood Bussing
Fuse Block - Underhood Bussing
Fuse Block - Underhood Bussing
Power, Ground, and Low Speed GMLAN Serial Data
High Speed GMLAN Serial Data
G113, and G115
Figure 3:

Mode and Air Temperature Controls


Object Number: 1648793  Size: FS
Master Electrical Component List
Air Delivery Description and Operation
Control Module References
A/C Compressor Controls