GM Service Manual Online
For 1990-2009 cars only
Makes
🢒
Chevrolet
🢒
2006
🢒
Impala
🢒 Sedan
Sedan
Sedan
Master Electrical Component List
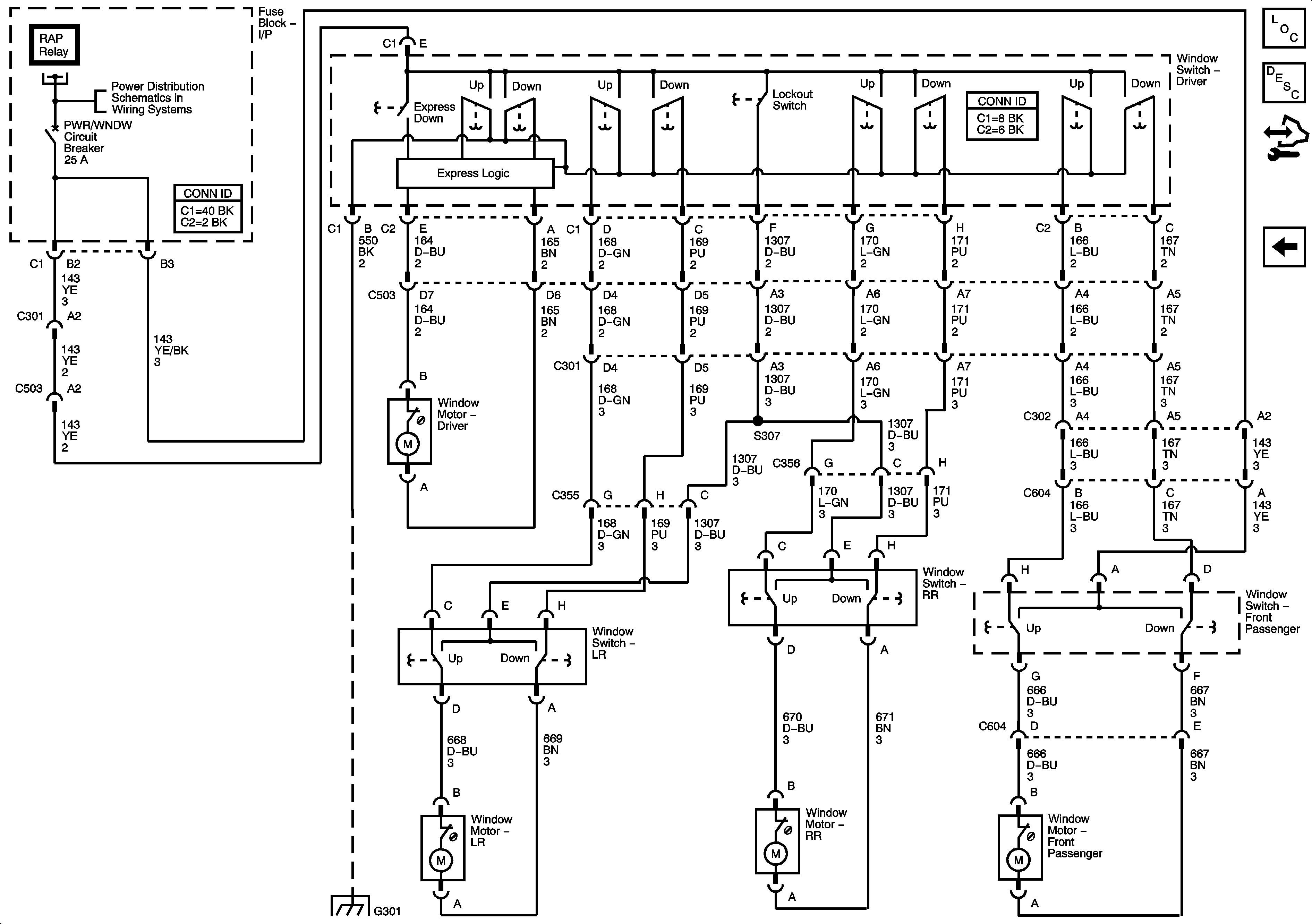
Power Windows Description and Operation
Control Module References
Coupe
S/ROOF, DR/LCK, RAP MISC Fuses, RAP Relay, DOOR UNLOCK PCB Relay - Driver, DOOR UNLOCK PCB Relay, and DOOR LOCK PCB Relay
BATT 4, ABS MTR 1, ABS MTR 2, AUX PWR, RADIO Fuses, and PWR/WNDW Circuit Breaker
G301