GM Service Manual Online
For 1990-2009 cars only

Coupe

Coupe


Object Number: 1657122  Size: FS
Master Electrical Component List
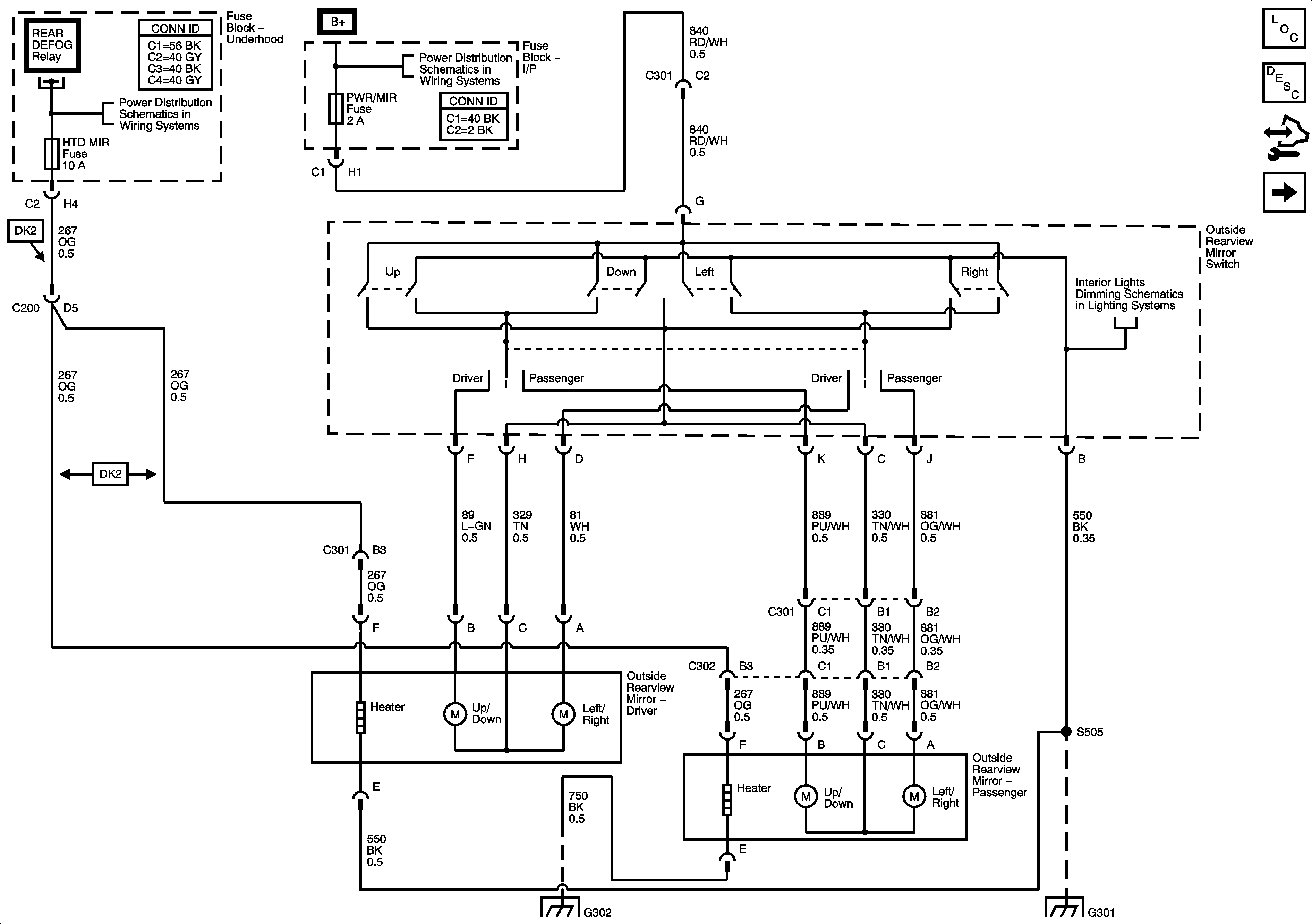
Outside Mirror Description and Operation
Control Module References
Sedan
Fuse Block - Underhood Bussing
Fuse Block - Underhood Bussing
BATT 2, HTD/SEAT, AIRBAG, PWR/MIR Fuses, and PWR/SEAT Circuit Breaker
BATT 2, HTD/SEAT, AIRBAG, PWR/MIR Fuses, and PWR/SEAT Circuit Breaker
Coupe
G302
G301