GM Service Manual Online
For 1990-2009 cars only
Makes
🢒
Chevrolet
🢒
2006
🢒
Impala
🢒 Body Rear End Schematics
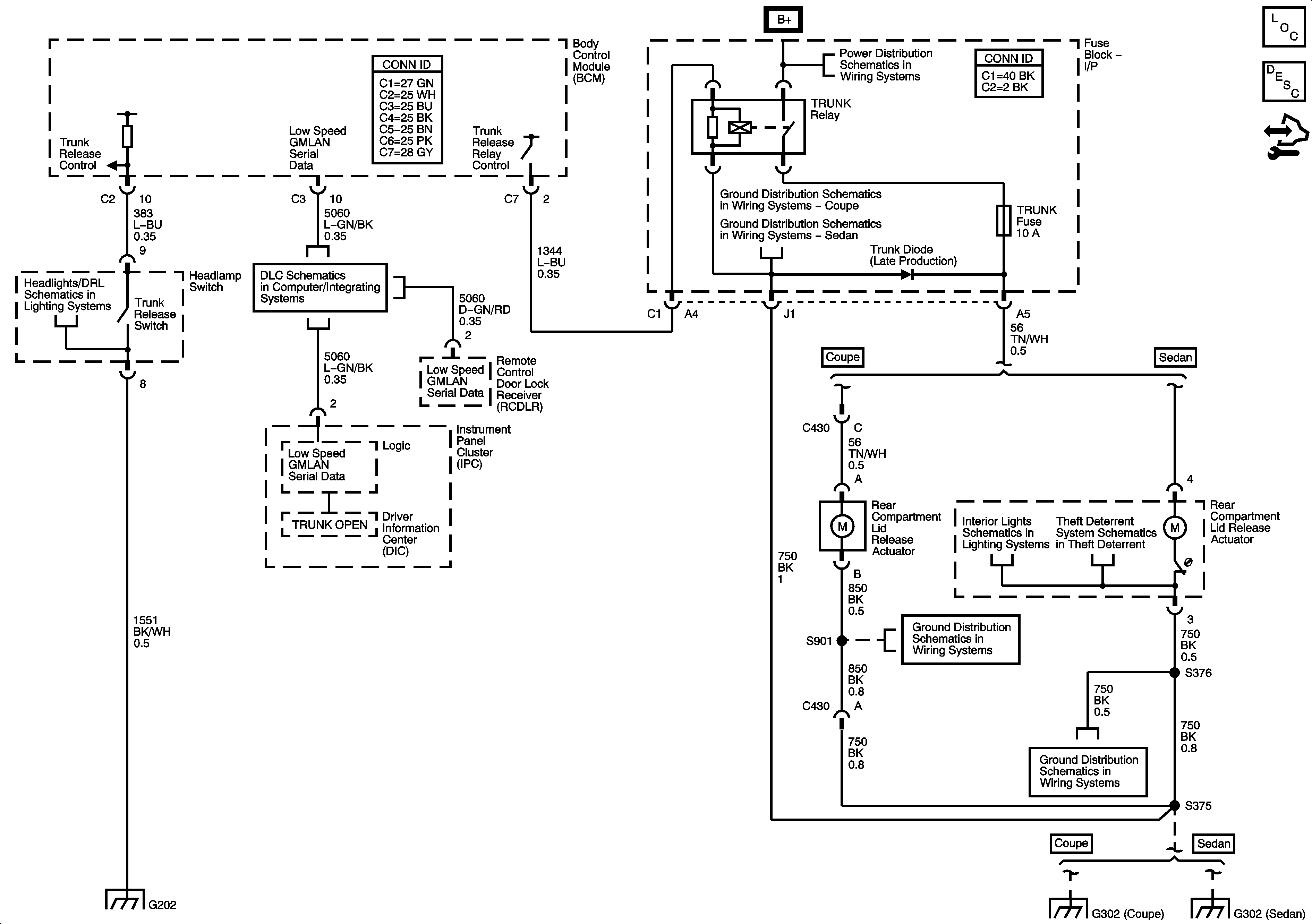
Body Rear End Schematics
Master Electrical Component List
Luggage Compartment Description and Operation
Control Module References
BATT 1, CNSTR, ONSTAR, AMP, and AUX Fuses
BATT 1, CNSTR, ONSTAR, AMP, and AUX Fuses
G302
G302 (Sedan)
Switches
Power, Ground, and Low Speed GMLAN Serial Data
Rear Compartment Lights
Content Theft Deterrent (CTD) System
G302
G302 (Sedan)
G202, and G204
G302
G302 (Sedan)