GM Service Manual Online
For 1990-2009 cars only
Figure 1:

Left Front of the Engine Compartment


Object Number: 1653137  Size: LF
(1)Mass Air Flow (MAF)/Intake Air Temperature (IAT) Sensor
(2)Brake Booster Vacuum Sensor (LZ8/LS4)
(3)Windshield Wiper Motor
(4)Electronic Brake Control Module (EBCM)
(5)A/C Refrigerant Pressure Sensor
(6)Transmission Control Module (TCM)
(7)Engine Control Module (ECM)
(8)G101
(9)Inflatable Restraint Front End Sensor - Left
Figure 2:

Front of the Engine (LS4)


Object Number: 1591683  Size: LF
(1)G111
(2)Starter Solenoid
(3)C100
(4)Starter
(5)Cable Pro fuse
(6)G113
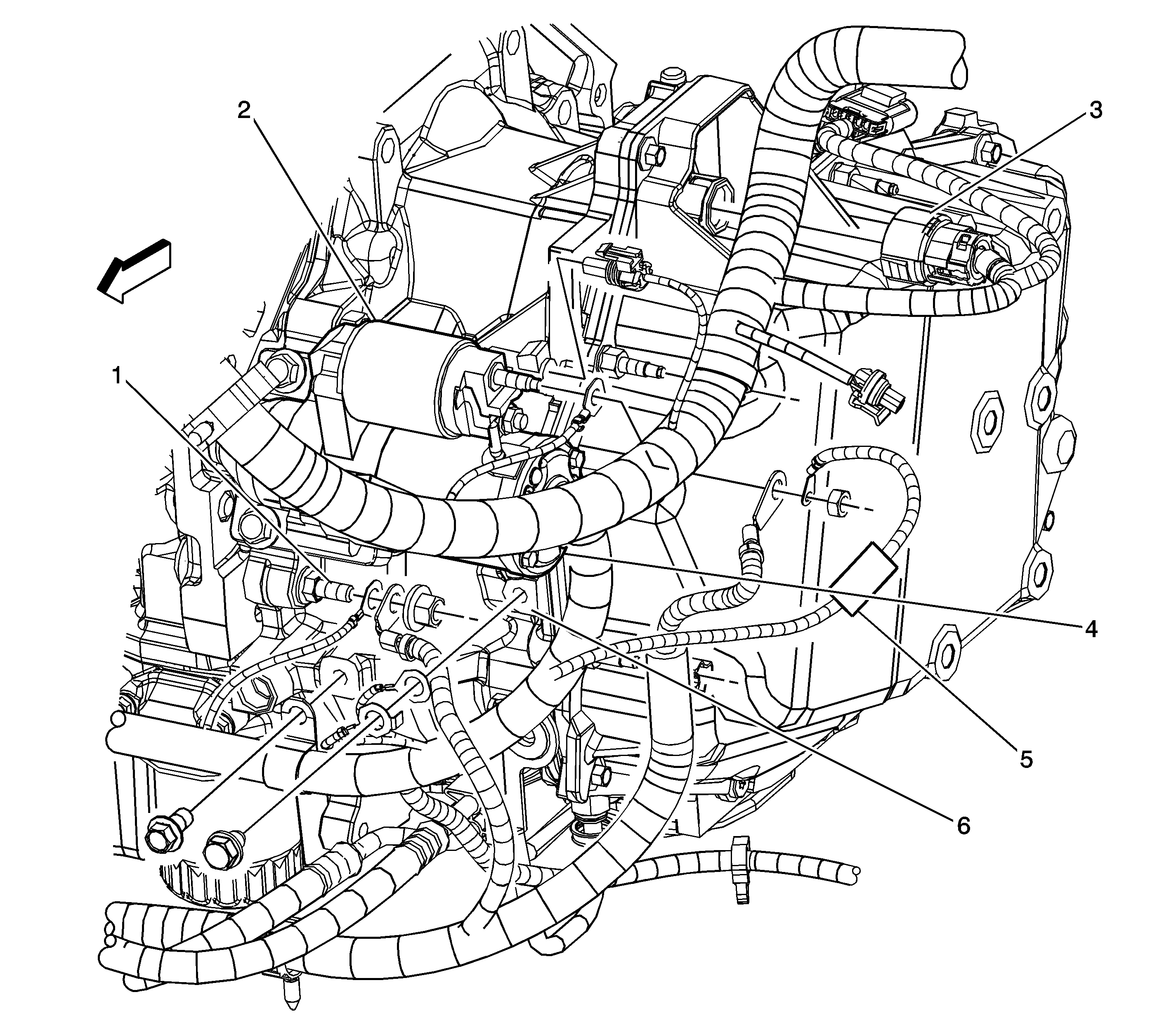
Figure 3:

Lower Front of the Engine (LZE, LZ4, LZ8)


Object Number: 1700485  Size: LF
(1)Exhaust Manifold
(2)Starter
(3)Cable Pro Fuse (6J1)
(4)A/C Compressor Clutch
Figure 4:

G111, G113 and G115 (LZE, LZ4, LZ8)


Object Number: 1706125  Size: LF
(1)Engine Harness
(2)G115
(3) G111
(4) G113
Figure 5:

Front of the Engine (LS4)


Object Number: 1568641  Size: LF
(1)Fuse Block - Underhood C1
(2)S109
(3)C108
(4)C101
(5)C111
(6)Electronic Brake Control Module (EBCM) C1
(7)Engine Control Module (ECM) C3
(8)Engine Control Module (ECM) C2
(9)Engine Control Module (ECM) C1
(10)S101
(11)G113
(12)G111
(13)G115
Figure 6:

I/P Harness - Engine Compartment


Object Number: 1568614  Size: LF
(1)RF Strut Tower
(2)Fuse Block - Underhood Positive Battery Terminal (9C1 and 9C3)
(3)Fusible Links (9C1, 9C3)
(4)C111
(5)C101
(6)Radiator Core Support
(7)Fuse Block - Underhood C2
(8)C123 (9C1, 9C3)
(9)C105
(10)Fuse Block - Underhood C1
(11)Fuse Block - Underhood Positive Battery Terminal (9C1 and 9C3)
Figure 7:

Right Front of the Engine Compartment


Object Number: 1653146  Size: LF
(1)Fuse Block - Underhood
(2)Generator
(3)Brake Fluid Level Switch
(4)Battery
(5)Inflatable Restraint Front End Sensor - Right
(6)G100
(7)Horn Assembly
(8)Windshield Washer Fluid Container
(9)Windshield Washer Fluid Level Switch
(10)Windshield Washer Fluid Pump
(11)Battery Current Sensor
(12)G102
Figure 8:

I/P Harness - Front of the I/P Carrier


Object Number: 1568592  Size: LF
(1)I/P Carrier
(2)G202
(3)G201
(4)G200
(5)G204 (9C1, 9C3)
(6)C210
(7)Spot Lamp - Right Connector (9C1, 9C3)
(8)Fuse Block - I/P C2
(9)C360 (9C1 and 9C3)
(10)C362 (9C1 and 9C3)
(11)C200
(12)C267 (9C1 and 9C3)
(13)C266 (9C1 and 9C3)
(14)C297 (9C1 and 9C3)
(15)HVAC Control Module C2
(16)Splice Pack SP205
(17)Splice Pack SP 206 and Splice Pack SP207
(18)C201
(19)Data Link Connector (DLC)
(20)C203
(21)C250
Figure 9:

Left Front of the Passenger Compartment, in the Steering Column


Object Number: 525021  Size: LF
(1)Ignition Switch
(2)Theft Deterrent Exciter Module
(3)Ignition Lock Cylinder Control Actuator
Figure 10:

I/P Harness - Rear of the I/P Carrier


Object Number: 1568600  Size: LF
(1)S282
(2)S203
(3)S239
(4)S250
(5)S218
(6)I/P Carrier
(7)S259
(8)S269
(9)Fuse Block - SEO
Figure 11:

G301


Object Number: 1653131  Size: LF
(1)G301
(2)Dash Panel
(3)Floor Pan
Figure 12:

Right Front of the Passenger Compartment


Object Number: 1700252  Size: LF
(1)Dash Panel
(2)Fuse Block - I/P
(3)C303
(4)G302
Figure 13:

Sunroof and Headliner Harness


Object Number: 1568647  Size: LF
(1)G403
(2)Rear Shelf
(3)S393
(4)S390
(5)S364
(6)C398 (CF5)
(7)C490
Figure 14:

G404


Object Number: 1653147  Size: LF
(1)Passenger Side C Pillar
(2)G404
(3)Rear Window Shelf
Figure 15:

Right Side of the Luggage Compartment


Object Number: 1700233  Size: LF
(1)Rear Window
(2)Junction Block - Rear (6J1)
(3)Digital Radio Receiver (U2K)
(4)G405 (Provisional - UT7)