GM Service Manual Online
For 1990-2009 cars only

Catalytic Converter Replacement LS4

Removal Procedure

Important: The catalytic converter is serviced by replacing the entire assembly. Always replace the gaskets at the front and rear flanges when servicing the catalytic converter. Never install the original gaskets.


    Object Number: 1553099  Size: SH
  1. Raise and support the vehicle. Refer to Lifting and Jacking the Vehicle .
  2. Disconnect the heated oxygen sensor (HO2S) electrical connector.

  3. Object Number: 1553053  Size: SH
  4. Remove the catalytic converter pipe stud nuts (2).

  5. Object Number: 1553050  Size: SH
  6. Remove the catalytic converter nuts (3).
  7. Using a suitable adjustable jack, loosely support the exhaust system.

  8. Object Number: 1553064  Size: SH
  9. Remove the catalytic converter hangers (1) from the converter.
  10. Remove the catalytic converter.
  11. Remove and discard the catalytic converter gaskets.

  12. Object Number: 1553063  Size: SH
  13. Remove the HO2S, if required.
  14. Clean and inspect the exhaust manifold and the exhaust pipe mating surfaces.

Installation Procedure

Notice: To prevent internal damage to the flexible coupling of the catalytic converter assembly, the converter must be supported. The vertical movement at the rear of the catalytic converter assembly must not exceed 6 degrees up or down.


    Object Number: 1553063  Size: SH
  1. Install the HO2S, if required.

  2. Object Number: 1553064  Size: SH
  3. Install NEW gaskets to the exhaust manifold and muffler studs.
  4. Position the catalytic converter into place.
  5. Install the catalytic converter hangers (1) to the converter.
  6. Notice: Refer to Fastener Notice in the Preface section.


    Object Number: 1553053  Size: SH
  7. Install the catalytic converter pipe stud nuts (2).
  8. Tighten
    Tighten the nuts to 35 N·m (26 lb ft).


    Object Number: 1553050  Size: SH
  9. Install the catalytic converter nuts (3).
  10. Tighten
    Tighten the nuts to 60 N·m (44 lb ft).

  11. Remove the exhaust system support.

  12. Object Number: 1553099  Size: SH
  13. Connect the HO2S electrical connector.
  14. Lower the vehicle.
  15. Run the vehicle and inspect the exhaust system for leaks and underbody contact.

Catalytic Converter Replacement RPOs LZE/LZ4/LZ8

Removal Procedure

Important: The catalytic converter is serviced by replacing the entire assembly. Always replace the gaskets at the front and rear flanges when servicing the catalytic converter. Never install the original gasket.


    Object Number: 1609170  Size: SH
  1. Remove the intake manifold cover. Refer to Intake Manifold Cover Replacement or Intake Manifold Cover Replacement .
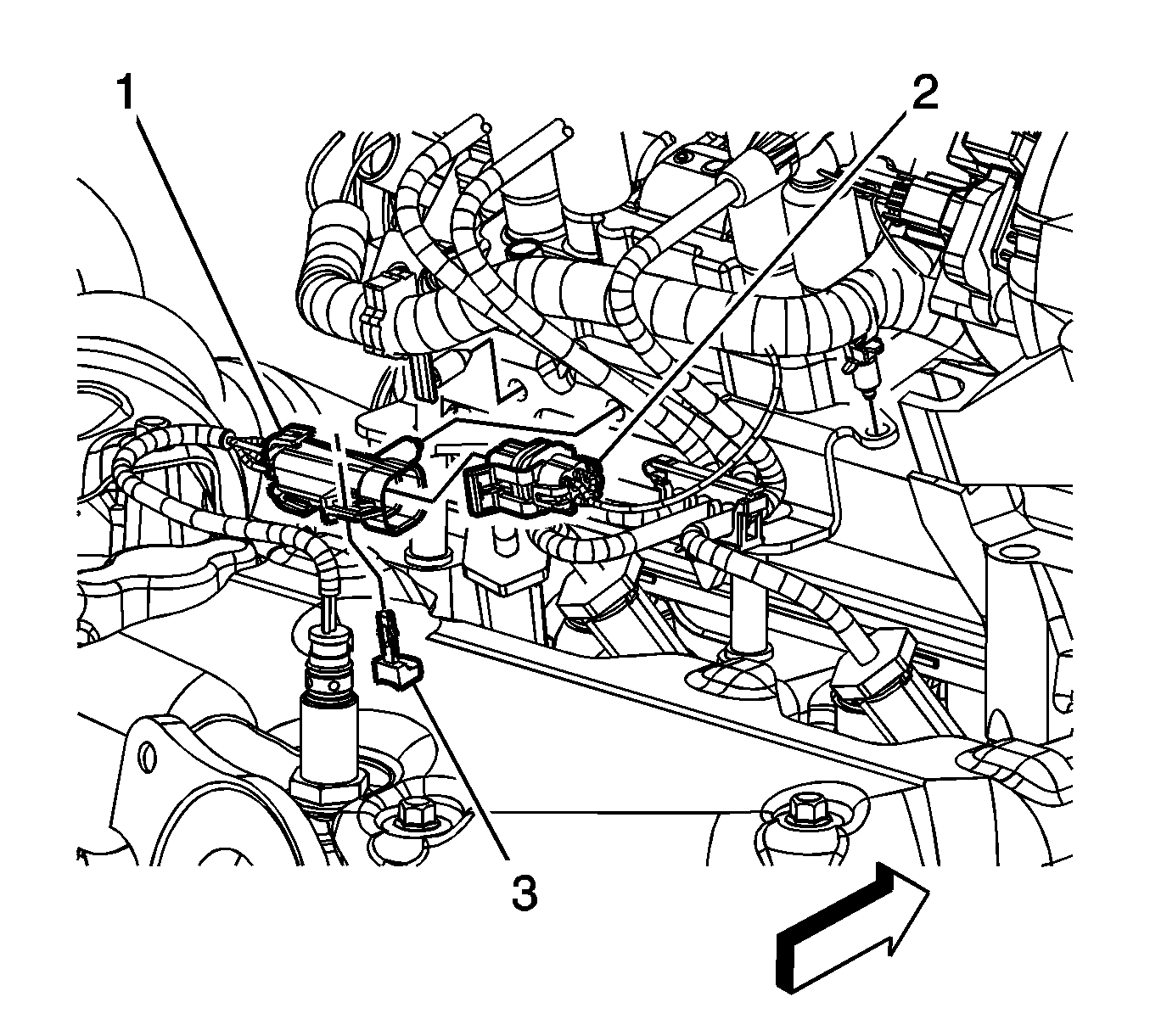
  2. Remove the connector position assurance (CPA) retainer (3).
  3. Remove the heated oxygen sensor (HO2S) electrical connector clip (1) from the ignition coil bracket.
  4. Disconnect the HO2S electrical connector (2).

  5. Object Number: 1618181  Size: SH
  6. Remove the exhaust manifold heat shield bolts.
  7. Remove the exhaust manifold heat shield.
  8. Remove the upper catalytic converter to exhaust manifold nut.

  9. Object Number: 1618526  Size: SH
  10. Raise and support the vehicle. Refer to Lifting and Jacking the Vehicle .
  11. Remove the CPA retainer (1).
  12. Disconnect the HO2S electrical connector (3).

  13. Object Number: 1618528  Size: SH
  14. Remove the HO2S. Refer to Heated Oxygen Sensor 2 Replacement for the 3.5L engine or Heated Oxygen Sensor 2 Replacement for the 3.9L engine.
  15. Support the exhaust system.

  16. Object Number: 212193  Size: SH
  17. Remove the catalytic converter to muffler nuts.

  18. Object Number: 1553064  Size: SH
  19. Remove the catalytic converter insulators (1).

  20. Object Number: 1618333  Size: SH
  21. Remove the catalytic converter lower nut (3).
  22. Reposition the muffler assembly rearward until the catalytic converter can be removed.
  23. Remove the catalytic converter (3).
  24. Remove the catalytic converter gasket (2).
  25. Clean and inspect the exhaust manifold and the exhaust pipe gasket mating surfaces.

Installation Procedure


    Object Number: 1618333  Size: SH
  1. Install the catalytic converter gasket (2) onto the catalytic converter.
  2. Reposition the muffler assembly rearward until the catalytic converter can be installed.
  3. Install the catalytic converter (3).
  4. Notice: Refer to Fastener Notice in the Preface section.

  5. Install the catalytic converter lower nut (3).
  6. Tighten
    Tighten the nut to 35 N·m (26 lb ft).


    Object Number: 1553064  Size: SH
  7. Install the catalytic converter insulators (1).

  8. Object Number: 212193  Size: SH
  9. Install the catalytic converter to muffler nuts.
  10. Tighten
    Tighten the nuts to 60 N·m (44 lb ft).

  11. Remove the support from the exhaust system.

  12. Object Number: 1618528  Size: SH
  13. Install the HO2S. Refer to Heated Oxygen Sensor 2 Replacement for the 3.5L engine or Heated Oxygen Sensor 2 Replacement for the 3.9L engine.

  14. Object Number: 1618526  Size: SH
  15. Connect the HO2S electrical connector (3).
  16. Install the CPA retainer (1).
  17. Lower the vehicle.
  18. Install the upper catalytic converter to exhaust manifold nut (1).
  19. Tighten
    Tighten the nut to 35 N·m (26 lb ft).


    Object Number: 1618181  Size: SH
  20. Install the exhaust manifold heat shield.
  21. Install the exhaust manifold heat shield bolts.
  22. Tighten
    Tighten the nuts to 10 N·m (89 lb in).


    Object Number: 1609170  Size: SH
  23. Connect the HO2S electrical connector (2).
  24. Install the connector position assurance (CPA) retainer (3).
  25. Install the HO2S electrical connector clip (1) to the ignition coil bracket.
  26. Install the intake manifold cover. Refer to Intake Manifold Cover Replacement or Intake Manifold Cover Replacement .