GM Service Manual Online
For 1990-2009 cars only

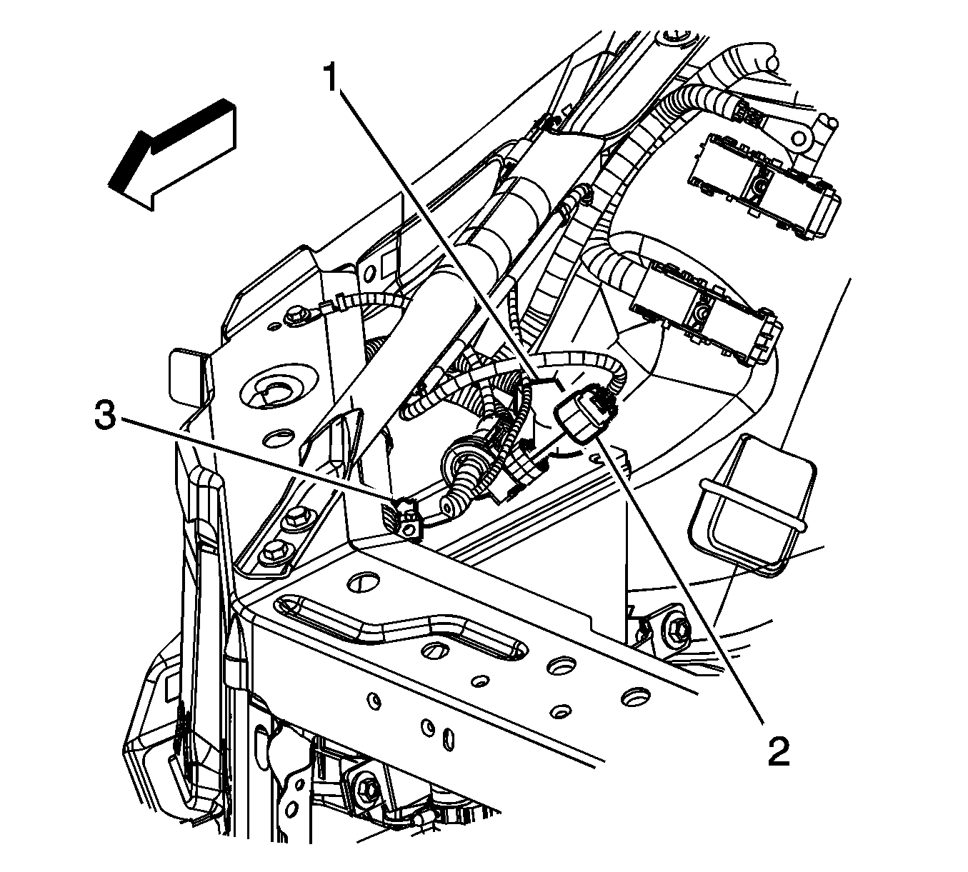
Battery Negative Cable Disconnection and Connection RPO LS4

Removal Procedure

Caution: Refer to SIR Caution in the Preface section.

Caution: Refer to Battery Disconnect Caution in the Preface section.


    Object Number: 1616995  Size: SH
  1. Record all of the vehicle's preset radio stations.
  2. Turn OFF all lamps and accessories.
  3. Turn the ignition switch to the OFF position.
  4. Loosen the negative battery cable terminal nut.
  5. Remove the negative battery cable terminal (3) from the battery.

Installation Procedure

Important: Clean any existing oxidation from the contact face of the battery terminal and battery cable using a wire brush before installing the battery cable to the battery terminal.


    Object Number: 1616995  Size: SH
  1. Install the negative battery cable terminal (2) to the battery.
  2. Notice: Refer to Fastener Notice in the Preface section.

  3. Tighten the negative battery cable terminal nut.
  4. Tighten
    Tighten the nut to 15 N·m (11 lb ft).

  5. Set the clock and program the radio stations back into the radio as recorded at the beginning of the procedure. Refer to Radio/Audio System Description and Operation .

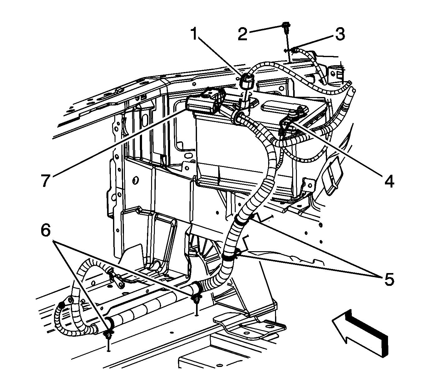
Battery Negative Cable Disconnection and Connection RPOs LZE/LZ4/LZ8

Removal Procedure

Caution: Refer to SIR Caution in the Preface section.

Caution: Refer to Battery Disconnect Caution in the Preface section.


    Object Number: 1616991  Size: SH
  1. Record all of the vehicle preset radio stations.
  2. Turn OFF all lamps and accessories.
  3. Turn the ignition switch to the OFF position.
  4. Loosen the negative battery cable terminal nut.
  5. Remove the negative battery cable terminal (4) from the battery.

Installation Procedure

Important: Clean any existing oxidation from the contact face of the battery terminal and battery cable using a wire brush before installing the battery cable to the battery terminal.


    Object Number: 1616991  Size: SH
  1. Install the negative battery cable terminal (4) to the battery.
  2. Notice: Refer to Fastener Notice in the Preface section.

  3. Tighten the negative battery cable terminal nut.
  4. Tighten
    Tighten the nut to 15 N·m (11 lb ft).

  5. Set the clock and program the radio stations back into the radio as recorded at the beginning of the procedure. Refer to Radio/Audio System Description and Operation .