GM Service Manual Online
For 1990-2009 cars only

Removal Procedure


    Object Number: 1607922  Size: SH
  1. Remove the tire and wheel. Refer to Tire and Wheel Removal and Installation .
  2. Remove the engine splash shield. Refer to Engine Splash Shield Replacement .
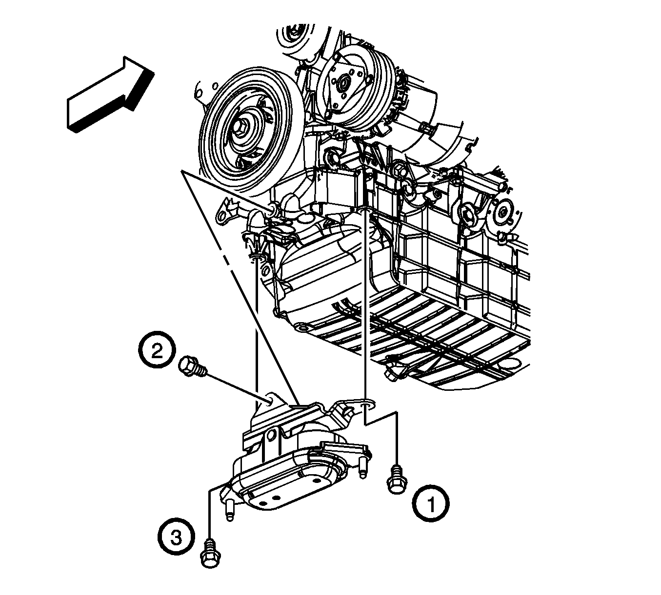
  3. Remove the engine mount to frame nuts.

  4. Object Number: 1607926  Size: SH
  5. Place an adjustable jack and a block of wood under the oil pan.
  6. Remove the engine mount bracket bolts.
  7. Using the adjustable jack and block of wood, raise the engine until the engine mount/bracket can be removed.
  8. Remove the engine mount/bracket from the vehicle.

Installation Procedure


    Object Number: 1607926  Size: SH
  1. Position the engine mount/bracket to the engine.
  2. Install the engine mount bracket bolts.
  3. Notice: Refer to Fastener Notice in the Preface section.

  4. Tighten the engine mount bracket bolts.
  5. Tighten
    Tighten the bolts in the sequence shown to 50 N·m (37 lb ft).


    Object Number: 1607922  Size: SH
  6. Lower the engine using the adjustable jack until the engine mount rests on the frame.
  7. Remove the adjustable jack and block of wood from under the vehicle.
  8. Install the engine mount to frame nuts.
  9. Tighten
    Tighten the nuts to 50 N·m (37 lb ft).

  10. Install the engine splash shield. Refer to Engine Splash Shield Replacement .
  11. Install the tire and wheel. Refer to Tire and Wheel Removal and Installation .