Callout | Component Name |
|---|---|
|
Caution: Refer to SIR Caution in the Preface section. Caution: Refer to SIR Inflator Module Handling and Storage Caution in the Preface section. Preliminary Procedures
| |
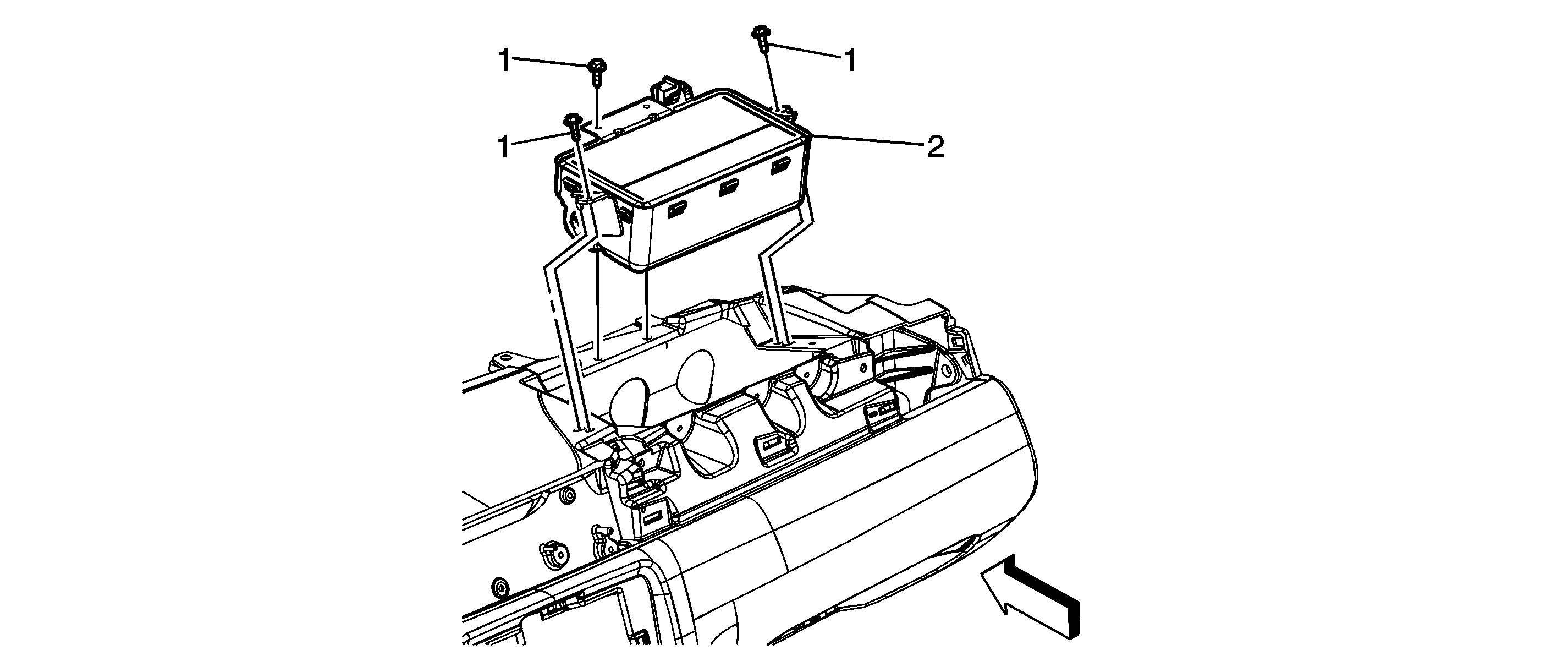
1 | Inflatable Restraint I/P Module Bolts (Qty: 3) Notice: Refer to Fastener Notice in the Preface section. Tighten |
2 | Inflatable Restraint I/P Module Assembly |
Callout | Component Name |
|---|---|
|
Caution: Refer to SIR Caution in the Preface section. Caution: Refer to SIR Inflator Module Handling and Storage Caution in the Preface section. Preliminary Procedures
| |
1 | Inflatable Restraint I/P Module Bolts (Qty: 3) Notice: Refer to Fastener Notice in the Preface section. Tighten |
2 | Inflatable Restraint I/P Module Assembly |