GM Service Manual Online
For 1990-2009 cars only

Object Number: 1594542  Size: SF

Callout

Component Name

Notice: Refer to Fastener Notice in the Preface section.

Fastener Tightening Specifications: Refer to Fastener Tightening Specifications

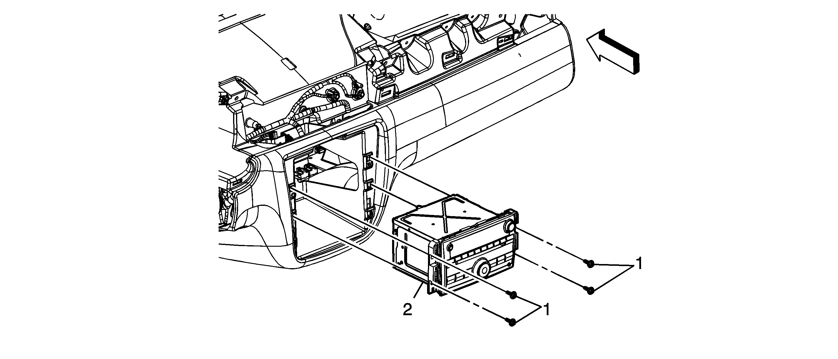
Preliminary Procedure

  1. Remove the instrument panel accessory trim plate. Refer to Instrument Panel Accessory Trim Plate Replacement
  2. Remove the heating and air conditioning control module. Refer to Heater and Air Conditioning Control Replacement
  3. Slightly push the antenna lead toward the radio to relieve tension on the internal fingers. Pull back on the spring-loaded locking ring and remove the connector from the radio.
  4. To install the antenna lead, plug the antenna lead into the socket until it clicks.
  5. Program the radio after replacement. Refer to Control Module References

1

Radio Bolt/Screw (Qty: 4)

Tighten
2 N·m (18 lb in)

2

AM/FM Stereo Radio