GM Service Manual Online
For 1990-2009 cars only
Makes
🢒
Chevrolet
🢒
2007
🢒
Impala
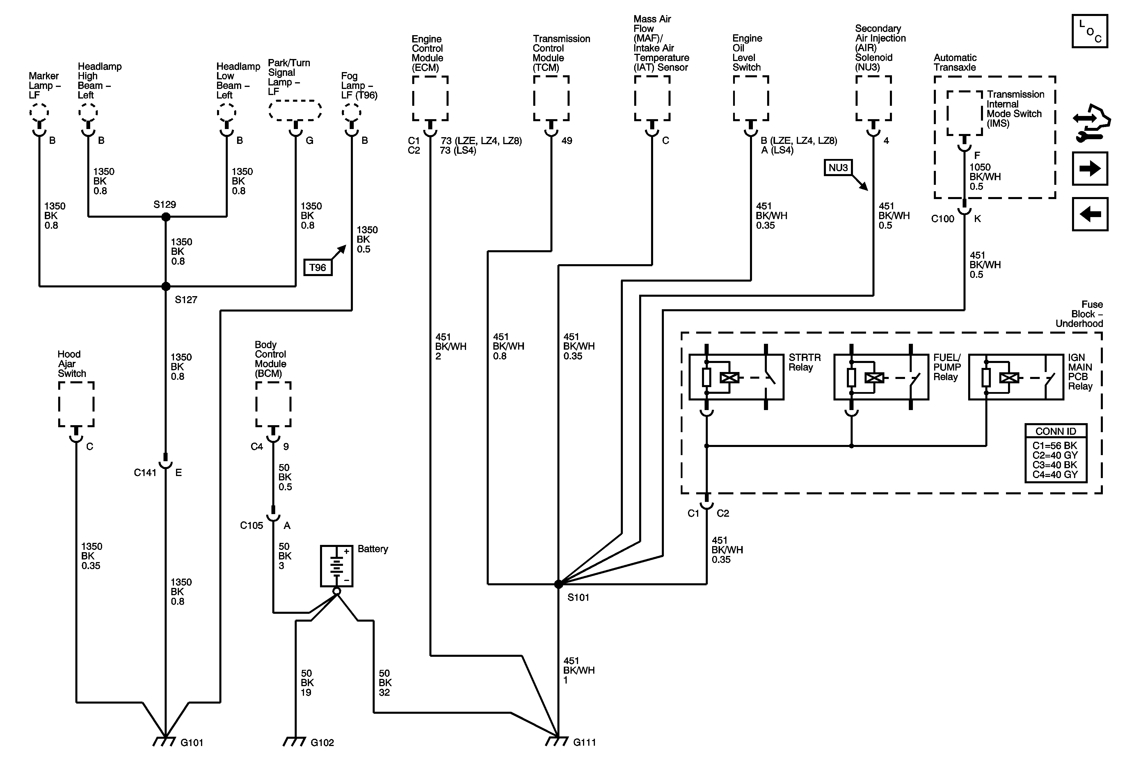
🢒 G101, G102, and G111
G101, G102, and G111
G101, G102, and G111
Master Electrical Component List
Control Module References
G113 and G115
G100