GM Service Manual Online
For 1990-2009 cars only
Makes
🢒
Chevrolet
🢒
2007
🢒
Impala
🢒 High Speed GMLAN Serial Data
High Speed GMLAN Serial Data
High Speed GMLAN Serial Data
Master Electrical Component List
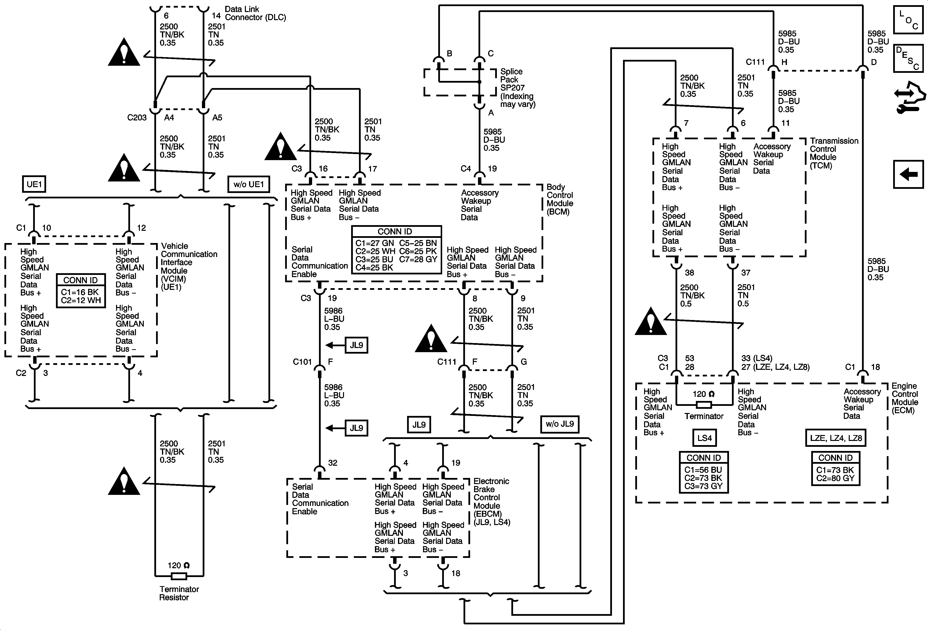
Data Link Communications Description and Operation
Control Module References
Power, Ground, and Low Speed GMLAN Serial Data
Data Communication Schematic Icons
Data Communication Schematic Icons
Data Communication Schematic Icons
Data Communication Schematic Icons
Data Communication Schematic Icons
Data Communication Schematic Icons