GM Service Manual Online
For 1990-2009 cars only
Makes
🢒
Chevrolet
🢒
2007
🢒
Impala
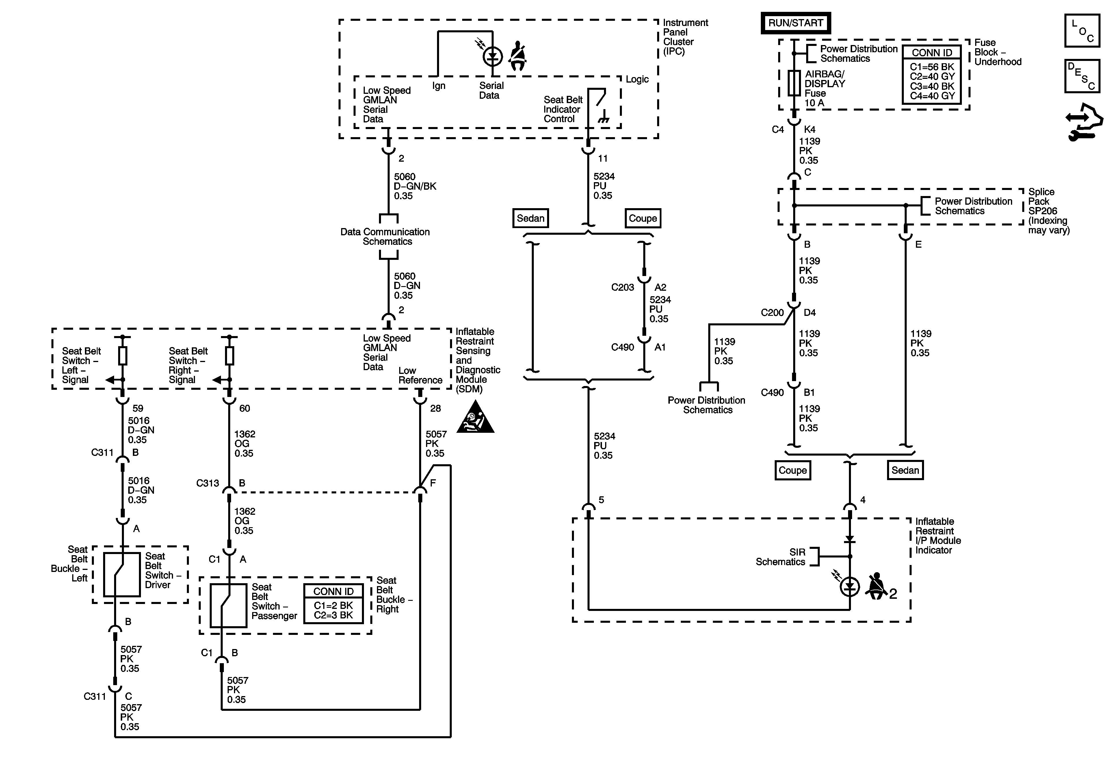
🢒 Seat Belt Schematics
Seat Belt Schematics
Master Electrical Component List
Seat Belt System Description and Operation
Control Module References
Power, Ground, and Low Speed GMLAN Serial Data
Seat Belt Schematic Icons