GM Service Manual Online
For 1990-2009 cars only
Makes
🢒
Chevrolet
🢒
2007
🢒
Impala
🢒 Switches
Switches
Switches
Master Electrical Component List
Exterior Lighting Systems Description and Operation
Control Module References
Headlamps
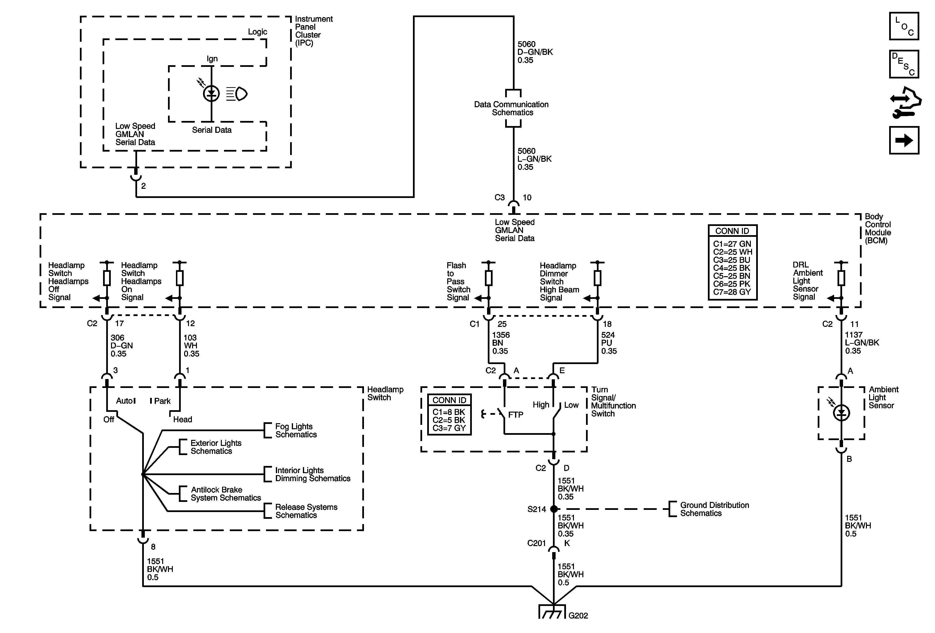
Power, Ground, and Low Speed GMLAN Serial Data
Fog Lights Schematics
Park Lamps (1 of 2)
Coupe
Indicators, ABS, and Traction Control
Release Systems Schematics
G202 and G204
G202 and G204