GM Service Manual Online
For 1990-2009 cars only
Makes
🢒
Chevrolet
🢒
2007
🢒
Impala
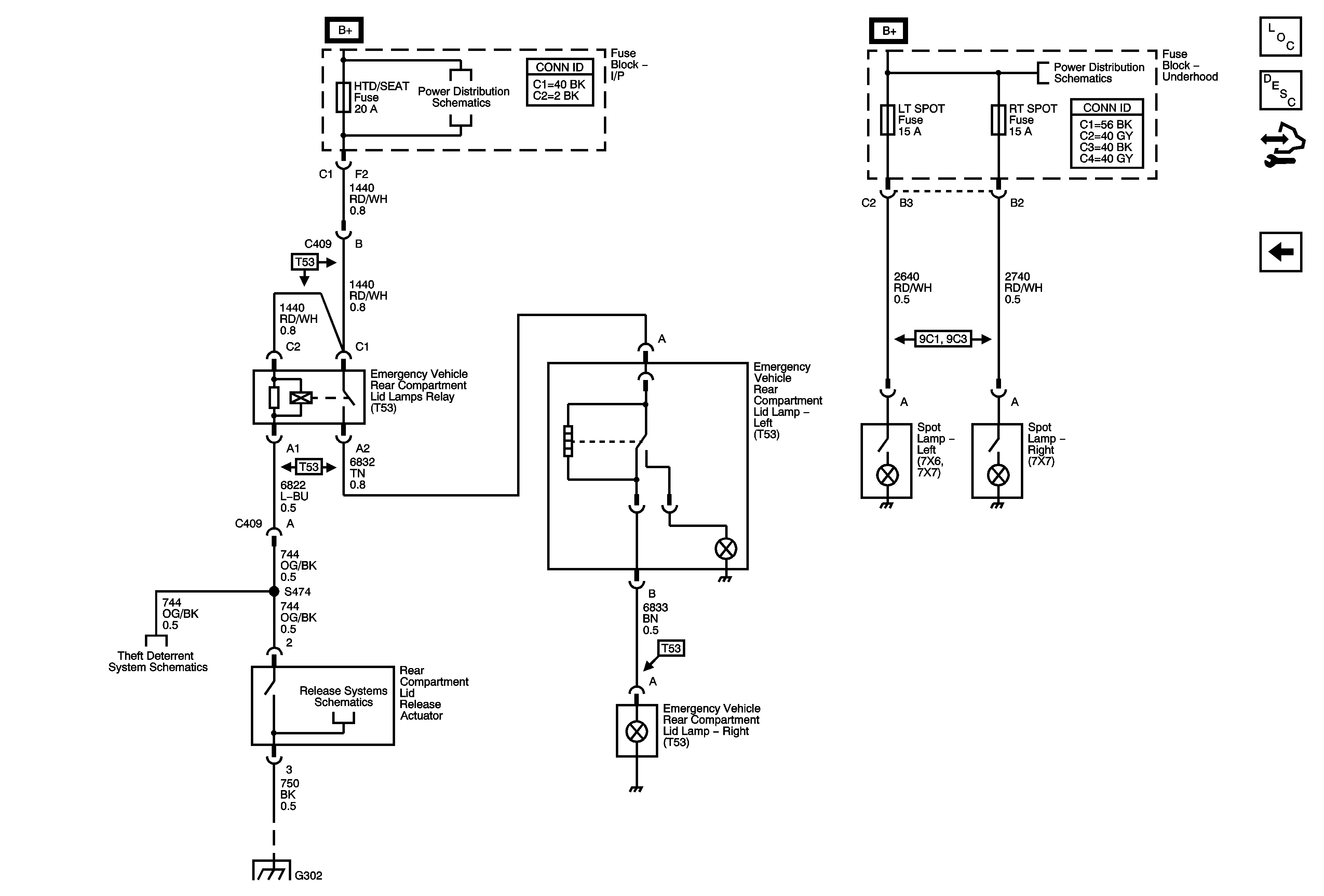
🢒 Emergency Vehicle Rear Compartment Lid Lamps and Spot Lamps - T53, 7X6, 7X7
Emergency Vehicle Rear Compartment Lid Lamps and Spot Lamps - T53, 7X6, 7X7
Emergency Vehicle Rear Compartment Lid Lamps, and Spot Lamps - T53, 7X6, 7X7
Master Electrical Component List
Exterior Lighting Systems Description and Operation
Control Module References
Backup and License Lamps
BATT 2, HTD/SEAT, AIRBAG, PWR/MIR Fuses, and PWR/SEAT Circuit Breaker
BATT 2, HTD/SEAT, AIRBAG, PWR/MIR Fuses, and PWR/SEAT Circuit Breaker
Fuse Block - Underhood Bussing
Fuse Block - Underhood Bussing
Theft Deterrent System Schematics
Release Systems Schematics
G302 (Sedan)