GM Service Manual Online
For 1990-2009 cars only

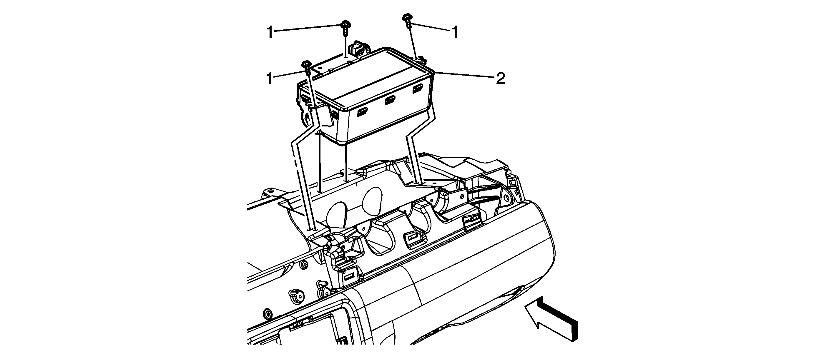
Instrument Panel Inflatable Restraint Module Replacement Impala


Object Number: 1594519  Size: SF

Callout

Component Name

Caution: Refer to SIR Caution in the Preface section.

Caution: Refer to SIR Inflator Module Handling and Storage Caution in the Preface section.

Preliminary Procedures

  1. Disable the SIR. Refer to SIR Disabling and Enabling .
  2. Remove the instrument panel (I/P) upper trim panel. Refer to Instrument Panel Upper Trim Pad Replacement .

1

Inflatable Restraint I/P Module Bolts (Qty: 3)

Notice: Refer to Fastener Notice in the Preface section.

Tighten
10 N·m (89 lb in)

2

Inflatable Restraint I/P Module Assembly