GM Service Manual Online
For 1990-2009 cars only
Makes
🢒
Chevrolet
🢒
2008
🢒
Impala
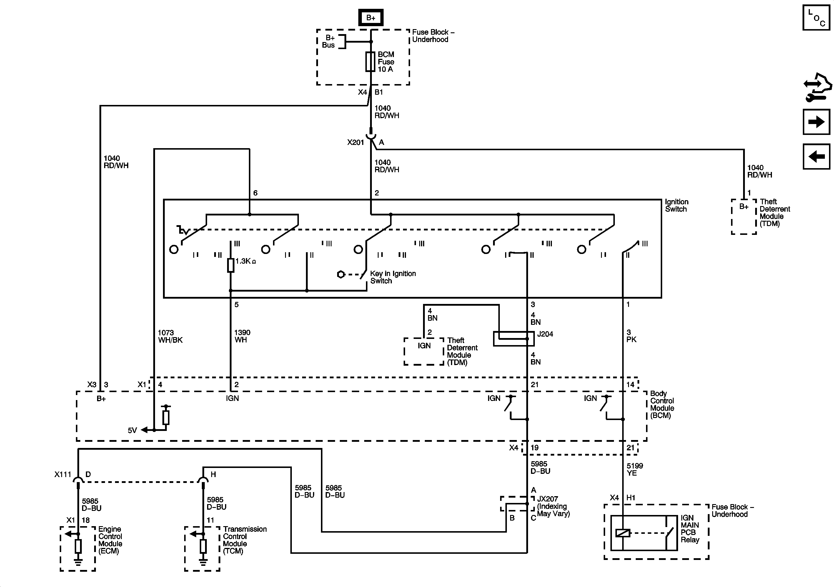
🢒 Ignition Switch
Ignition Switch
Ignition Switch
Master Electrical Component List
Control Module References
BATT 1, CNSTR, XM, TRUNK, AMP, AUX Fuses, and TRUNK Relay
SEO 9C1/9C3
Fuse Block - Underhood Bussing