GM Service Manual Online
For 1990-2009 cars only
Makes
🢒
Chevrolet
🢒
2008
🢒
Impala
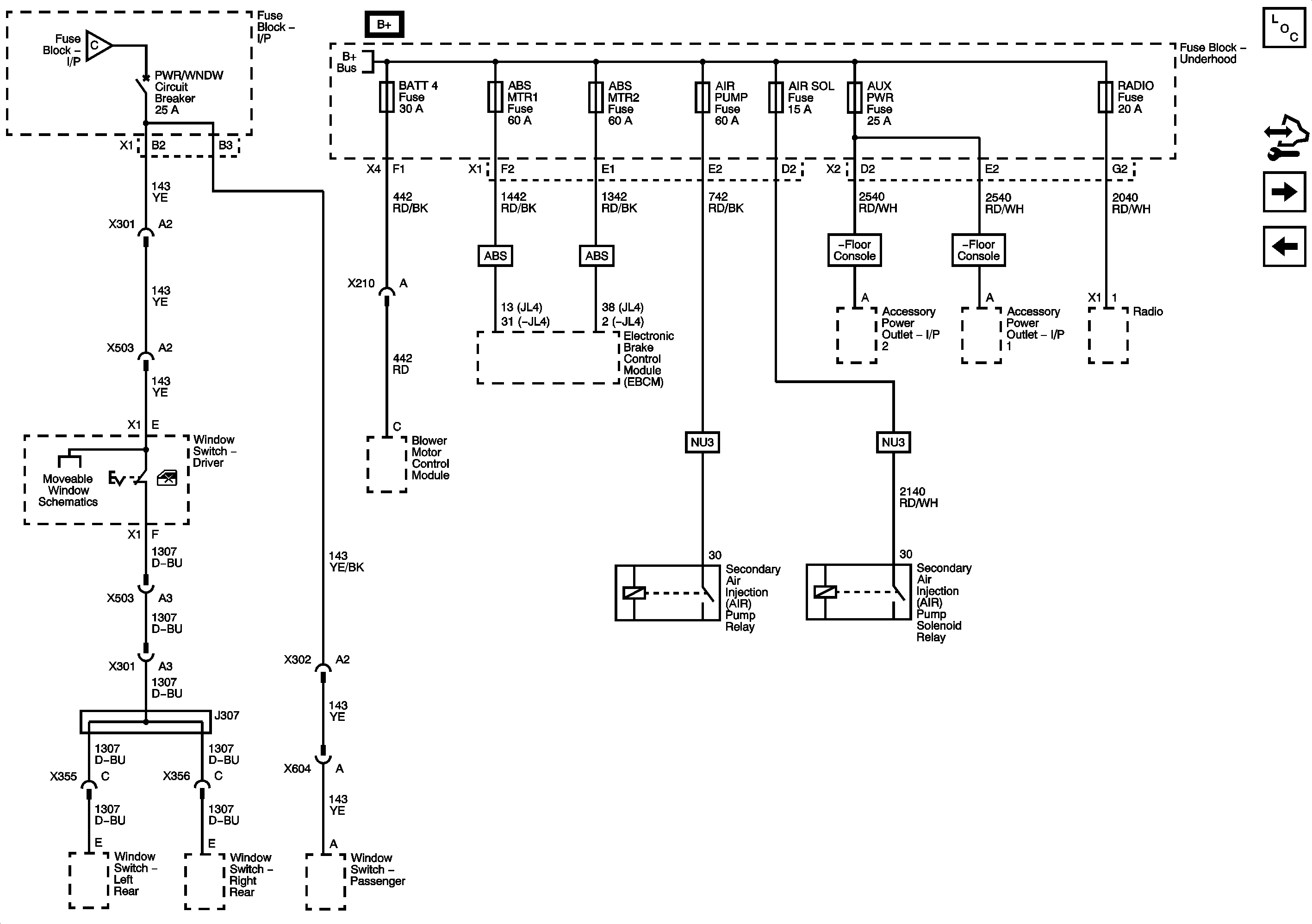
🢒 BATT 4, ABS MTR1, ABS MTR2, AIR PUMP, AIR SOL, AUX PWR, Radio Fuses, and PWR/WNDW Circuit Breaker
BATT 4, ABS MTR1, ABS MTR2, AIR PUMP, AIR SOL, AUX PWR, Radio Fuses, and PWR/WNDW Circuit Breaker
BATT 4, ABS MTR1, ABS MTR2, AIR PUMP, AIR SOL, AUX PWR, RADIO Fuses, and PWR/WNDW Circuit Breaker
Master Electrical Component List
Control Module References
ONSTAR, INT LTS/PNL DIM, LT T/SIG, RT T/SIG, CHMSL/BCK-UP, INT LIGHTS, RVC SEN, and ECM/TCM Fuses
S/ROOF, DR/LCK, RAP Fuses, and RAP Relay, DOOR UNLOCk PCB Relay - Driver, DOOR UNLOCK PCB Relay, and DOOR LOCK PCB Relay
S/ROOF, DR/LCK, RAP Fuses, and RAP Relay, DOOR UNLOCk PCB Relay - Driver, DOOR UNLOCK PCB Relay, and DOOR LOCK PCB Relay
Fuse Block - Underhood Bussing
Moveable Window Schematics