GM Service Manual Online
For 1990-2009 cars only
Makes
🢒
Chevrolet
🢒
2008
🢒
Impala
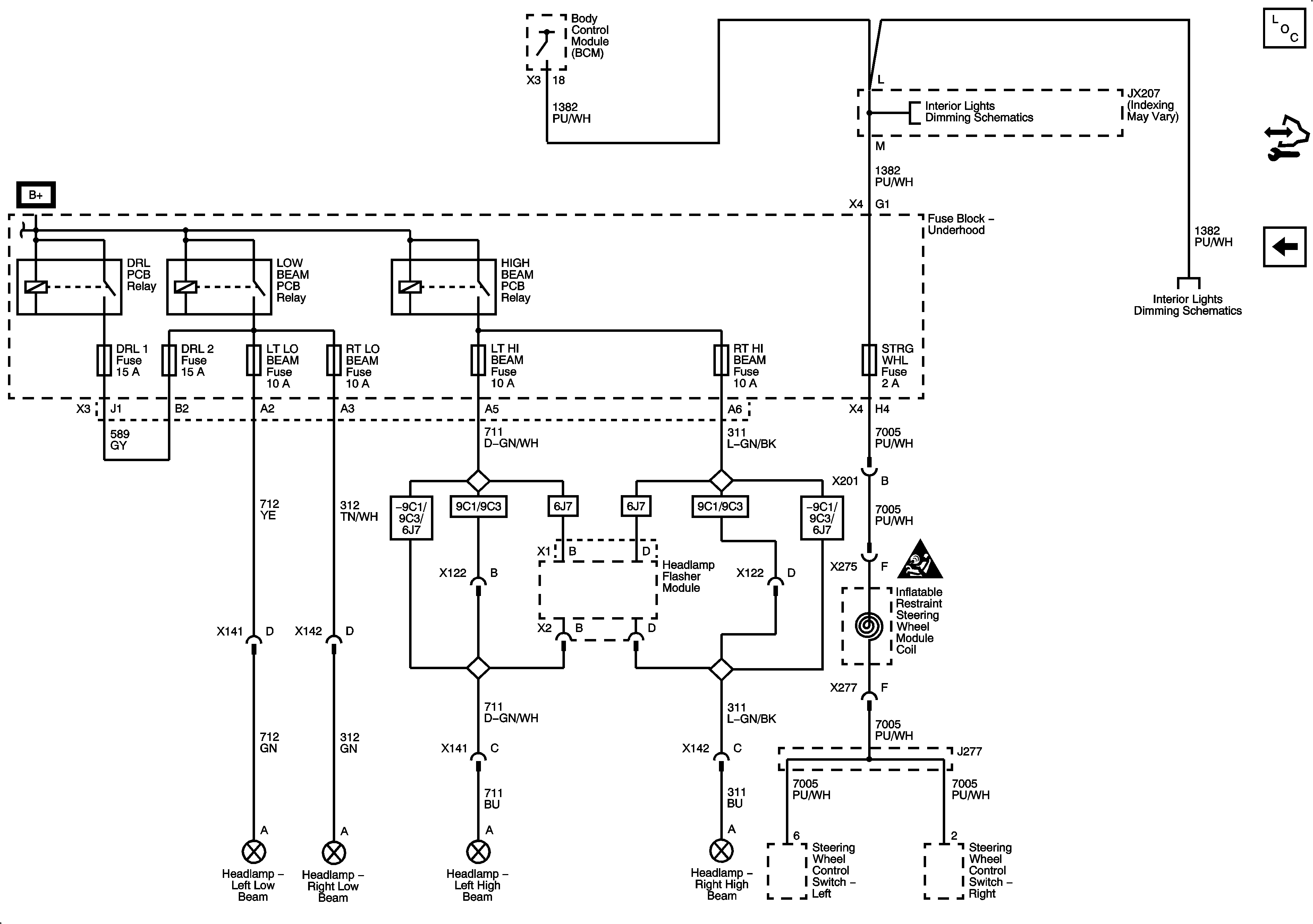
🢒 DRL 1, DRL 2, LT LO BEAM, RT LO BEAM, LT HI BEAM, RT HI BEAM, and STRG WHL Fuses
DRL 1, DRL 2, LT LO BEAM, RT LO BEAM, LT HI BEAM, RT HI BEAM, and STRG WHL Fuses
DRL 1, DRL 2, LT LO BEAM, RT LO BEAM, LT HI BEAM, RT HI BEAM, and STRG WHL Fuses
Master Electrical Component List
Control Module References
BATT 3, HTD MIR, FOG LAMPS, WSW, LT PARK, and RT PARK Fuses
Fuse Block - Underhood Bussing
Radio, HVAC Control Module, Driver Information Center (DIC) Switch, and Steering Wheel Controls
Radio, HVAC Control Module, Driver Information Center (DIC) Switch, and Steering Wheel Controls
Master Electrical Schematic Icons