GM Service Manual Online
For 1990-2009 cars only
Makes
🢒
Chevrolet
🢒
2008
🢒
Impala
🢒 G302
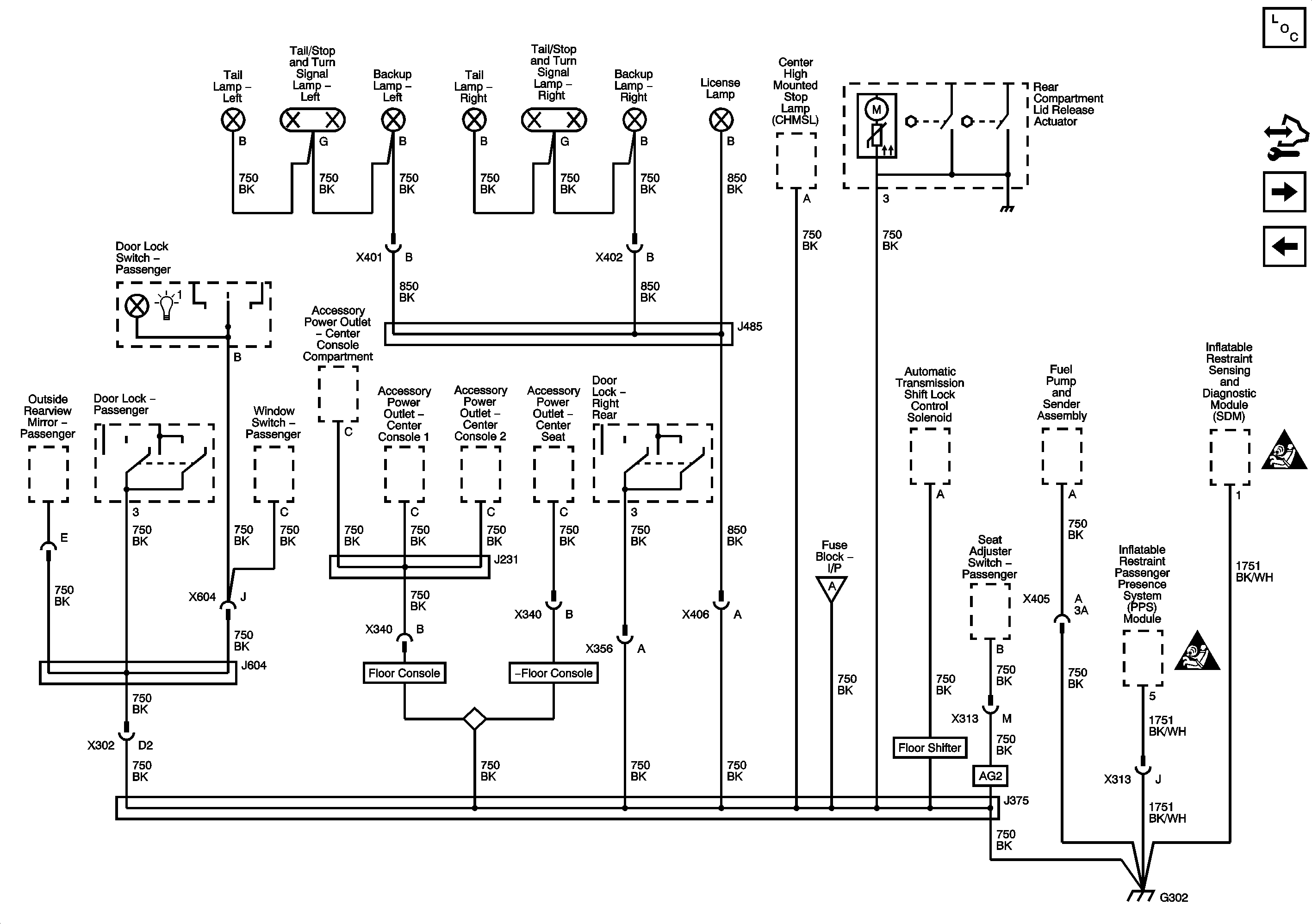
G302
G302 (2 of 2)
Master Electrical Component List
Control Module References
G403, and G404
G302 (1 of 2)
G302 (1 of 2)
Master Electrical Schematic Icons
Master Electrical Schematic Icons